Operation CHARM: Car repair manuals for everyone.
Manuals through 2025 now available!

Our trusted friends have launched a new website named LEMON, which has newer manuals. It also contains all the CHARM manuals.

LEMON is the spiritual successor to CHARM, I recommend you try it!

Link: lemon-manuals.la or lemon-manuals.org.ua

(Some people have issue connecting. LEMON is investigating. For now, use Firefox or change your DNS server)

Or, hide this message: temporarily or permanently

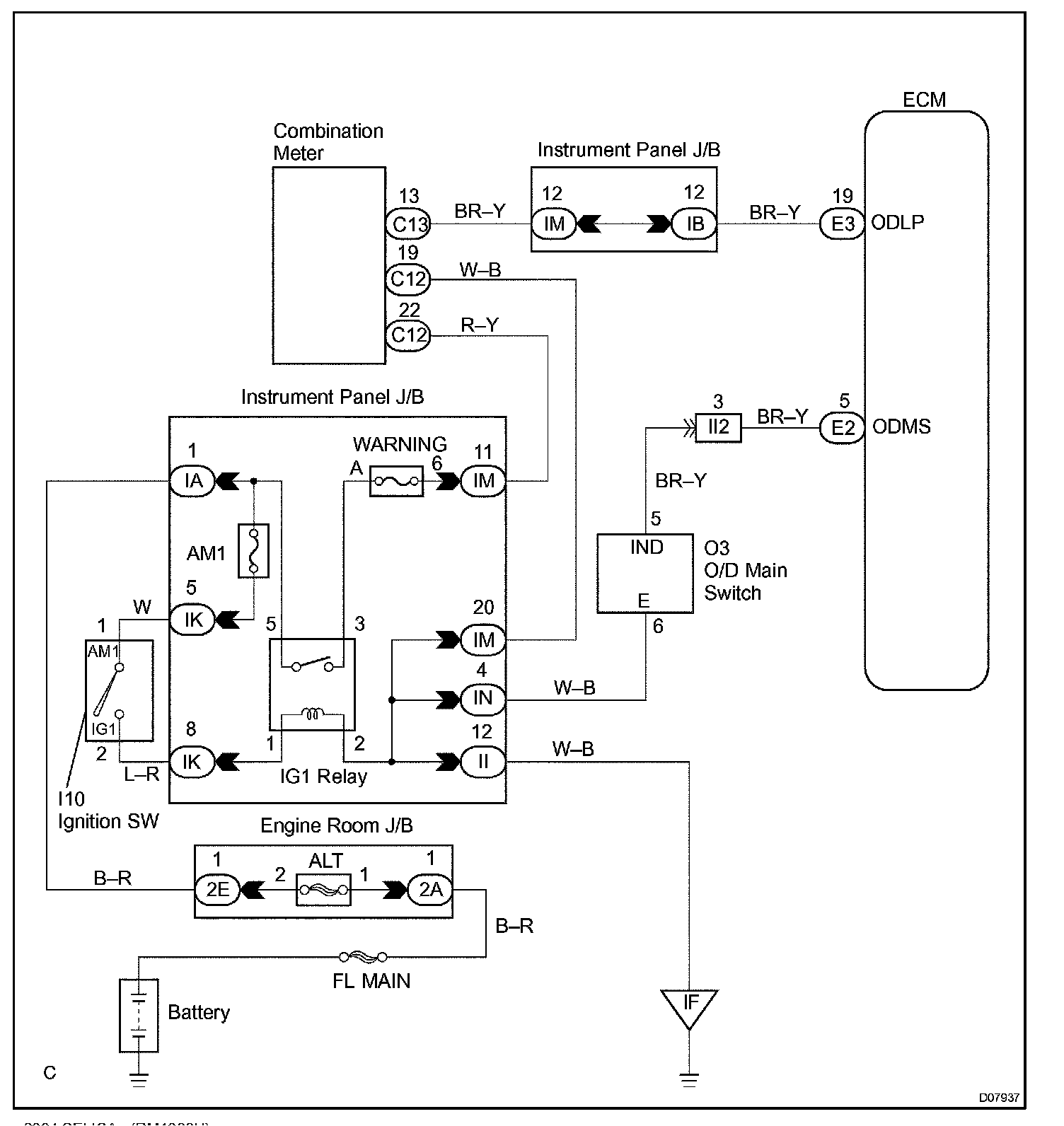
O/D Main Switch & O/D Off Indicator Light Circuit

O/D MAIN SWITCH & O/D OFF INDICTOR LIGHT CIRCUIT

CIRCUIT DESCRIPTION
The O/D main switch is a momentary type switch. When pressing the O/D main switch, the O/D OFF indicator light lights up and ECM prohibits shifting to O/D, and when pressing it again, the O/D OFF indicator light goes off and ECM allows shifting to O/D. Turning the ignition switch off will reset the O/D OFF indicator light.

Wiring Diagram:






Step 1 - 3:




Step 4 - 5:




INSPECTION PROCEDURE