Operation CHARM: Car repair manuals for everyone.
Manuals through 2025 now available!

Our trusted friends have launched a new website named LEMON, which has newer manuals. It also contains all the CHARM manuals.

LEMON is the spiritual successor to CHARM, I recommend you try it!

Link: lemon-manuals.la or lemon-manuals.org.ua

(Some people have issue connecting. LEMON is investigating. For now, use Firefox or change your DNS server)

Or, hide this message: temporarily or permanently

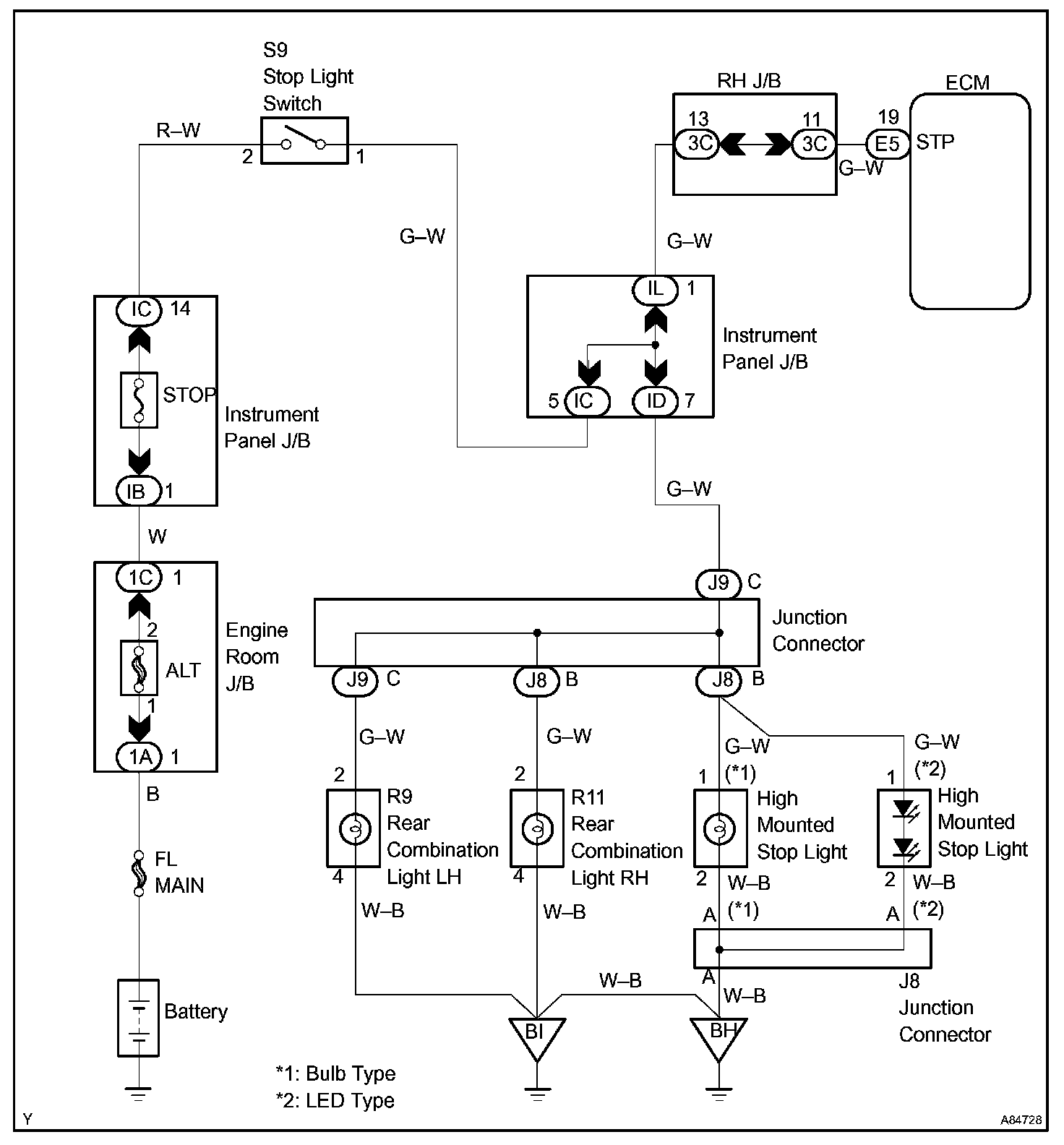
Stop Light Switch Circuit

CIRCUIT DESCRIPTION
This signal is used to detect that the brakes have been applied. The STP signal voltage is the same as the one supplied to the stop lights.

The STP signal is used mainly to control the fuel cut-off engine speed (The fuel cut-off engine speed is reduced slightly when the vehicle is braking.).

Wiring Diagram:






INSPECTION PROCEDURE

Step 1 - 3:




Step 4:




Hand-held tester

Step 1:




Step 2 - 3:




Step 4:




OBD II scan tool (excluding hand-held tester)

CHECK FOR INTERMITTENT PROBLEMS

Hand-held tester only:
By putting the vehicles ECM in the check mode, the 1 trip detection logic is possible instead of the 2 trip detection logic, and the sensitivity to detect faults is increased. This makes it easier to detect intermittent problems.

a. Clear the DTCs.
b. Set the check mode.
c. Perform a simulation test.
d. Check the connector and terminal.
e. Wiggle the harness and connector.