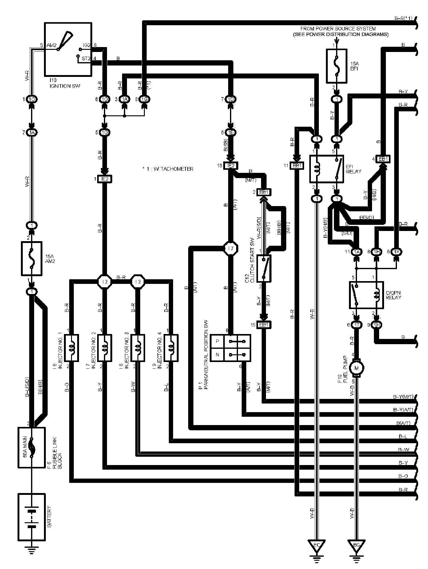
Engine Control Part 1
Engine Control Part 1:
Diagram Legend Part 1:
Diagram Legend Part 2:
Next Diagram Engine Control Part 2
Locations: The locations of components, connectors, ground points, and splices referred to within these diagrams can be found at Vehicle Locations. Locations
Connector Views: The connector views for connectors referred to within these diagrams can be found at the Vehicle level Connector Views. Connector Views