Operation CHARM: Car repair manuals for everyone.
Manuals through 2025 now available!

Our trusted friends have launched a new website named LEMON, which has newer manuals. It also contains all the CHARM manuals.

LEMON is the spiritual successor to CHARM, I recommend you try it!

Link: lemon-manuals.la or lemon-manuals.org.ua

(Some people have issue connecting. LEMON is investigating. For now, use Firefox or change your DNS server)

Or, hide this message: temporarily or permanently

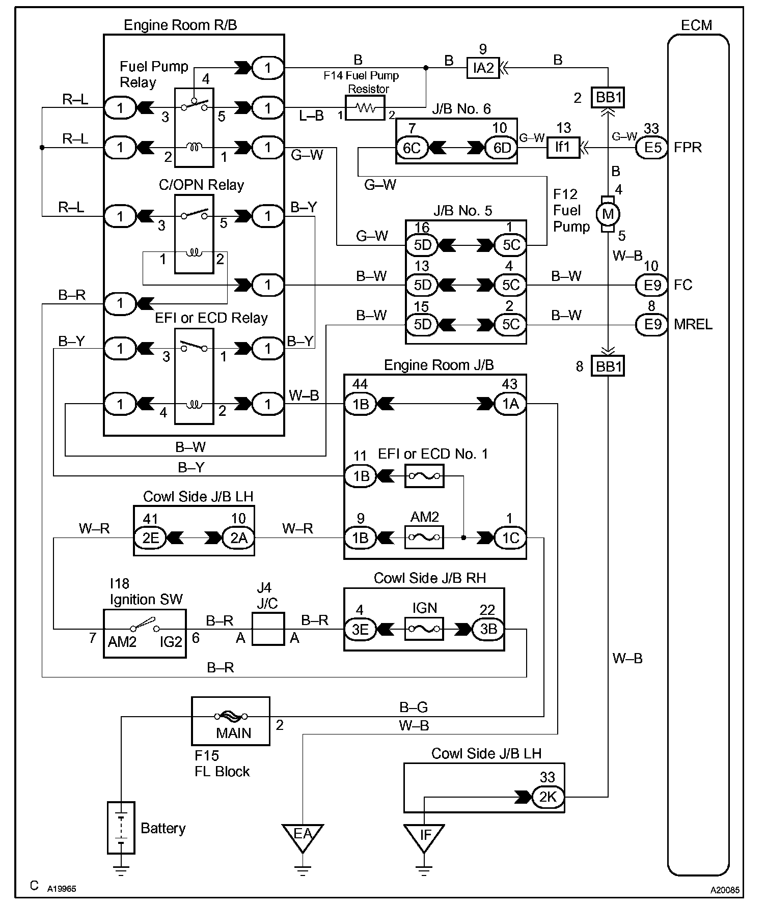
Fuel Pump Control Circuit

Fuel Pump Control Circuit

CIRCUIT DESCRIPTION




In the diagram, when the engine is cranked, current flows from terminal STAR of the ECM to the starter relay coil and also current flows to terminal STA of the ECM (STA signal).

When the STA signal and NE signal are input to the ECM, the Tr1 is turned ON, current flows to the coil of the circuit opening relay, the relay switches on, power is supplied to the fuel pump, and the fuel pump operates.

While the NE signal is generated (engine running), the ECM keeps the Tr1 ON (circuit opening relay ON) and the fuel pump also keeps operating.

The fuel pump speed is controlled at two levels (high speed or low speed) by the condition of the engine (starting, light load, heavy load). When the engine starts (STA ON), the Tr2 in the ECM is OFF, so the fuel pump relay closes and battery positive voltage is applied directly to the fuel pump. The fuel pump operates at high speed.

After the engine starts during idling or light loads, since the Tr2 goes ON, power is supplied to the fuel pump via the fuel pump resistor. The fuel pump operates at low speed.

Wiring Diagram:






INSPECTION PROCEDURE

Step 1 - 3:




Step 4 - 6:




Step 7 - 8:




Hand-held tester:

Step 1 - 5:




Step 6 - 7:




OBD II scan tool (excluding hand-held-tester):