Operation CHARM: Car repair manuals for everyone.
Manuals through 2025 now available!

Our trusted friends have launched a new website named LEMON, which has newer manuals. It also contains all the CHARM manuals.

LEMON is the spiritual successor to CHARM, I recommend you try it!

Link: lemon-manuals.la or lemon-manuals.org.ua

(Some people have issue connecting. LEMON is investigating. For now, use Firefox or change your DNS server)

Or, hide this message: temporarily or permanently

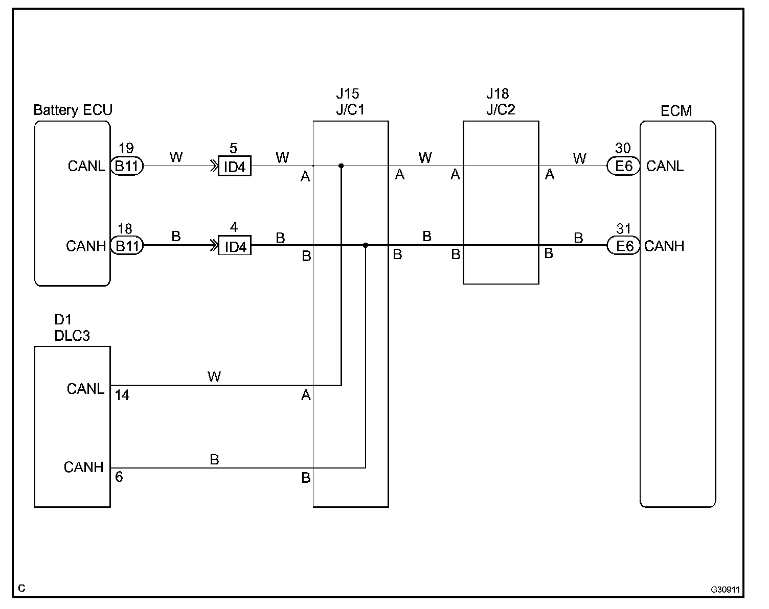
Check CAN Main Bus Line For Disconnection

CHECK CAN MAIN BUS LINE FOR DISCONNECTION

CIRCUIT DESCRIPTION




There may be an open circuit in the CAN bus main line and/or the DLC3 sub bus line when the resistance between terminals 6 (CANH) and 14 (CANL) of the DLC3 is 69 Ohms or more.

Wiring Diagram:






Step 1 - 2:




Step 3 - 4:




Step 5 - 7:




Step 8 - 11:




INSPECTION PROCEDURE