Operation CHARM: Car repair manuals for everyone.
Manuals through 2025 now available!

Our trusted friends have launched a new website named LEMON, which has newer manuals. It also contains all the CHARM manuals.

LEMON is the spiritual successor to CHARM, I recommend you try it!

Link: lemon-manuals.la or lemon-manuals.org.ua

(Some people have issue connecting. LEMON is investigating. For now, use Firefox or change your DNS server)

Or, hide this message: temporarily or permanently

Component Tests and General Diagnostics

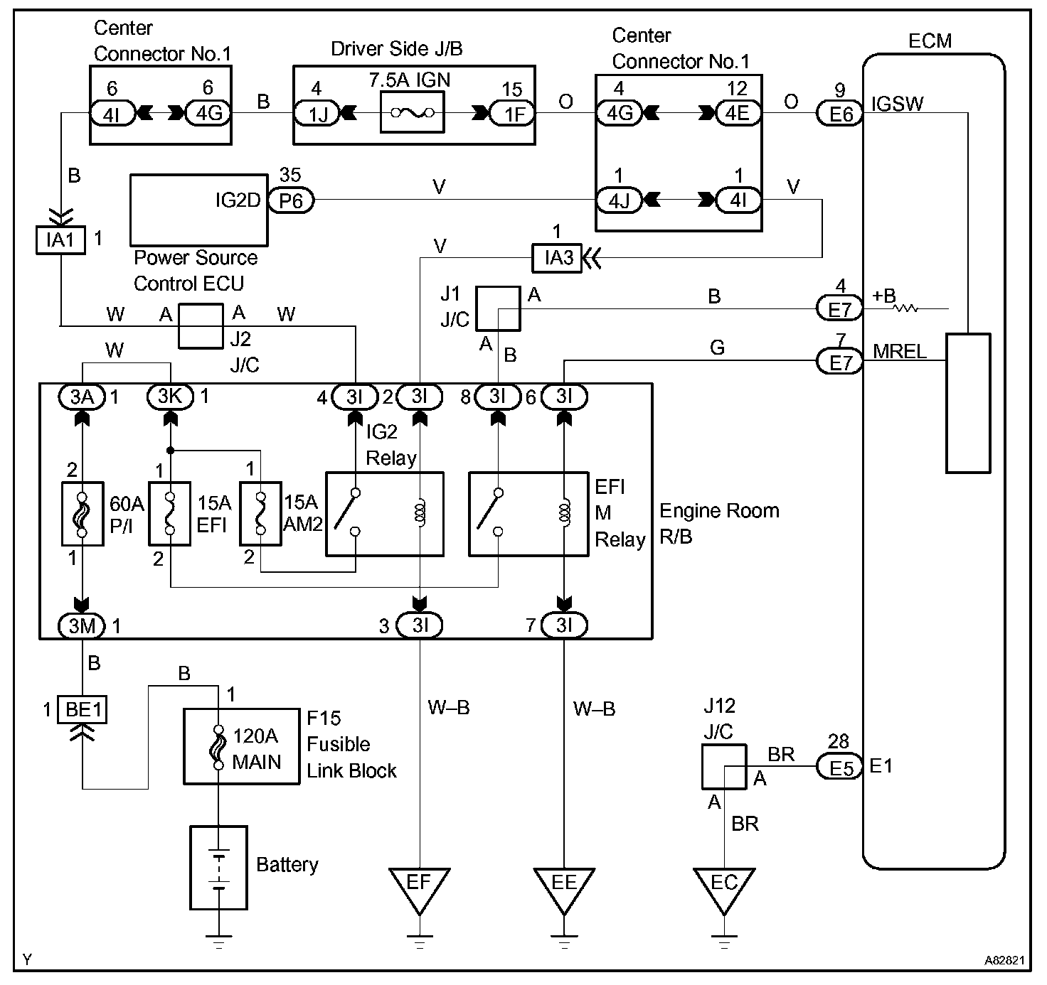
ECM POWER SOURCE CIRCUIT

CIRCUIT DESCRIPTION

The power source circuit of the hybrid system differs from the conventional power source circuit in the method in which the battery voltage is supplied to IGSW terminal of the ECM. The hybrid system has adopted one relay to serve as an ignition switch, which is controlled by the power source control ECU.

When the HV system is turned ON, the power source control ECU actuates the IG2 relay, which applies the battery voltage to IGSW terminal of the ECM. This causes the MREL terminal to transmit a signal to the EFI M relay. Then, the current that passes through the contact points of the EFI M relay (which is actuated by the MREL signal) flows to the +B terminal of the ECM.

When the power switch is turned OFF, the ECM keeps the EFI M relay ON for a maximum of 2 seconds, in order to initialize the throttle valve.

Wiring Diagram:






Step 1 - 3:




Step 4 - 5:




Step 6 - 8:




Step 9:




Step 10:




INSPECTION PROCEDURE