Operation CHARM: Car repair manuals for everyone.
Manuals through 2025 now available!

Our trusted friends have launched a new website named LEMON, which has newer manuals. It also contains all the CHARM manuals.

LEMON is the spiritual successor to CHARM, I recommend you try it!

Link: lemon-manuals.la or lemon-manuals.org.ua

(Some people have issue connecting. LEMON is investigating. For now, use Firefox or change your DNS server)

Or, hide this message: temporarily or permanently

System Specifications



CYLINDER BLOCK:




CYLINDER BLOCK:







CYLINDER BLOCK



Cylinder Bore, Taper, Out of Round.....


Cylinder Block:




Cylinder Journal Diameter, Bearing Center Thickness. (reference):








MAIN BEARINGS


Bearing Size Codes




Standard Bearing Center Wall Thickness:







Main Bearing Cap Bolts







REMOVAL
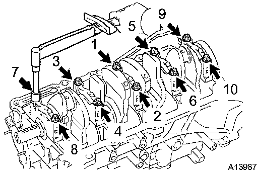
Uniformly loosen and remove the 10 main bearing cap bolts in several passes, in the sequence shown







INSTALLATION
Tighten the 10 main bearing cap bolts in several passes, in the sequence shown.

1st Pass 20 Nm (24 kgf-cm, 15 ft. lbs.)
2nd Pass 40 Nm (48 kgf-cm, 30 ft. lbs.)







3rd Pass 90° angle as shown


Tension Portion Diameter
Standard diameter 7.5 to 7.6 mm (0.2953 to 0.2992 inch)
Minimum diameter 7.2 mm (0.284 inch)


CYLINDER BLOCK:






CONNECTING ROD


Connecting Rod:






Connecting Rod Cap Bolts







Mark the front of the connecting cap bolts with paint.
Retighten the cap bolts by 90° as shown
Install and alternately tighten the 2 connecting rod cap bolts in several passes.

Torque 24.5 Nm (250 kgf-cm, 18 ft. lbs.)



CRANKSHAFT


Crankshaft:





CYLINDER HEAD:






Crankshaft Pulley
Crankshaft Pulley x Crankshaft 180 N.m (1,836 kgf.cm, 132 ft.lbf)
Crankshaft Pulley Bolt 41 Nm (418 kgf-cm, 30 ft. lbs.)



PISTONS


Piston And Piston Ring:




Ring Groove Clearance:




Standard End Gap:




Maximum End Gap: