Operation CHARM: Car repair manuals for everyone.
Manuals through 2025 now available!

Our trusted friends have launched a new website named LEMON, which has newer manuals. It also contains all the CHARM manuals.

LEMON is the spiritual successor to CHARM, I recommend you try it!

Link: lemon-manuals.la or lemon-manuals.org.ua

(Some people have issue connecting. LEMON is investigating. For now, use Firefox or change your DNS server)

Or, hide this message: temporarily or permanently

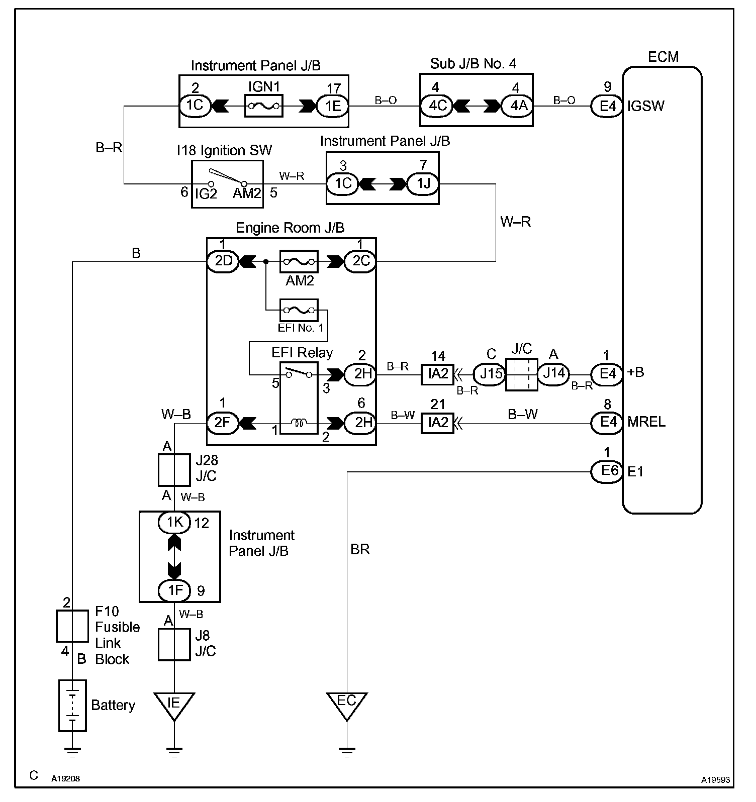
ECM Power Source Circuit

ECM POWER SOURCE CIRCUIT

CIRCUIT DESCRIPTION

When the ignition switch is turned ON, battery positive voltage is applied to terminal IGSW of the ECM and the EFI relay control circuit in the ECM sends a signal to terminal MREL of the ECM switching on the EFI relay.

This signal causes current to flow to the coil, closing the contacts of the EFI relay and supplying power to terminal +B of the ECM.

Wiring Diagram:






Step 1 - 3:




Step 4 - 6:




Step 7 - 9:




INSPECTION PROCEDURE