Operation CHARM: Car repair manuals for everyone.
Manuals through 2025 now available!

Our trusted friends have launched a new website named LEMON, which has newer manuals. It also contains all the CHARM manuals.

LEMON is the spiritual successor to CHARM, I recommend you try it!

Link: lemon-manuals.la or lemon-manuals.org.ua

(Some people have issue connecting. LEMON is investigating. For now, use Firefox or change your DNS server)

Or, hide this message: temporarily or permanently

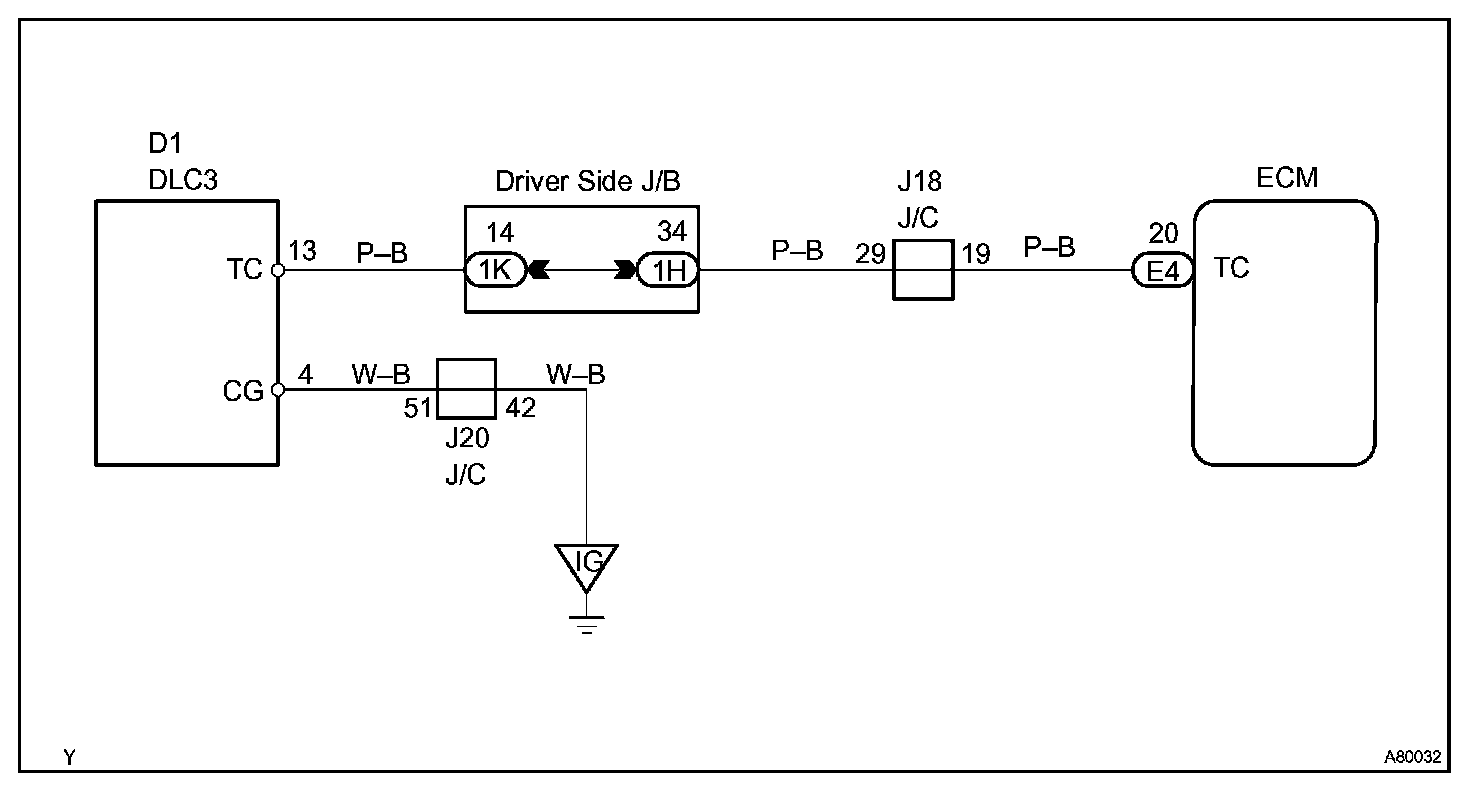
Tc Terminal Circuit

TC TERMINAL CIRCUIT

CIRCUIT DESCRIPTION

Terminals TC and CG are located in the DLC3. When connecting these terminals, DTCs in normal mode or test mode can be read through the MIL flashing in the combination meter.

Wiring Diagram:






Step 1:




Step 2 - 3:




INSPECTION PROCEDURE

HINT:
- Even though terminal TC is not connected to terminal CG, the MIL blinks.
- For the above phenomenon, an open or short in the wire harness, or malfunction inside the ECM is the likely cause.