Operation CHARM: Car repair manuals for everyone.
Manuals through 2025 now available!

Our trusted friends have launched a new website named LEMON, which has newer manuals. It also contains all the CHARM manuals.

LEMON is the spiritual successor to CHARM, I recommend you try it!

Link: lemon-manuals.la or lemon-manuals.org.ua

(Some people have issue connecting. LEMON is investigating. For now, use Firefox or change your DNS server)

Or, hide this message: temporarily or permanently

Component Tests and General Diagnostics

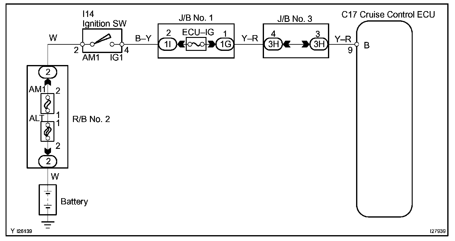
ECU Power Source Circuit

CIRCUIT DESCRIPTION

The ECU power source supplies power to the actuator and sensors, etc., when terminal GND and the cruise control ECU case are grounded.

Wiring Diagram:






Step 1 - 2:




Step 3:




INSPECTION PROCEDURE