Operation CHARM: Car repair manuals for everyone.
Manuals through 2025 now available!

Our trusted friends have launched a new website named LEMON, which has newer manuals. It also contains all the CHARM manuals.

LEMON is the spiritual successor to CHARM, I recommend you try it!

Link: lemon-manuals.la or lemon-manuals.org.ua

(Some people have issue connecting. LEMON is investigating. For now, use Firefox or change your DNS server)

Or, hide this message: temporarily or permanently

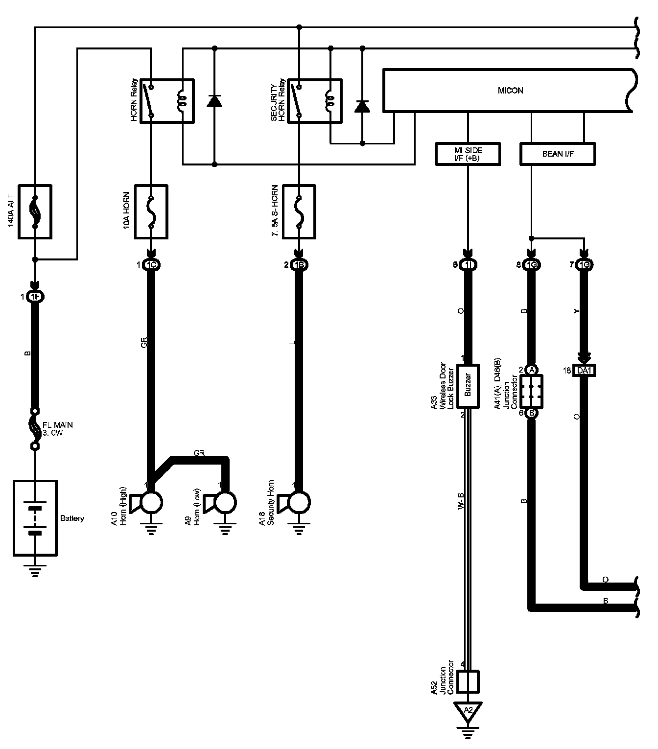
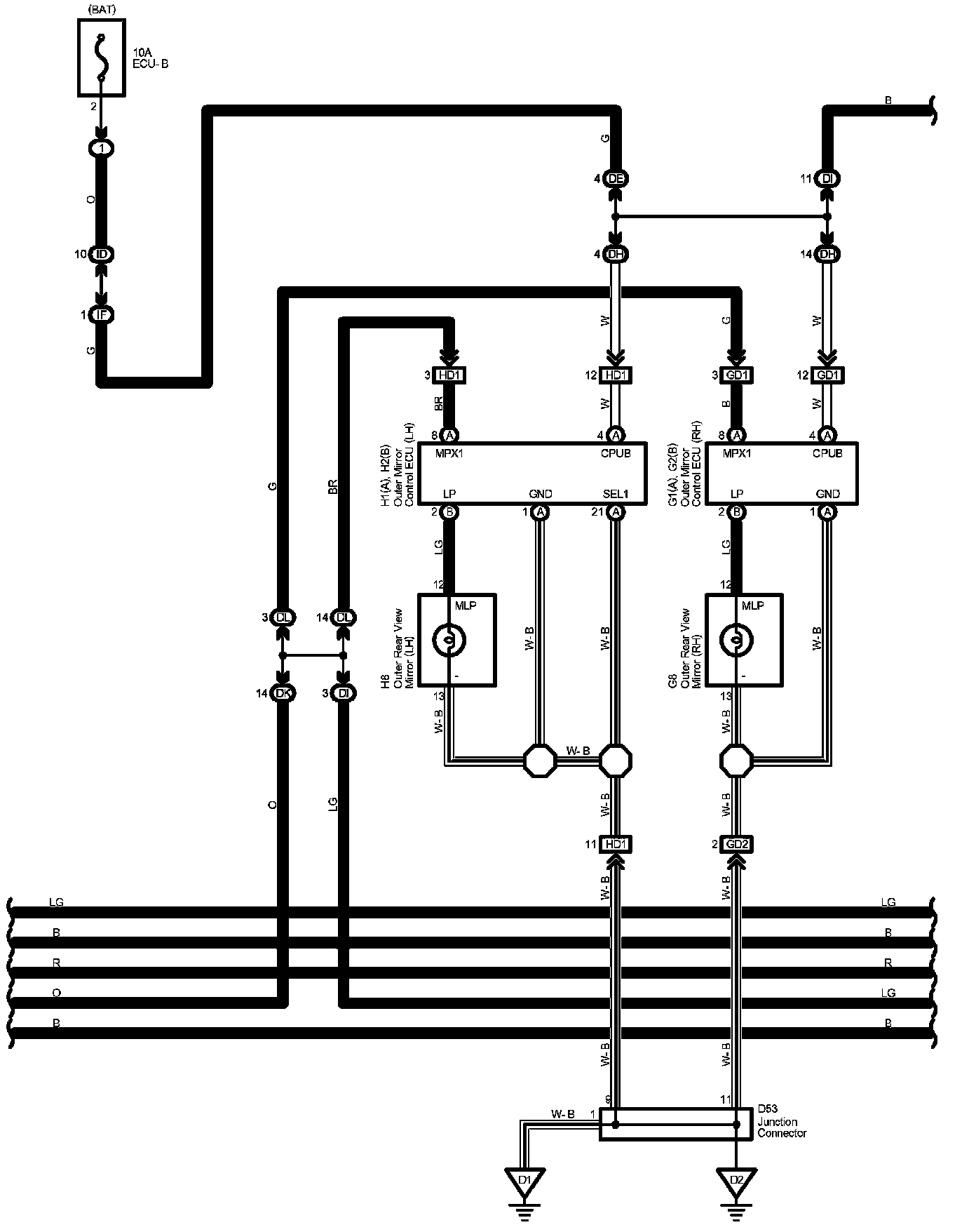
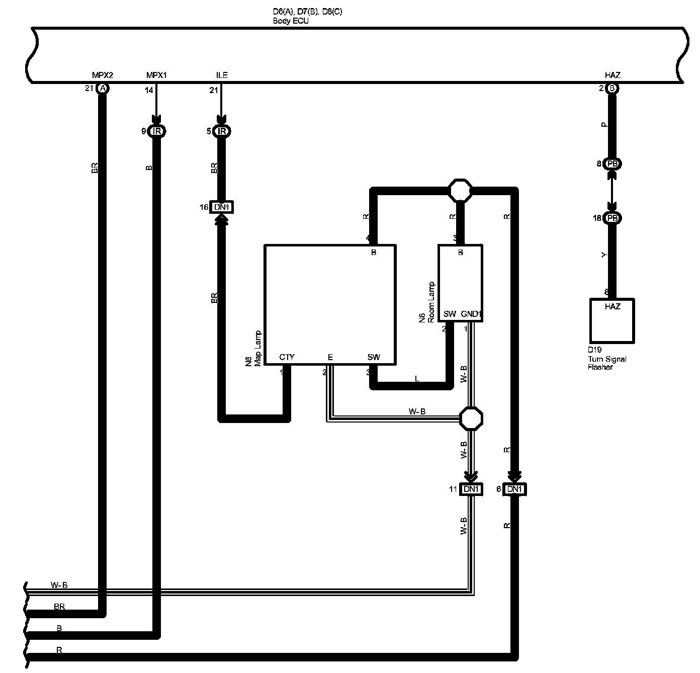
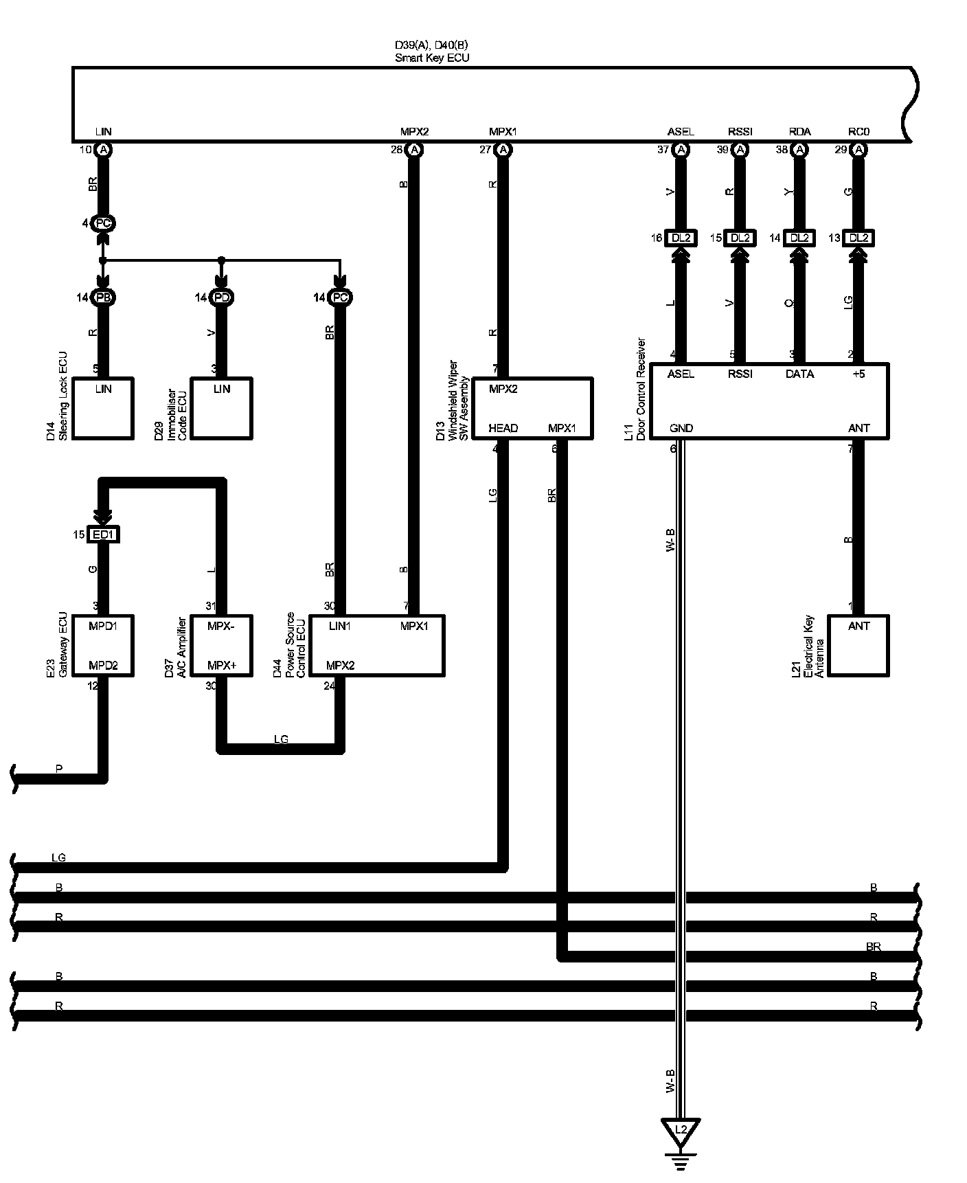
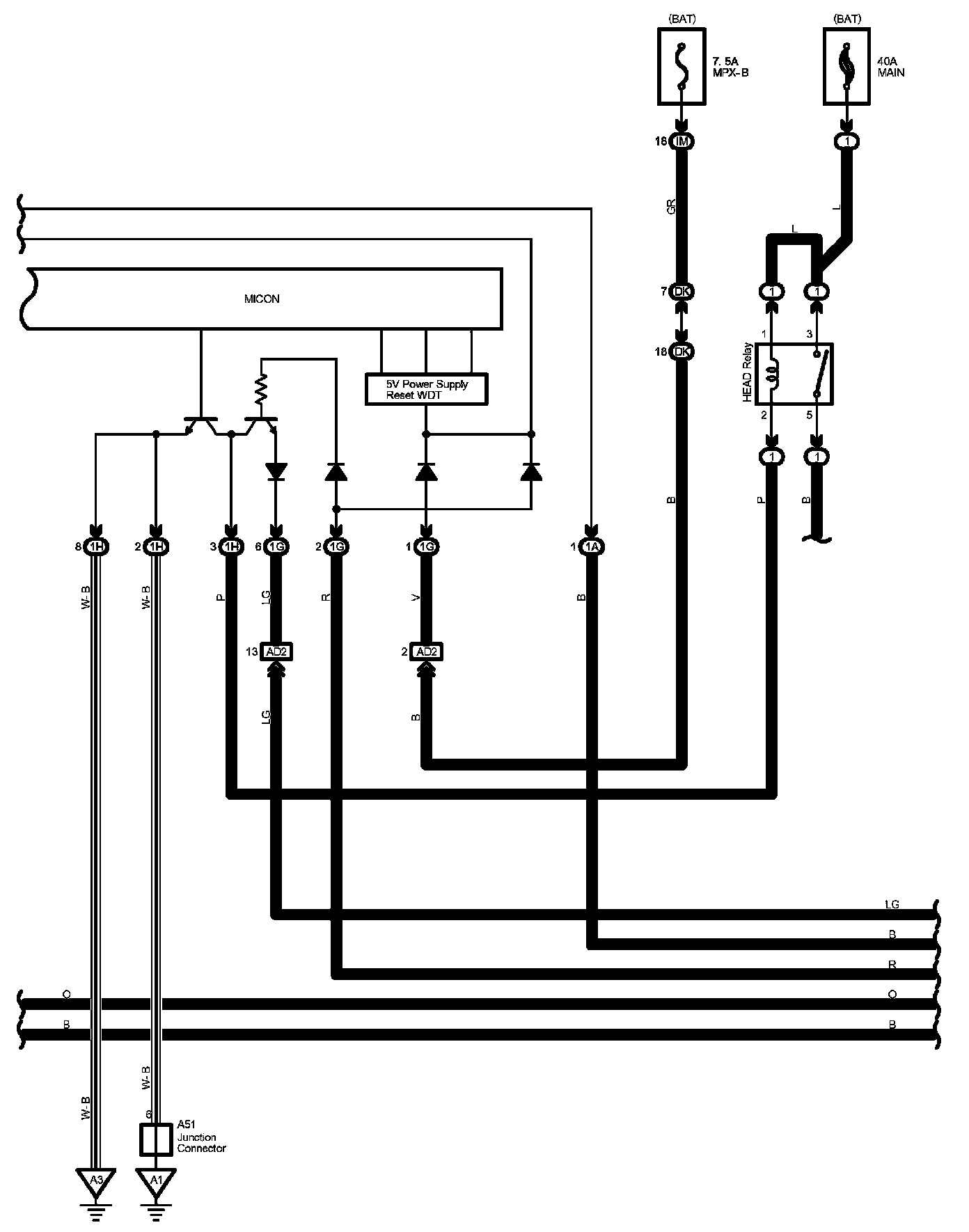
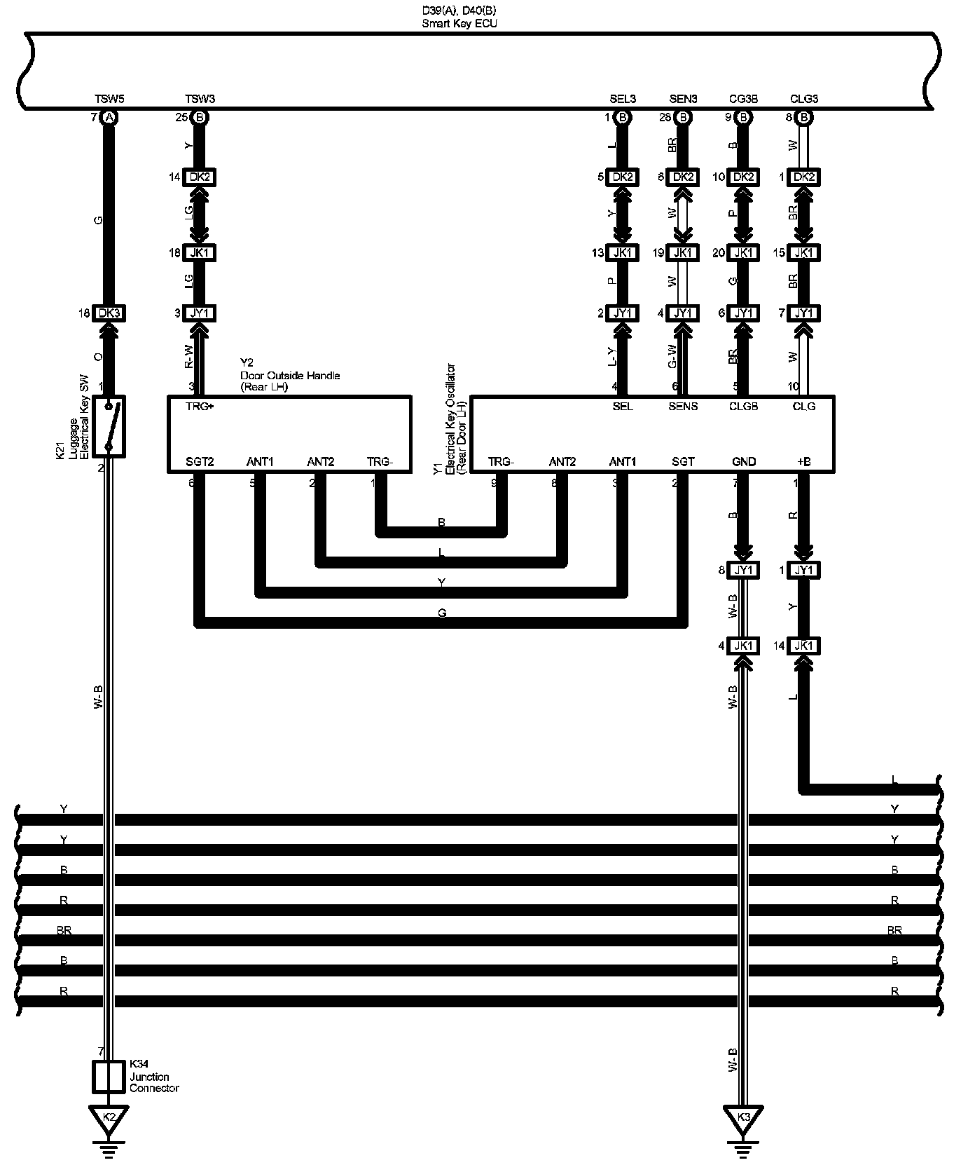
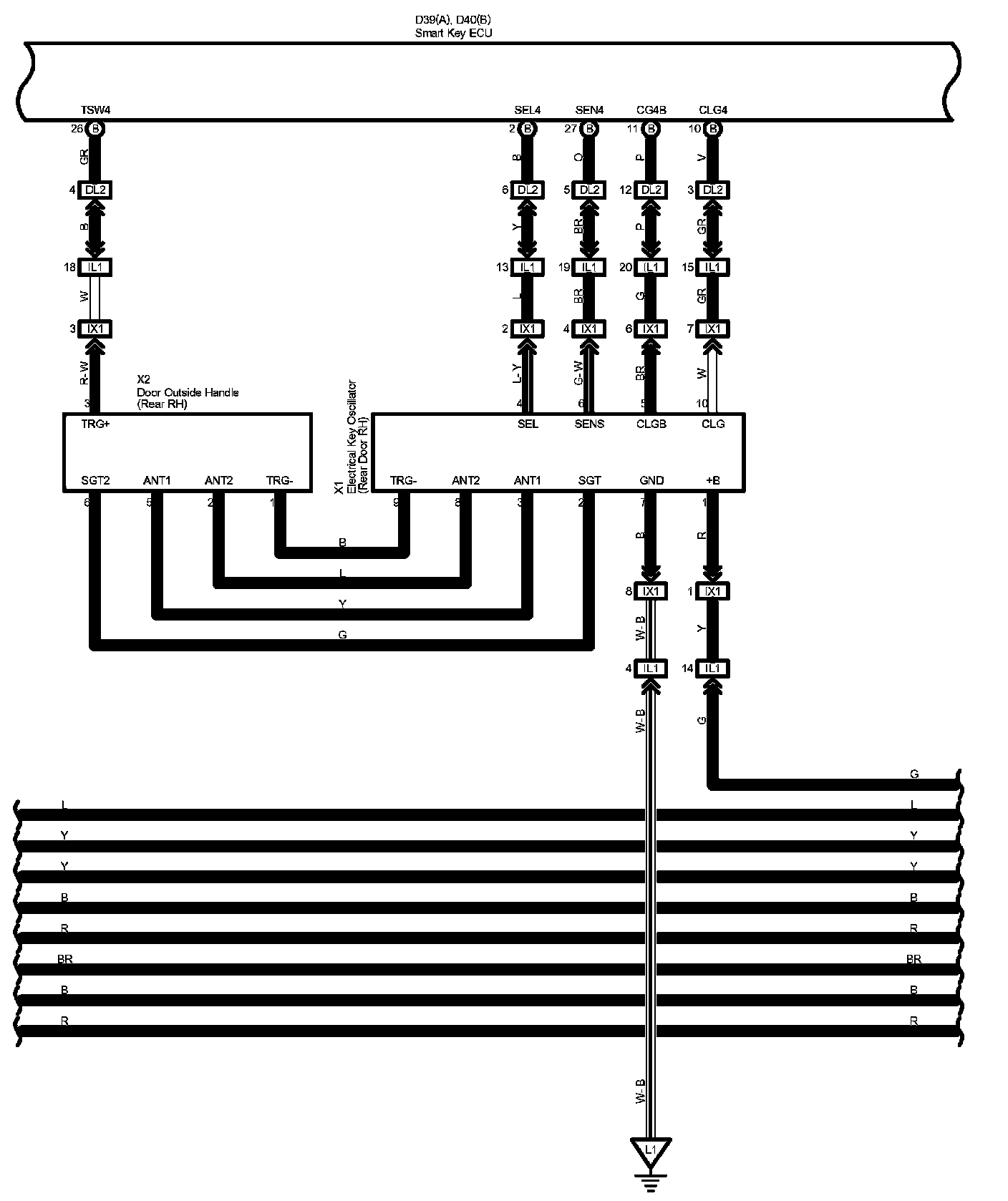
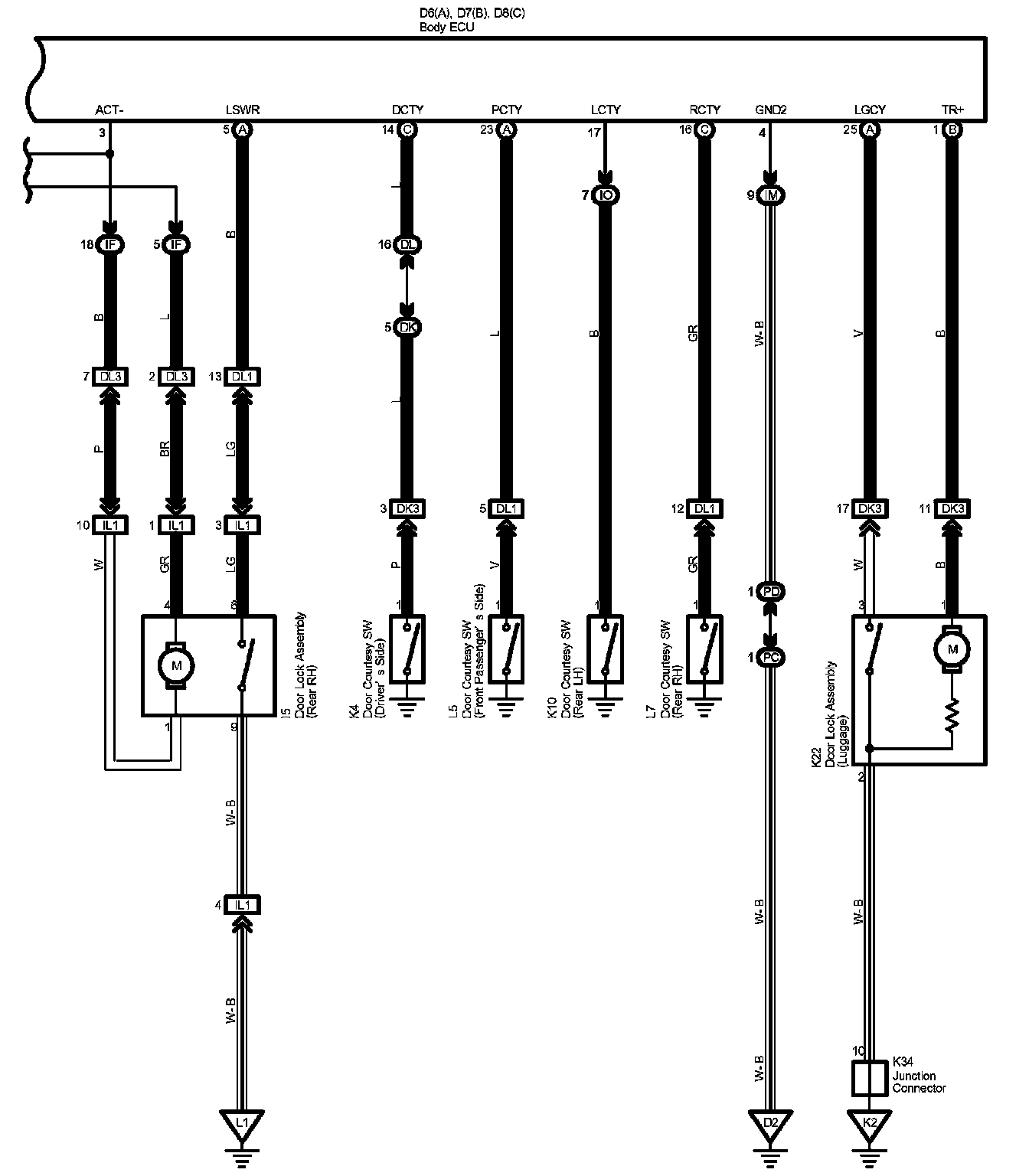
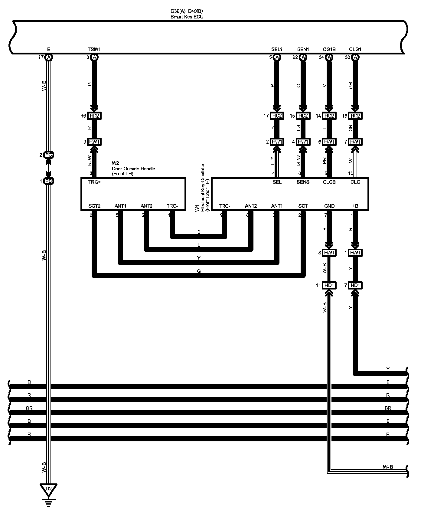
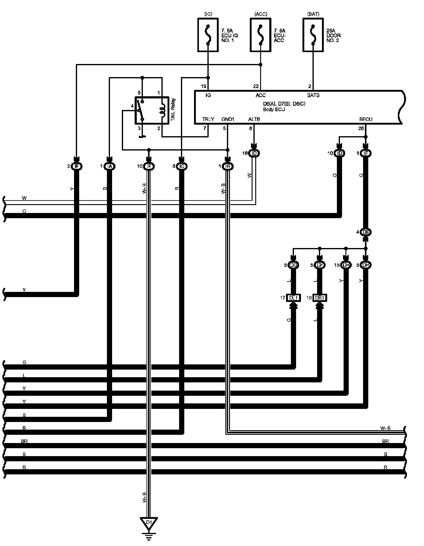
Wireless Door Lock Control With Smart Key System

Wireless Door Lock Control With Smart Key System Part 1:




Wireless Door Lock Control With Smart Key System Part 2:




Wireless Door Lock Control With Smart Key System Part 3:




Wireless Door Lock Control With Smart Key System Part 4:




Wireless Door Lock Control With Smart Key System Part 5:




Wireless Door Lock Control With Smart Key System Part 6:




Wireless Door Lock Control With Smart Key System Part 7:




Wireless Door Lock Control With Smart Key System Part 8:




Wireless Door Lock Control With Smart Key System Part 9:




Wireless Door Lock Control With Smart Key System Part 10:




Wireless Door Lock Control With Smart Key System Part 11:




Wireless Door Lock Control With Smart Key System Part 12:




Wireless Door Lock Control With Smart Key System Part 13:




Wireless Door Lock Control With Smart Key System Part 14:




Wireless Door Lock Control With Smart Key System Part 15:




Diagram Legend Part 1:




Diagram Legend Part 2:






Locations: The locations of components, connectors, ground points, and splices referred to within these diagrams can be found at Vehicle Locations. Locations

Connector Views: The connector views for connectors referred to within these diagrams can be found at the Vehicle level Connector Views. Connector Views