Operation CHARM: Car repair manuals for everyone.
Manuals through 2025 now available!

Our trusted friends have launched a new website named LEMON, which has newer manuals. It also contains all the CHARM manuals.

LEMON is the spiritual successor to CHARM, I recommend you try it!

Link: lemon-manuals.la or lemon-manuals.org.ua

(Some people have issue connecting. LEMON is investigating. For now, use Firefox or change your DNS server)

Or, hide this message: temporarily or permanently

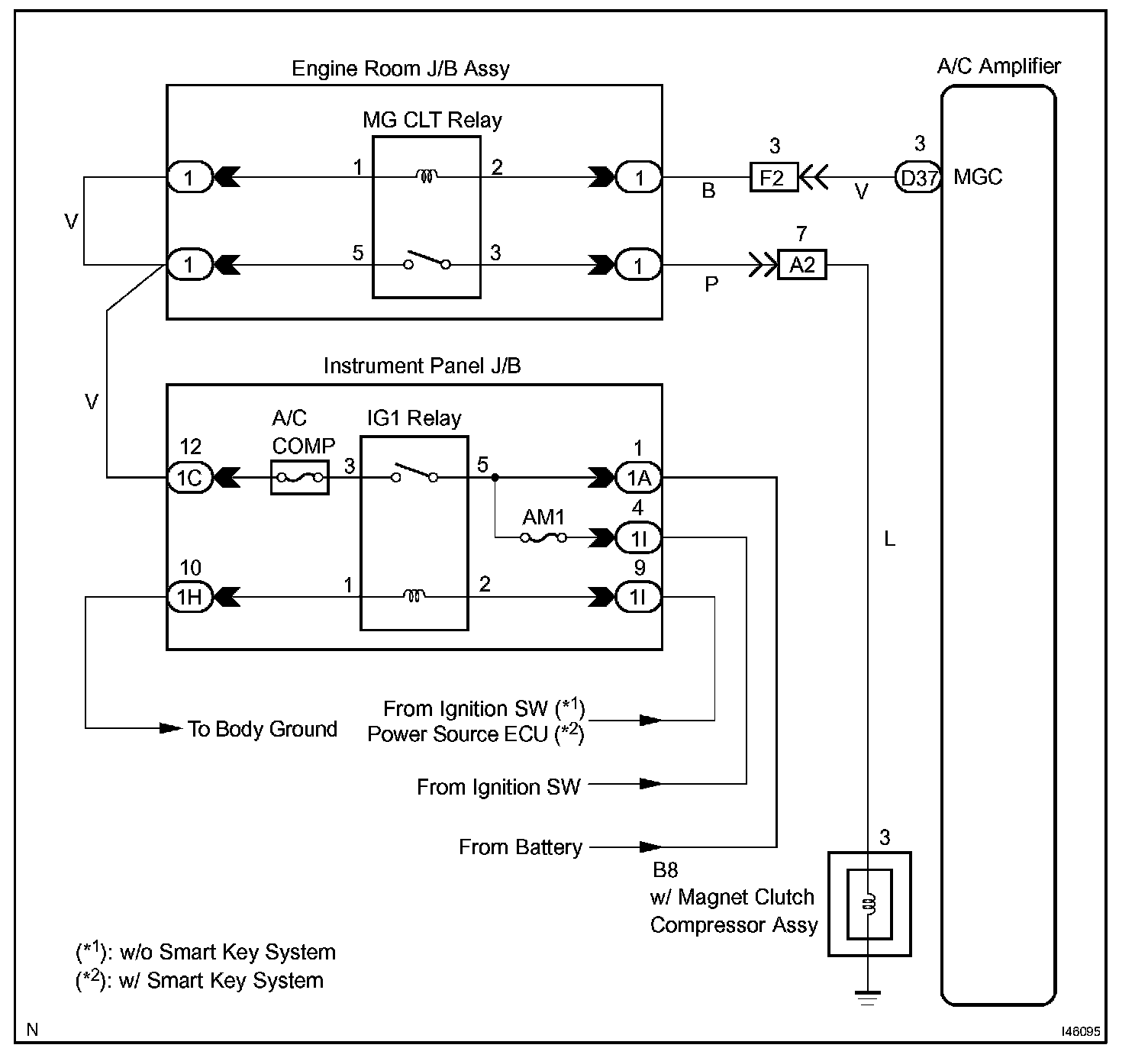
Compressor Circuit

COMPRESSOR CIRCUIT

CIRCUIT DESCRIPTION
When the A/C switch is turned on, the magnetic clutch ON signal is sent from the MGC terminal of the A/C amplifier. Then, the MG CLT relay turns on to operate the magnetic clutch.

Wiring Diagram:






Step 1 - 2:




Step 3 - 4:




Step 5:




INSPECTION PROCEDURE

HINT: When using the hand-held tester, start inspection step 1 and when not using the hand-held tester, start from step 2.