Operation CHARM: Car repair manuals for everyone.
Manuals through 2025 now available!

Our trusted friends have launched a new website named LEMON, which has newer manuals. It also contains all the CHARM manuals.

LEMON is the spiritual successor to CHARM, I recommend you try it!

Link: lemon-manuals.la or lemon-manuals.org.ua

(Some people have issue connecting. LEMON is investigating. For now, use Firefox or change your DNS server)

Or, hide this message: temporarily or permanently

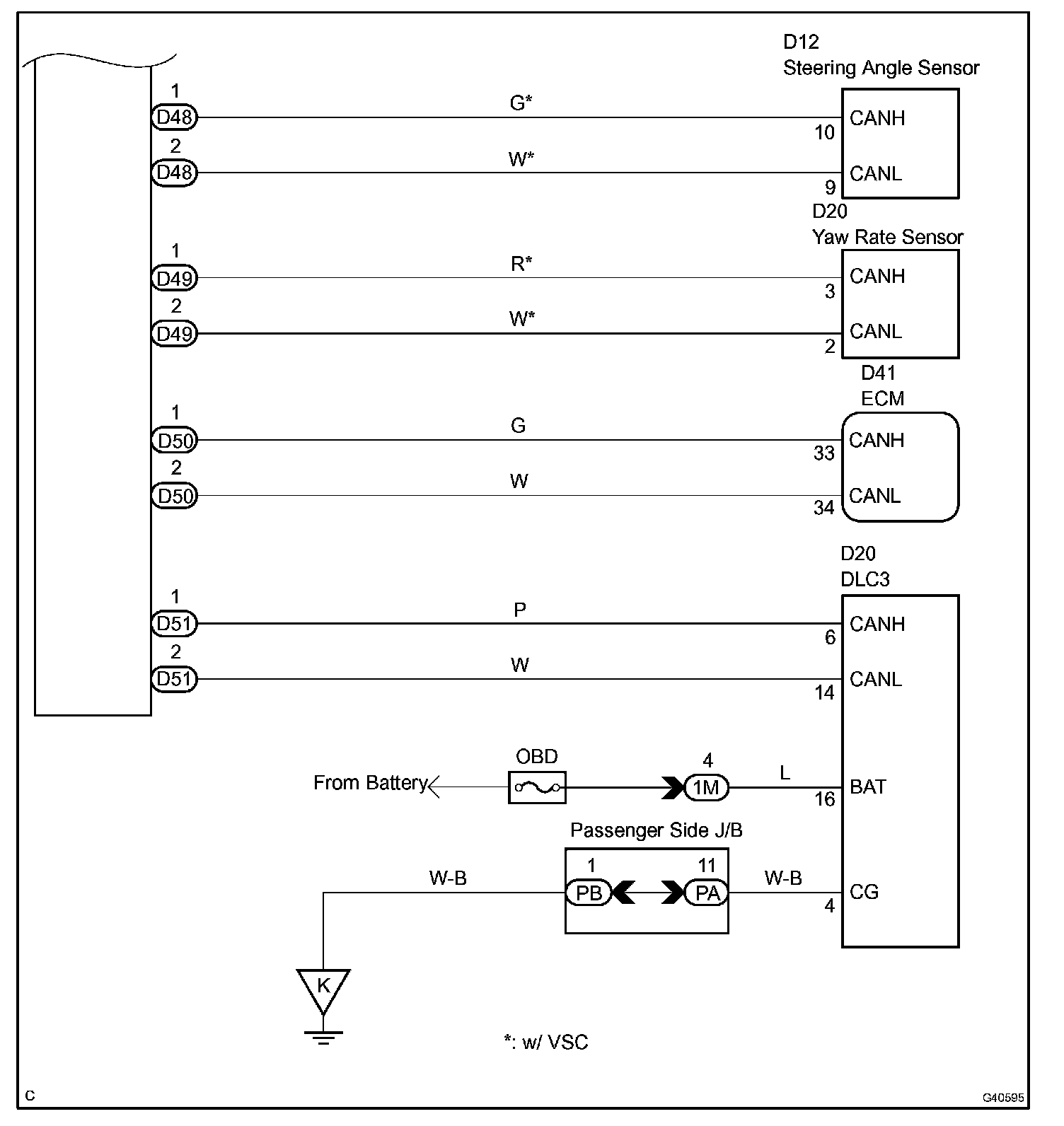
Check CAN Bus Line

CHECK CAN BUS LINE

CIRCUIT DESCRIPTION
When any DTC for the CAN communication system is output, first measure the resistance between the terminals of the DLC3 to specify the trouble area, and the check that there is no short in the CAN main bus line, between the CAN bus lines, to +B or to GND.

Wiring Diagram:




Wiring Diagram:






Step 1:




Step 2 - 3:




INSPECTION PROCEDURE