Operation CHARM: Car repair manuals for everyone.
Manuals through 2025 now available!

Our trusted friends have launched a new website named LEMON, which has newer manuals. It also contains all the CHARM manuals.

LEMON is the spiritual successor to CHARM, I recommend you try it!

Link: lemon-manuals.la or lemon-manuals.org.ua

(Some people have issue connecting. LEMON is investigating. For now, use Firefox or change your DNS server)

Or, hide this message: temporarily or permanently

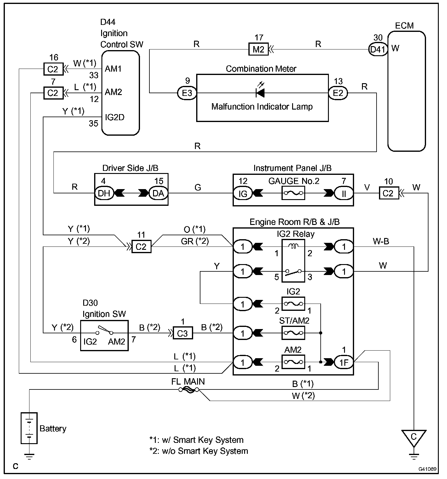
Malfunction Indicator Lamp: Testing and Inspection

MIL CIRCUIT

CIRCUIT DESCRIPTION

The MIL (Malfunction Indicator Lamp) is used to indicate vehicle malfunction detections by the ECM.

By turning the ignition switch on (IG), power is supplied to the MIL circuit, and the ECM provides the circuit ground, which illuminates the MIL.

The MIL operation can be checked visually: When the ignition switch is first turned on (IG), the MIL should be illuminated and should then turn off. If the MIL remains illuminated or is not illuminated, conduct the following troubleshooting procedure using the hand-held tester.

Wiring Diagram:









Step 1 - 4:




INSPECTION PROCEDURE

HINT: Troubleshoot each trouble symptom in accordance with the table.