Operation CHARM: Car repair manuals for everyone.
Manuals through 2025 now available!

Our trusted friends have launched a new website named LEMON, which has newer manuals. It also contains all the CHARM manuals.

LEMON is the spiritual successor to CHARM, I recommend you try it!

Link: lemon-manuals.la or lemon-manuals.org.ua

(Some people have issue connecting. LEMON is investigating. For now, use Firefox or change your DNS server)

Or, hide this message: temporarily or permanently

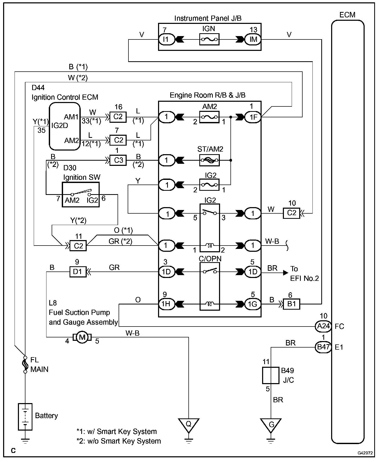
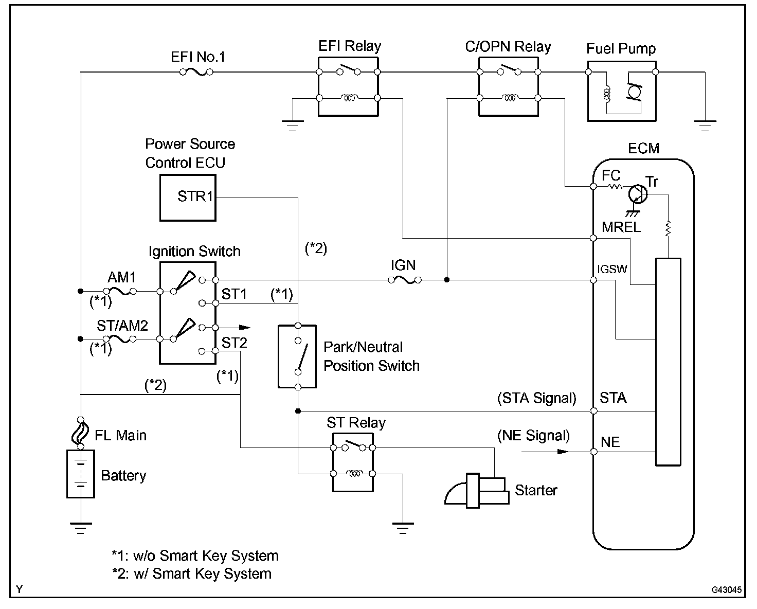
Fuel Pump Control Circuit

FUEL PUMP CONTROL CIRCUIT

CIRCUIT DESCRIPTION




In the diagram, when the engine is cranked, current flows from terminal ST1 (STR1) of the ignition switch (power source control ECU) to the starter relay (Marking: ST) coil and also current flows to terminal STA of ECM (STA signal).

When the STA signal and NE signal are input to the ECM, Tr is turned ON, current flows to coil of the circuit opening relay (Marking: C/OPN), the relay switches on, power is supplied to the fuel pump and the fuel pump operates.

While the NE signal is generated (engine running), the ECM keeps Tr ON (circuit opening relay ON) and the fuel pump also keeps operating.

Wiring Diagram:






Step 1 - 3:




Step 4 - 6:




Step 7:




INSPECTION PROCEDURE