Operation CHARM: Car repair manuals for everyone.
Manuals through 2025 now available!

Our trusted friends have launched a new website named LEMON, which has newer manuals. It also contains all the CHARM manuals.

LEMON is the spiritual successor to CHARM, I recommend you try it!

Link: lemon-manuals.la or lemon-manuals.org.ua

(Some people have issue connecting. LEMON is investigating. For now, use Firefox or change your DNS server)

Or, hide this message: temporarily or permanently

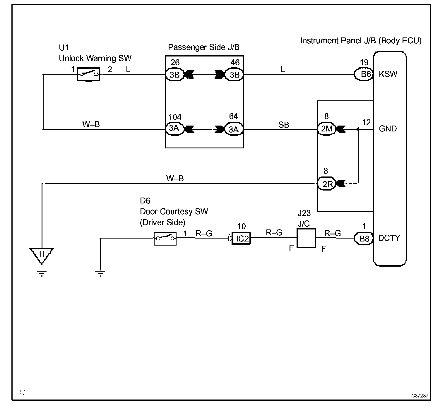
Key Lock-In Prevention Function Does Not Work Properly (Manual Operation and Interlocked With Key Are Active)

KEY LOCK-IN PREVENTION FUNCTION DOES NOT WORK PROPERLY (MANUAL OPERATION AND INTERLOCKED WITH KEY ARE ACTIVE)

CIRCUIT DESCRIPTION
Body ECU senses, by the unlock warning switch, that the key is in the key cylinder. Because of this, the body ECU will unlock all the doors immediately after locking them if a door is locked while the key is in the key cylinder.

Wiring Diagram:






Step 1 - 2:




Step 3 - 4:




INSPECTION PROCEDURE