Operation CHARM: Car repair manuals for everyone.
Manuals through 2025 now available!

Our trusted friends have launched a new website named LEMON, which has newer manuals. It also contains all the CHARM manuals.

LEMON is the spiritual successor to CHARM, I recommend you try it!

Link: lemon-manuals.la or lemon-manuals.org.ua

(Some people have issue connecting. LEMON is investigating. For now, use Firefox or change your DNS server)

Or, hide this message: temporarily or permanently

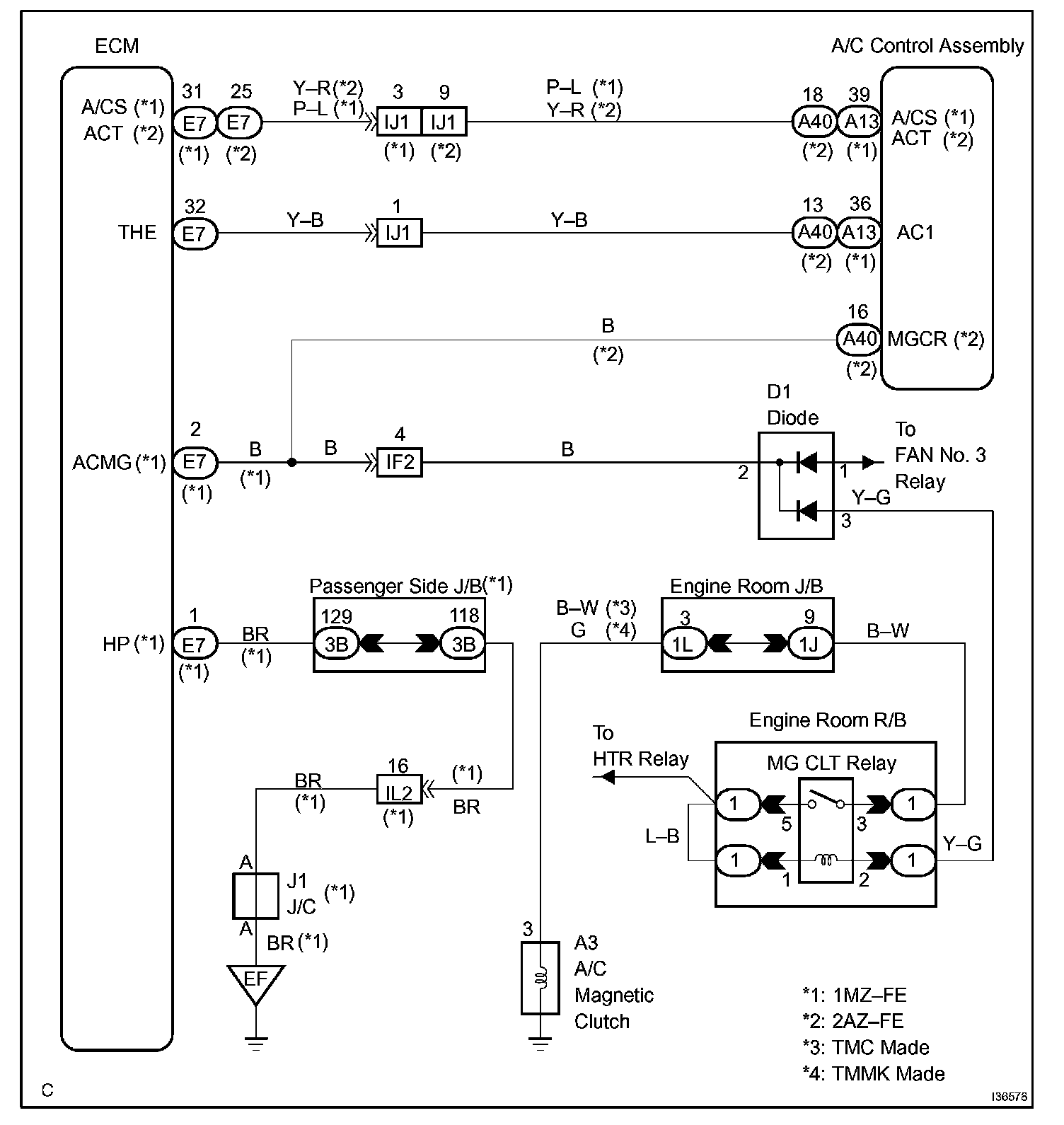
Compressor Clutch: Testing and Inspection

COMPRESSOR CIRCUIT

CIRCUIT DESCRIPTION
The A/C amplifier outputs the magnetic clutch ON signal from terminal AC1 to the ECM receives this signal, it sends a signal from terminal ACMG (MGCR) and switches the magnetic clutch relay ON, thus turning on the magnetic clutch.

Wiring Diagram:






Step 1 - 3:




Step 4 - 5:




Step 6 - 8:




Step 9:




Step 10:




INSPECTION PROCEDURE