Operation CHARM: Car repair manuals for everyone.
Manuals through 2025 now available!

Our trusted friends have launched a new website named LEMON, which has newer manuals. It also contains all the CHARM manuals.

LEMON is the spiritual successor to CHARM, I recommend you try it!

Link: lemon-manuals.la or lemon-manuals.org.ua

(Some people have issue connecting. LEMON is investigating. For now, use Firefox or change your DNS server)

Or, hide this message: temporarily or permanently

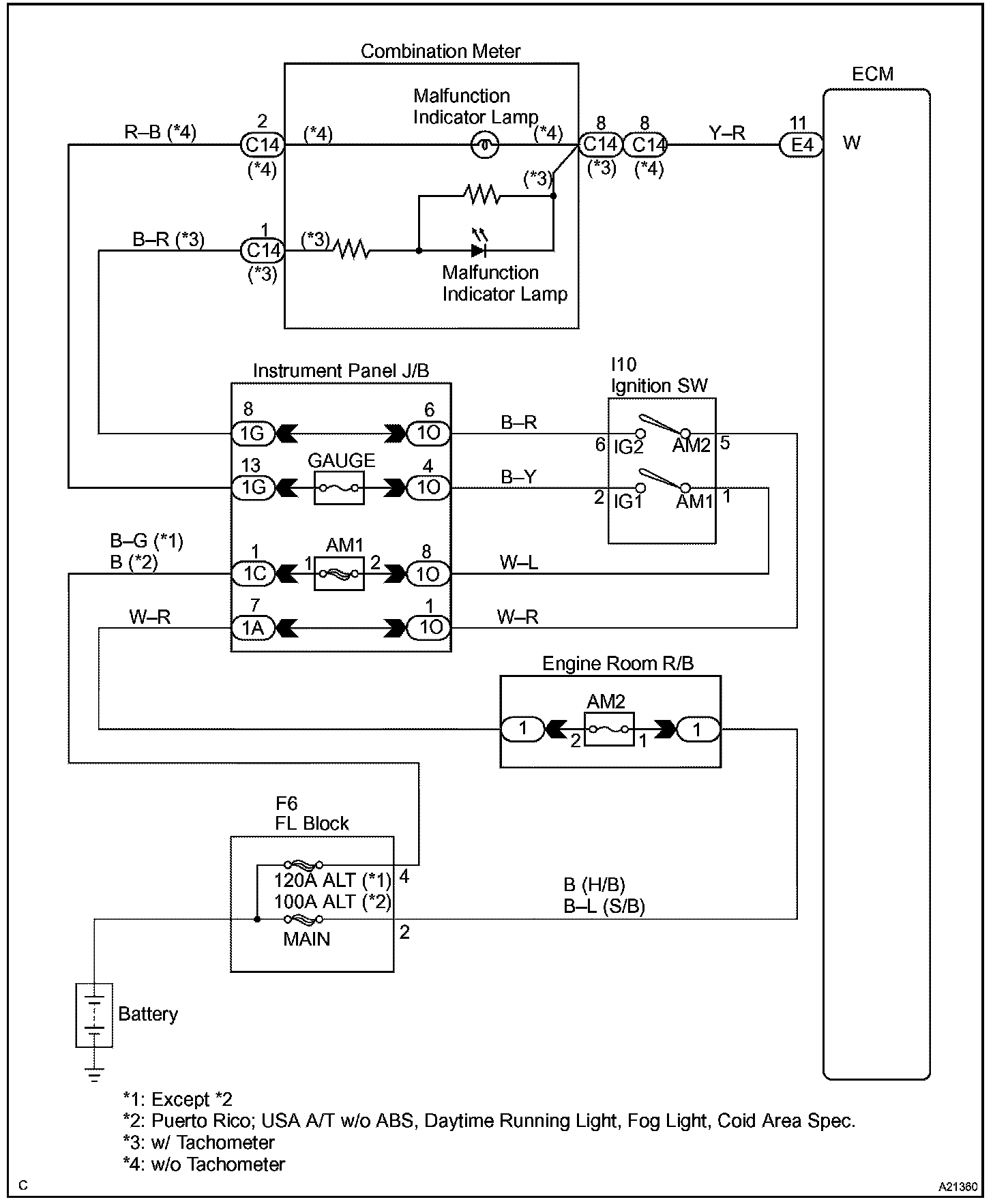
Malfunction Indicator Lamp: Testing and Inspection

MIL Circuit

CIRCUIT DESCRIPTION
The MIL (Malfunction Indicator Lamp) is used to indicate the ECM detection of vehicle malfunctions.

By turning the ignition switch to ON, the power is supplied to the MIL circuit, and the ECM provides the circuit ground that illuminates the MIL.

Operation of the MIL should be checked visually:
When the ignition switch is first turned to ON, the MIL should be illuminated. If it is always OFF or ON, use the hand-held tester or OBD II scan tool and follow the procedure to determine cause of the problem.

Wiring Diagram:






INSPECTION PROCEDURE




Step 1 - 2:




Step 3 - 4:






HINT: Troubleshoot each trouble symptom in accordance with the chart.