Operation CHARM: Car repair manuals for everyone.
Manuals through 2025 now available!

Our trusted friends have launched a new website named LEMON, which has newer manuals. It also contains all the CHARM manuals.

LEMON is the spiritual successor to CHARM, I recommend you try it!

Link: lemon-manuals.la or lemon-manuals.org.ua

(Some people have issue connecting. LEMON is investigating. For now, use Firefox or change your DNS server)

Or, hide this message: temporarily or permanently

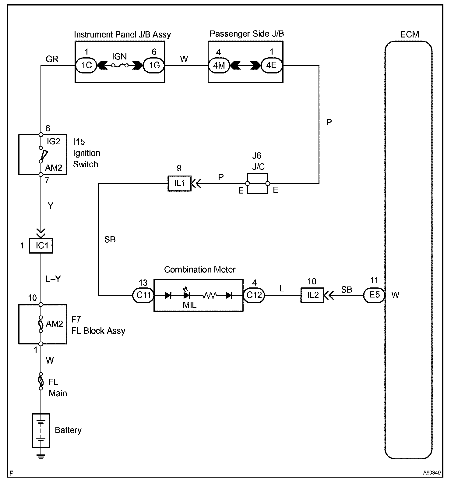
Malfunction Indicator Lamp: Testing and Inspection

MIL CIRCUIT

CIRCUIT DESCRIPTION
The Malfunction Indicator Lamp (MIL) is used to indicate the ECM's detection of a vehicle malfunction. The instrument panel IG2 fuse provides circuit power and the ECM provides the circuit ground that illuminates the MIL.

MIL operations should be checked visually:

The MIL should be illuminated when the ignition is first turned ON. If the MIL is always ON or OFF, use the hand-held tester or OBD II scan tool and follow the procedures to determine the cause of problem.

Wiring Diagram:






INSPECTION PROCEDURE




Step 1 - 3:




Step 4:






HINT: Troubleshoot each trouble symptom in accordance with the chart.