Operation CHARM: Car repair manuals for everyone.
Manuals through 2025 now available!

Our trusted friends have launched a new website named LEMON, which has newer manuals. It also contains all the CHARM manuals.

LEMON is the spiritual successor to CHARM, I recommend you try it!

Link: lemon-manuals.la or lemon-manuals.org.ua

(Some people have issue connecting. LEMON is investigating. For now, use Firefox or change your DNS server)

Or, hide this message: temporarily or permanently

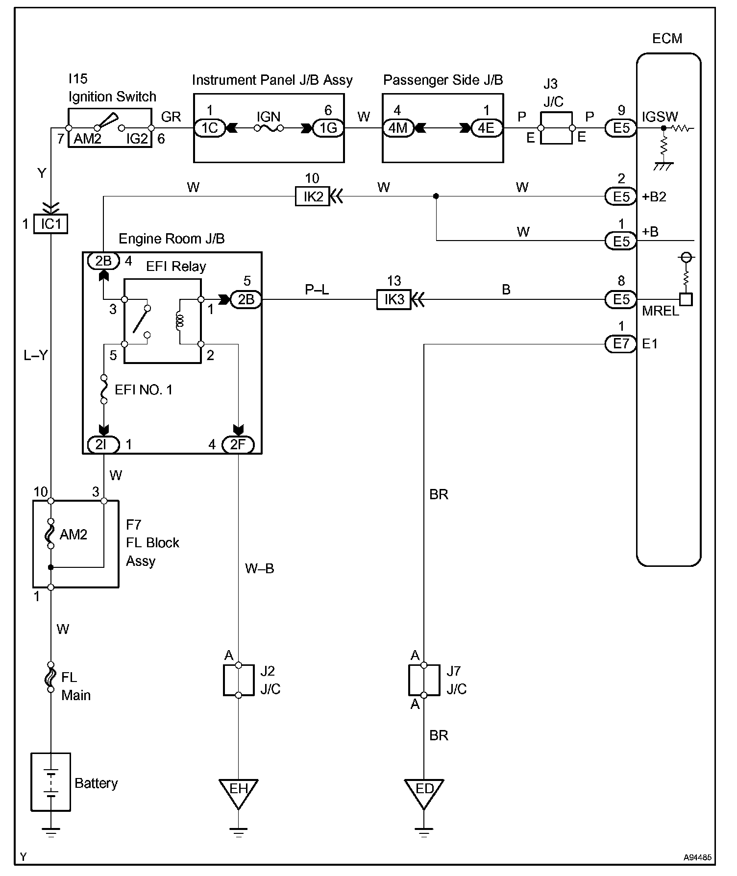
ECM Power Source Circuit

ECM POWER SOURCE CIRCUIT

CIRCUIT DESCRIPTION
When the ignition switch is turned ON, battery voltage is applied to terminal IGSW of the ECM. The ECM "MREL" output signal causes current to flow to the coil, closing the contacts of the EFI main relay (Marking:
EFI) and supplying power to terminal +B of the ECM.

If the ignition switch is turned OFF, the ECM holds the EFI main relay ON for a maximum of 2 seconds to allow for the initial setting of the throttle valve.

Wiring Diagram:






Step 1 - 3:




Step 4 - 6:




Step 7 - 9:




INSPECTION PROCEDURE