Operation CHARM: Car repair manuals for everyone.
Manuals through 2025 now available!

Our trusted friends have launched a new website named LEMON, which has newer manuals. It also contains all the CHARM manuals.

LEMON is the spiritual successor to CHARM, I recommend you try it!

Link: lemon-manuals.la or lemon-manuals.org.ua

(Some people have issue connecting. LEMON is investigating. For now, use Firefox or change your DNS server)

Or, hide this message: temporarily or permanently

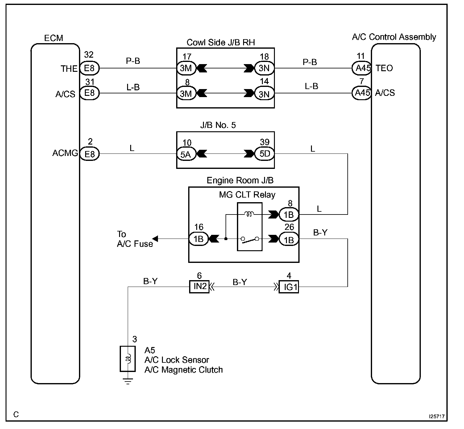
Compressor Circuit

Compressor Magnetic Clutch Circuit

CIRCUIT DESCRIPTION

The A/C amplifier outputs the magnetic clutch ON signal from terminal A/CS to the ECM. When the ECM receives this signal, it sends a signal from terminal ACMG and switches the A/C magnetic clutch relay ON, thus turning on the A/C magnetic clutch.

Wiring Diagram:






Step 1 - 2:




Step 3 - 5:




Step 6 - 7:




INSPECTION PROCEDURE

HINT: In case of using the hand-held tester, start the inspection from step 1 and in case of not using the hand-held tester, start from step 3.