Operation CHARM: Car repair manuals for everyone.
Manuals through 2025 now available!

Our trusted friends have launched a new website named LEMON, which has newer manuals. It also contains all the CHARM manuals.

LEMON is the spiritual successor to CHARM, I recommend you try it!

Link: lemon-manuals.la or lemon-manuals.org.ua

(Some people have issue connecting. LEMON is investigating. For now, use Firefox or change your DNS server)

Or, hide this message: temporarily or permanently

Front Wheel Alignment

INSPECTION





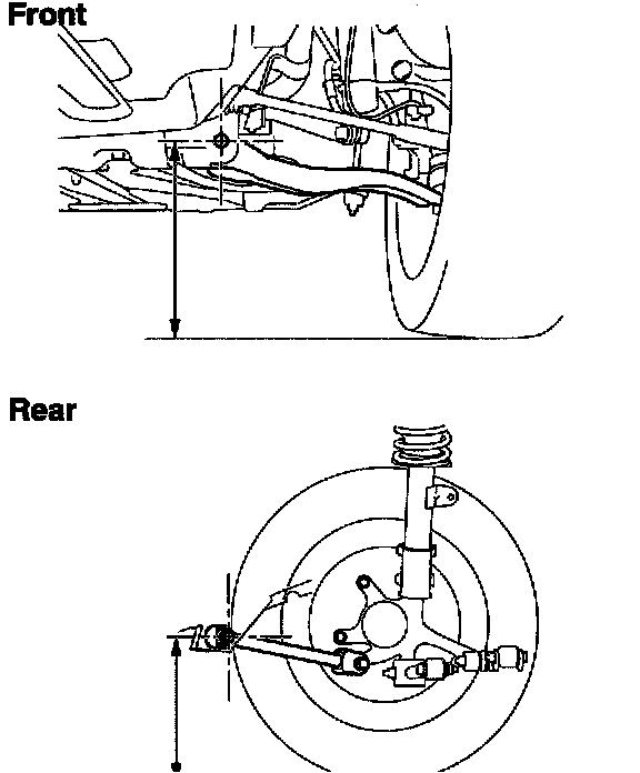
1. MEASURE VEHICLE HEIGHT





Vehicle height
*1: Front measuring point
Measure the distance from the ground to the center of the front side lower suspension arm mounting bolt.
*2: Rear measuring point
Measure the distance from the ground to the center of the front side strut rod mounting bolt.

NOTICE: Before inspecting the wheel alignment, adjust the vehicle height to the specified value.

If the vehicle height is not the specified value, try to adjust it by pushing down on or lifting the body.





2. INSTALL CAMBER-CASTER-KINGPIN GAUGE OR POSITION VEHICLE ON WHEEL ALIGNMENT TESTER
Follow the specific instructions of the equipment manufacturer.
3. INSPECT CAMBER, CASTER AND STEERING AXIS INCLINATION





Camber, caster and steering axis inclination

If the caster and steering axis inclination are not within the specified values, after the camber has been correctly adjusted, recheck the suspension parts for damaged and/or worn out parts.
4. ADJUST CAMBER

NOTICE: After the camber has been adjusted, inspect the toe-in.

a. Remove the front wheel.





b. Remove the 2 nuts on the lower side of the shock absorber.
c. Coat the threads of the nuts with engine oil.
d. Temporarily install the 2 nuts.





e. Adjust the camber by pushing or pulling the lower side of the shock absorber in the direction in which the camber adjustment is required.
f. Tighten the nuts.
Torque: 140 Nm (1,430 kgf-cm, 103 ft. lbs.)
g. Install the front wheel.
Torque: 103 Nm (1,050 kgf-cm, 76 ft. lbs.)





h. Check the camber.

HINT:
^ Try to adjust the camber to the center of the specified value.
^ Adjusting value for the set bolts is 6' - 30' (0.1° - 0.5°).

If the camber is not within the specified value, using the following table, estimate how much additional camber adjustment will be required, and select the camber adjusting bolt.

NOTICE: Tighten the adjusting bolt with a washer and a new nut.

i. Do the steps mentioned above again. Between step (b) and (c), replace 1 or 2 selected bolts.

HINT: When replacing the 2 bolts, replace 1 bolt for each time.





5. INSPECT TOE-IN





Toe-in

If the toe-in is not within the specified value, adjust it at the rack ends.
6. ADJUST TOE-IN
a. Remove the rack boot set clips.
b. Loosen the tie rod end lock nuts.





c. Turn the right and left rack ends by an equal amount to adjust the toe-in.

HINT: Try to adjust the toe-in to the center of the specified value.





d. Make sure that the lengths of the right and left rack ends are the same.
Rack end length difference: 1.5 mm (0.059 inch) or less
e. Torque the tie rod end lock nuts.
Torque: 47 Nm (479 kgf-cm, 35 ft. lbs.)
f. Place the boots on the seats and install the clips.

HINT: Make sure that the boots are not twisted.





7. INSPECT WHEEL ANGLE
Turn the steering wheel fully, and measure the turning angle.





Wheel turning angle

If the right and left inside wheel angles differ from the specified value, check the right and left rack end lengths.