Operation CHARM: Car repair manuals for everyone.
Manuals through 2025 now available!

Our trusted friends have launched a new website named LEMON, which has newer manuals. It also contains all the CHARM manuals.

LEMON is the spiritual successor to CHARM, I recommend you try it!

Link: lemon-manuals.la or lemon-manuals.org.ua

(Some people have issue connecting. LEMON is investigating. For now, use Firefox or change your DNS server)

Or, hide this message: temporarily or permanently

EVAP System

EVAP INSPECTION PROCEDURE







DTCS RELATING TO EVAP SYSTEM

CIRCUIT DESCRIPTION







While the engine is running, if a predetermined condition (closed-loop, etc.) is met, the purge VSV is opened by the ECM and stored fuel vapors in the canister are purged to the intake manifold. The ECM changes the duty cycle ratio of the purge VSV to control purge flow volume.

The purge flow volume is also determined by the intake manifold pressure. Atmospheric pressure is allowed into the canister through the vent valve to ensure that the purge flow is maintained when the negative pressure (vacuum) is applied to the canister.

The following two monitors run to confirm appropriate EVAP system operation.

Key-off monitor
This monitor checks for EVAP (Evaporative Emission) system leaks and pump module malfunctions. The monitor starts 5 hours (-15 minutes) after the ignition switch is turned to OFF. 5 hours are required to allow enough time for the fuel to cool down to stabilize the Fuel Tank Pressure (FTP), thus making the EVAP system monitor more accurate.

The electric vacuum pump creates negative pressure (vacuum) in the EVAP system and the pressure is measured. Finally, the ECM monitors for leaks from the EVAP system, and malfunctions in both the pump module and purge VSV, based on the EVAP pressure.

Purge flow monitor
The purge flow monitor consists of the two monitors. The 1st monitor is always conducted every time and the 2nd monitor is activated if necessary.
- The 1st monitor
While the engine is running and the purge VSV (Vacuum Switching Valve) is ON (open), the ECM monitors the purge flow by measuring the EVAP pressure change. If negative pressure is not created, the ECM begins the 2nd monitor.
- The 2nd monitor
The vent valve is turned OFF (open) and the EVAP pressure is then measured. If the variation in the pressure is less than 0.5 kpa (3.75 mmHg), the ECM interprets this as the purge VSV being stuck closed, and illuminates the MIL and sets DTC P0441 (2 trip detection logic).

Atmospheric pressure check:













In order to ensure reliable malfunction detection, the variation between the atmospheric pressures, before and after conduction of the purge flow monitor, is measured by the ECM.

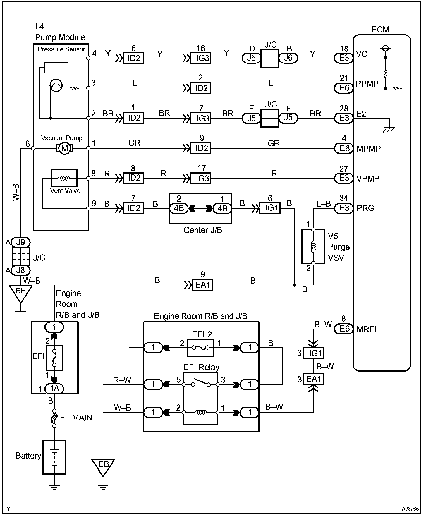
Wiring Diagram:






INSPECTION PROCEDURE

NOTE: A hand-held tester is required to conduct the following diagnostic troubleshooting procedure.

Step 1:




Step 2:




Step 3:




Step 4:




Step 5:




Step 6:




Step 7:




Step 8:




Step 9:




Step 10:




Step 11:




Step 12 - 13:




Step 14 - 15:




Step 16 - 17:




Step 18 - 19:




Step 20:




Step 21 - 22:




Step 23:




Step 24 - 26:




Step 27 - 29:




Step 30 - 35:




Step 36:






HINT:
- Using hand-held tester monitor results enables the EVAP (Evaporative Emission) system to be confirmed.
- Read freeze frame data using a hand-held tester or OBD II scan tool. Freeze frame data record the engine condition when malfunctions are detected. When troubleshooting, freeze frame data can help determine if the vehicle was moving or stationary, if the engine was warmed up or not, if the air-fuel ratio was lean or rich, and other data, from the time the malfunction occurred.