Operation CHARM: Car repair manuals for everyone.
Manuals through 2025 now available!

Our trusted friends have launched a new website named LEMON, which has newer manuals. It also contains all the CHARM manuals.

LEMON is the spiritual successor to CHARM, I recommend you try it!

Link: lemon-manuals.la or lemon-manuals.org.ua

(Some people have issue connecting. LEMON is investigating. For now, use Firefox or change your DNS server)

Or, hide this message: temporarily or permanently

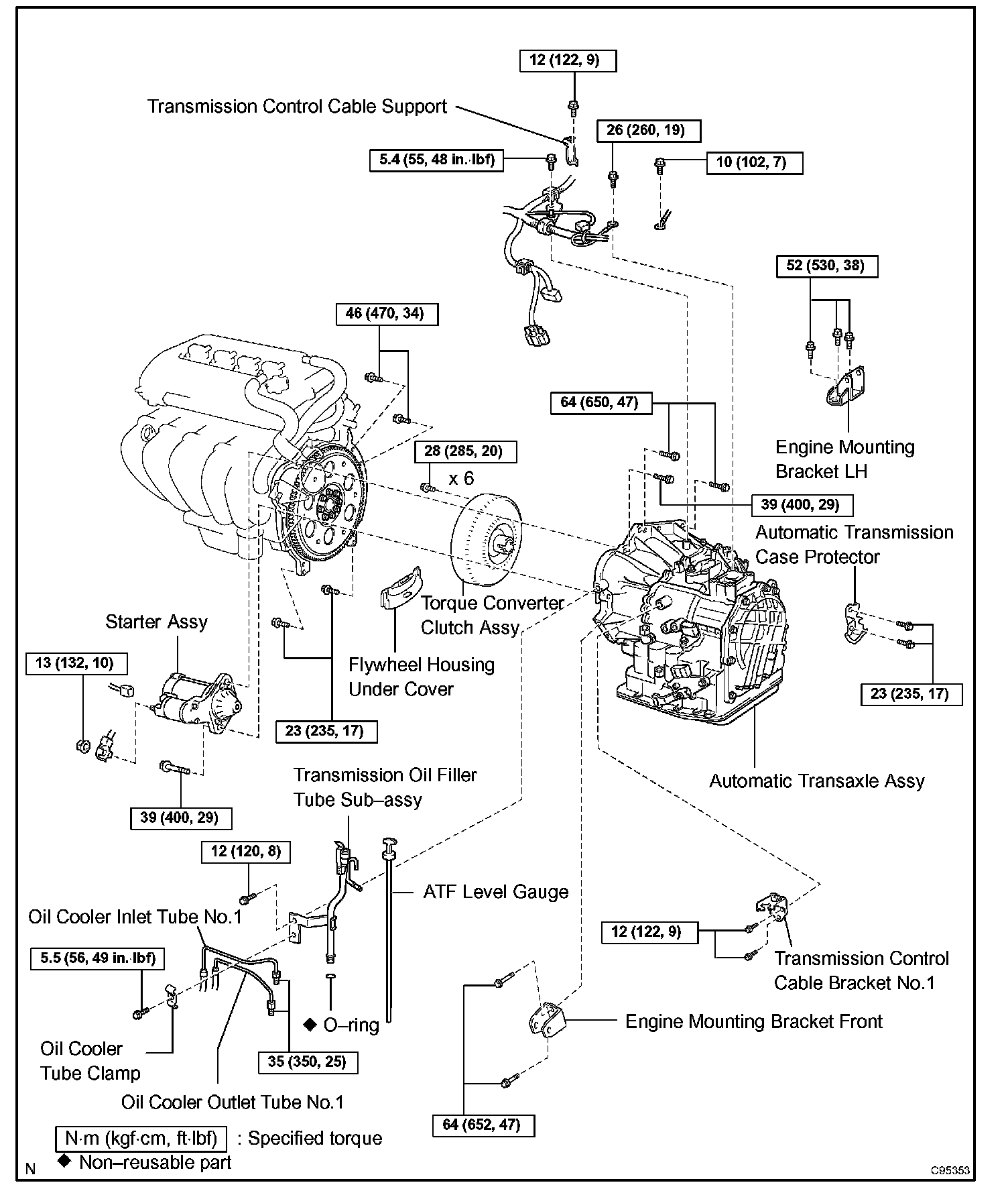
Automatic Transaxle Replacement

AUTOMATIC TRANSAXLE ASSEMBLY (U341F)





COMPONENTS

REPLACEMENT
1. REMOVE ENGINE ASSEMBLY WITH TRANSAXLE
2. REMOVE TRANSFER ASSEMBLY
3. REMOVE AUTOMATIC TRANSMISSION CASE PROTECTOR
a. Remove the 2 bolts and case protector.
4. REMOVE FRONT DRIVE SHAFT ASSEMBLY LH
SST 09520-01010, 09520-24010 (09520-320401)





5. REMOVE TRANSMISSION CONTROL CABLE SUPPORT
a. Remove the bolt and control cable support.
6. REMOVE TRANSMISSION CONTROL CABLE BRACKET NO.1
a. Remove the 2 bolts and control cable bracket.





7. DISCONNECT WIRE HARNESS
a. Remove the bolt and disconnect the wire harness clamp bracket.





b. Remove the 2 bolts and disconnect the 2 wire harnesses.
8. DISCONNECT CONNECTOR
a. Disconnect the transmission wire connector.
b. Disconnect the park/neutral position switch connector.
c. Disconnect the transmission revolution sensor connector.





9. REMOVE TRANSMISSION OIL FILLER TUBE SUB-ASSEMBLY
a. Remove the ATF lever gauge.
b. Remove the 2 bolts, oil cooler tube clamp and oil filler tube.
c. Remove the O-ring from the oil filler tube.





10. REMOVE OIL COOLER OUTLET TUBE NO.1
SST 09023-12701
11. REMOVE OIL COOLER INLET TUBE NO.1
SST 09023-12701





12. REMOVE ENGINE MOUNTING BRACKET LH
a. Remove the 3 bolts and engine mounting bracket LH from the automatic transaxle.





13. REMOVE ENGINE MOUNTING BRACKET FRONT
a. Remove the 2 bolts and engine mounting bracket front from the automatic transaxle.
14. REMOVE FLYWHEEL HOUSING UNDER COVER





15. REMOVE AUTOMATIC TRANSAXLE ASSEMBLY
a. Turn the crankshaft to gain access and remove the 6 bolts while holding the crankshaft pulley bolt with a wrench.

HINT: There will be one yellowish green colored bolt.





b. Remove the 6 bolts.
c. Remove the automatic transaxle from the engine.
16. REMOVE TORQUE CONVERTER CLUTCH ASSEMBLY
17. INSPECT TORQUE CONVERTER CLUTCH ASSEMBLY
SST 09350-32014 (09351-32010, 09351-32020)





18. INSTALL TORQUE CONVERTER CLUTCH ASSEMBLY
a. Using vernier calipers, measure the dimension A between the transaxle fitting part of the engine and the converter fitting part of the drive plate.





b. Set the key of the front oil pump drive gear at the top and put a mark on the housing.





c. Put a mark on the torque converter so that its groove can be clearly indicated.





d. Match the 2 marks on the case and the converter and fit the splined part of the input shaft to the spline part of the turbine runner.





e. Rotating the converter, fit the spline part of the stator shaft with the spline part of the stator.

HINT: Rotate it about 180 degrees.





f. Rotating the converter, match the 2 marks on the case and the converter again and fit the key of the oil pump drive gear into the key way of the converter.

NOTICE: When rotating the converter, do not push it by excessive force.





g. Using vernier calipers and a straight edge, measure the dimension B shown in the illustration and check that B is greater than A measured in (a).
Standard: A + 1 mm (0.04 inch) or more

NOTICE: Do not add the thickness of straight edge.





19. INSTALL AUTOMATIC TRANSAXLE ASSEMBLY
a. Install the automatic transaxle to the engine with the 6 bolts.
Torque:
Bolt A: 64 Nm (650 kgf-cm, 47 ft. lbs.)
Bolt B: 46 Nm (470 kgf-cm, 34 ft. lbs.)
Bolt C: 23 Nm (235 kgf-cm, 17 ft. lbs.)





b. Install the 6 torque converter mounting bolts.
Torque: 28 Nm (285 kgf-cm, 20 ft. lbs.)

HINT: First install yellowish green colored bolt and then the remaining 5 bolts.

20. INSTALL FLYWHEEL HOUSING UNDER COVER





21. INSTALL ENGINE MOUNTING BRACKET FRONT
a. Install the engine mounting bracket front to the automatic transaxle with the 2 bolts.
Torque: 64 Nm (652 kgf-cm, 47 ft. lbs.)





22. INSTALL ENGINE MOUNTING BRACKET LH
a. Install the engine mounting bracket LH to the automatic transaxle with the 3 bolts.
Torque: 52 Nm (530 kgf-cm, 38 ft. lbs.)
23. INSTALL TRANSMISSION OIL FILLER TUBE SUB-ASSEMBLY
a. Temporarily install the oil cooler outlet tube No.1.
b. Temporarily install the oil cooler inlet tube No.1.
c. Coat a new O-ring with ATF, and install them to the oil filler tube.
d. Install the oil filler tube to the automatic transaxle.





e. Install the oil cooler tube clamp and 2 bolts.
Torque:
Bolt A: 12 Nm (120 kgf-cm, 8 ft. lbs.)
Bolt B: 5.5 Nm (56 kgf-cm, 49 inch lbs.)
f. Install the ATF lever gauge.
24. INSTALL OIL COOLER OUTLET TUBE NO.1
a. Tighten the oil cooler outlet tube No.1.
Torque: 35 Nm (350 kgf-cm, 25 ft. lbs.)





25. INSTALL OIL COOLER INLET TUBE NO.1
a. Tighten the oil cooler inlet tube No.1.
Torque: 35 Nm (350 kgf-cm, 25 ft. lbs.)
26. CONNECTOR
a. Connect the transmission wire connector.
b. Connect the park/neutral position switch connector.
c. Connect the transmission revolution sensor connector.





27. INSTALL WIRE HARNESS
a. Install the wire harness clamp bracket and bolt.
Torque: 5.4 Nm (55 kgf-cm, 48 inch lbs.)





b. Install the 2 wire harness with the 2 bolts.
Torque:
Bolt A: 10 Nm (102 kgf-cm, 7 ft. lbs.)
Bolt B: 26 Nm (265 kgf-cm, 19 ft. lbs.)
28. INSTALL TRANSMISSION CONTROL CABLE BRACKET NO.1
a. Install the control cable bracket with the 2 bolts.
Torque: 12 Nm (122 kgf-cm, 9 ft. lbs.)





29. INSTALL TRANSMISSION CONTROL CABLE SUPPORT
a. Install the control cable support with the bolt.
Torque: 12 Nm (122 kgf-cm, 9 ft. lbs.)
b. Connect the control cable to the control cable support.
30. INSTALL FRONT DRIVE SHAFT ASSEMBLY LH
31. INSTALL AUTOMATIC TRANSMISSION CASE PROTECTOR
a. Install the case protector with the 2 bolts.
Torque: 23 Nm (235 kgf-cm, 17 ft. lbs.)
32. INSTALL TRANSFER ASSEMBLY
33. INSTALL ENGINE ASSEMBLY WITH TRANSAXLE
SST 09670-00010


TORQUE CONVERTER CLUTCH AND DRIVE PLATE (ATM)
INSPECTION





1. INSPECT TORQUE CONVERTER CLUTCH ASSEMBLY
a. Inspect the one-way clutch.
(1) Install SST into the inner race of the one-way clutch.
SST 09350-32014 (09351-32010, 09351-32020)
(2) Install SST so that it fits in the notch of the converter hub and outer race of the one-way clutch.
SST 09350-32014 (09351-32010, 09351-32020)





(3) Stand the torque converter up and turn the SST.
Standard: When the one-way clutch is turned clockwise, it rotates freely and when turned counterclockwise, it locks.





b. Determine the condition of the torque converter clutch assembly.
(1) If the inspection result of the torque converter clutch assembly satisfies the following conditions, replace the torque converter clutch assembly.
Malfunction item:
^ A metallic sound is emitted from the torque converter clutch assembly during the stall test or when the shift lever is moved to the N position.
^ The one-way clutch is free or locked in both directions.
^ The amount of powder in the ATF is greater than the sample shown on the left (see the sample).

HINT: The sample shows the auto fluid of approximately 0.25 liters (0.26 US qts, 0.22 Imp. qts) that is taken out from the removed torque converter clutch.

c. Change the ATF in the torque converter clutch.
(1) If the ATF is discolored and/or has a foul odor, stir the ATF in the torque converter clutch completely and drain it with the face for installation facing up.





d. Clean and check the oil cooler and oil pipe line.
(1) If the torque converter clutch is inspected or the ATF is exchanged, clean the oil cooler and oil pipe line.

HINT:
^ Spray compressed air of 196 kPa (2 kgf/cm2, 28 psi) from the inlet hose.
^ If plenty of fine powders are identified in the ATF, add new ATF using a bucket pump and clean it again.

(2) If the ATF is cloudy, inspect the oil cooler.





e. Prevent deformation of the torque converter clutch.
(1) When there is any damage on the end of the bolt for the torque converter clutch and on the bottom of the bolt hole, replace the bolt and the torque converter clutch.
(2) All of the bolts shall have the same length.





2. INSPECT DRIVE PLATE & RING GEAR SUB-ASSEMBLY
a. Set up a dial indicator with roller instrument and measure the drive plate runout.
Maximum runout: 0.20 mm (0.0079 inch)
b. Check for damage of the ring gear.
If runout is not within specification or ring gear is damaged, replace the drive plate.