Operation CHARM: Car repair manuals for everyone.
Manuals through 2025 now available!

Our trusted friends have launched a new website named LEMON, which has newer manuals. It also contains all the CHARM manuals.

LEMON is the spiritual successor to CHARM, I recommend you try it!

Link: lemon-manuals.la or lemon-manuals.org.ua

(Some people have issue connecting. LEMON is investigating. For now, use Firefox or change your DNS server)

Or, hide this message: temporarily or permanently

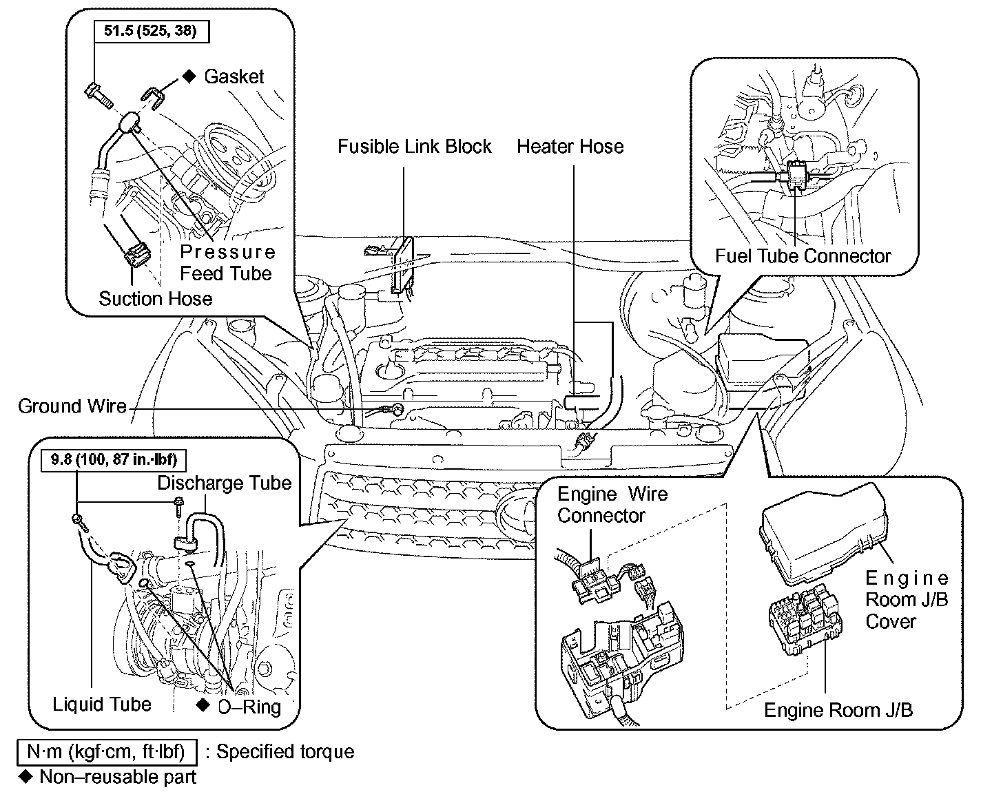
System Diagram

ENGINE UNIT:




ENGINE UNIT:




ENGINE UNIT:




ENGINE UNIT:




ENGINE UNIT (M/T):




ENGINE UNIT (A/T):






CYLINDER BLOCK:




CYLINDER BLOCK:






CYLINDER HEAD:




CYLINDER HEAD:






EXHAUST SYSTEM:






OIL PUMP:




OIL PUMP:




OIL PUMP:








TIMING CHAIN:




TIMING CHAIN: