Operation CHARM: Car repair manuals for everyone.
Manuals through 2025 now available!

Our trusted friends have launched a new website named LEMON, which has newer manuals. It also contains all the CHARM manuals.

LEMON is the spiritual successor to CHARM, I recommend you try it!

Link: lemon-manuals.la or lemon-manuals.org.ua

(Some people have issue connecting. LEMON is investigating. For now, use Firefox or change your DNS server)

Or, hide this message: temporarily or permanently

System Specifications

CYLINDER BLOCK

Cylinder Block:




Cylinder Journal Diameter, Bearing Center Thickness. (reference):






MAIN BEARINGS

Standard Bearing Center Wall Thickness:






MAIN BEARING CAP BOLTS




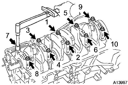
REMOVAL
Uniformly loosen and remove the 10 main bearing cap bolts in several passes, in the sequence shown




INSTALLATION
Tighten the 10 main bearing cap bolts in several passes, in the sequence shown.
1st Pass: 20 Nm (24 kgf-cm, 15 ft. lbs.)
2nd Pass: 40 Nm (48 kgf-cm, 30 ft. lbs.)
3rd Pass: 90° angle

Tension Portion Diameter
Standard diameter: 7.5 to 7.6 mm (0.2953 to 0.2992 inch)
Minimum diameter: 7.2 mm (0.284 inch)

CONNECTING ROD

Connecting Rod:






CONNECTING ROD CAP BOLTS
Install and alternately tighten the 2 connecting rod cap bolts in several passes.
Torque: 24.5 Nm (250 kgf-cm, 18 ft. lbs.)
Mark the front of the connecting cap bolts with paint.
Retighten the cap bolts by 90°

CRANKSHAFT

Crankshaft:






CRANKSHAFT PULLEY
Crankshaft Pulley x Crankshaft: 180 N.m (1,836 kgf.cm, 132 ft.lbf)
Crankshaft Pulley Bolt: 41 Nm (418 kgf-cm, 30 ft. lbs.)

PISTONS

Piston And Piston Ring:




Ring Groove Clearance:




Standard End Gap:




Maximum End Gap: