Operation CHARM: Car repair manuals for everyone.
Manuals through 2025 now available!

Our trusted friends have launched a new website named LEMON, which has newer manuals. It also contains all the CHARM manuals.

LEMON is the spiritual successor to CHARM, I recommend you try it!

Link: lemon-manuals.la or lemon-manuals.org.ua

(Some people have issue connecting. LEMON is investigating. For now, use Firefox or change your DNS server)

Or, hide this message: temporarily or permanently

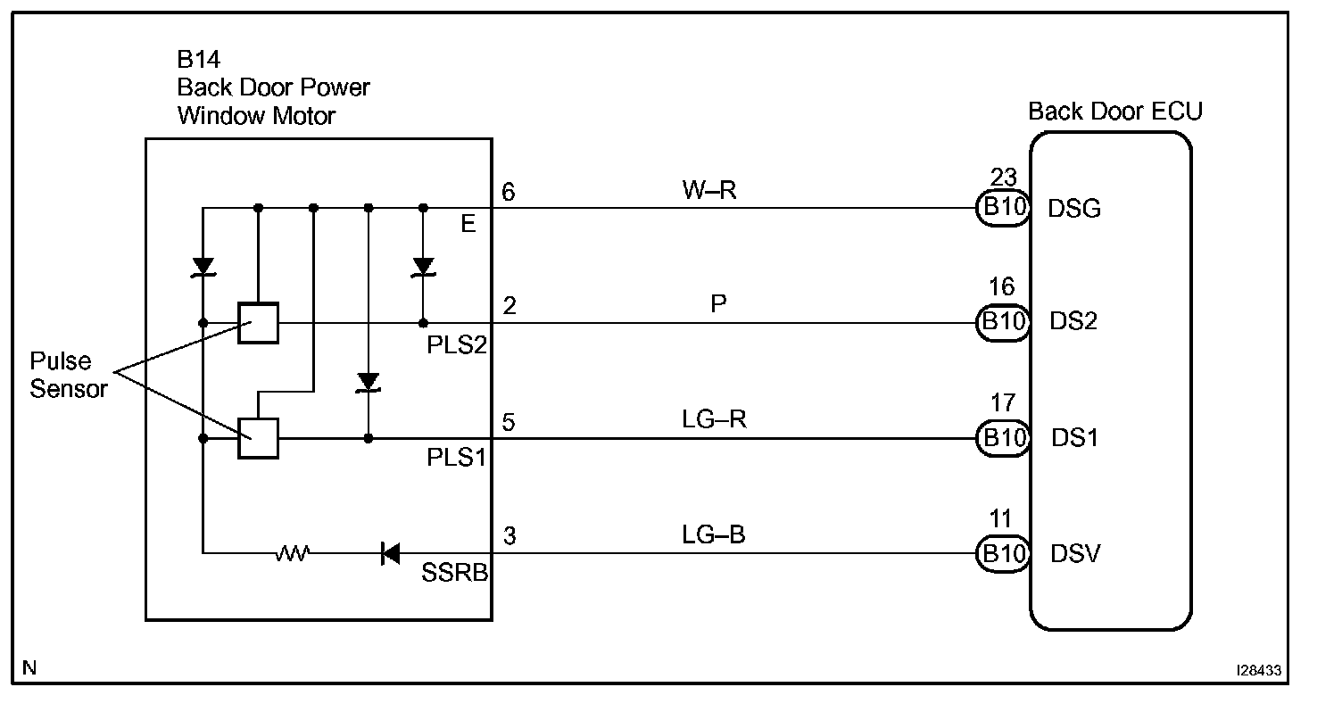
Back Door Power Window Pulse Sensor Circuit

BACK DOOR POWER WINDOW PULSE SENSOR CIRCUIT

CIRCUIT DESCRIPTION

Two pulse sensors are built into the back door power window motor. The back door ECU detects movement and position of the back door window based on information from these pulse sensors.

Wiring Diagram:






Step 1 - 2:




Step 3:




INSPECTION PROCEDURE

HINT: When using the hand-held tester, start the inspection from step 1 and when not using the hand-held tester, start from step 2.