Operation CHARM: Car repair manuals for everyone.
Manuals through 2025 now available!

Our trusted friends have launched a new website named LEMON, which has newer manuals. It also contains all the CHARM manuals.

LEMON is the spiritual successor to CHARM, I recommend you try it!

Link: lemon-manuals.la or lemon-manuals.org.ua

(Some people have issue connecting. LEMON is investigating. For now, use Firefox or change your DNS server)

Or, hide this message: temporarily or permanently

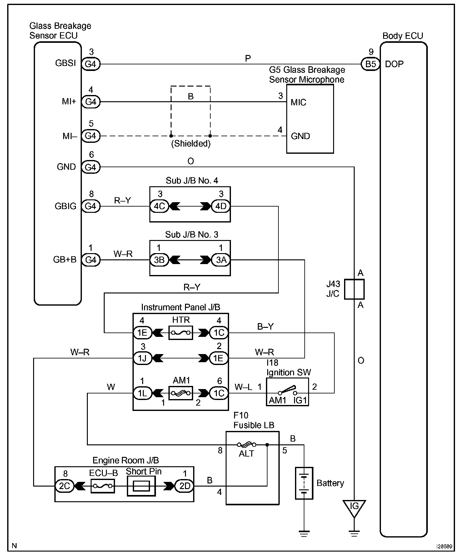
Glass Breakage Sensor ECU Circuit

GLASS BREAKAGE SENSOR ECU CIRCUIT

CIRCUIT DESCRIPTION

The glass breakage sensor microphone detects the sound of metal (and other) objects striking the windows and outputs a signal to the glass breakage sensor ECU. Sound of breaking window glass is amplified (fixed frequency) by the resonator provided in front of the microphone.

The glass breakage sensor ECU receives a signal from the glass breakage sensor microphone. If the signal matches the specification, the ECU outputs the glass breakage signal to the body ECU.

The body ECU receives the signal from the glass breakage sensor ECU and outputs a warning.

Wiring Diagram:






Step 1 - 3:




Step 4:




INSPECTION PROCEDURE