Operation CHARM: Car repair manuals for everyone.
Manuals through 2025 now available!

Our trusted friends have launched a new website named LEMON, which has newer manuals. It also contains all the CHARM manuals.

LEMON is the spiritual successor to CHARM, I recommend you try it!

Link: lemon-manuals.la or lemon-manuals.org.ua

(Some people have issue connecting. LEMON is investigating. For now, use Firefox or change your DNS server)

Or, hide this message: temporarily or permanently

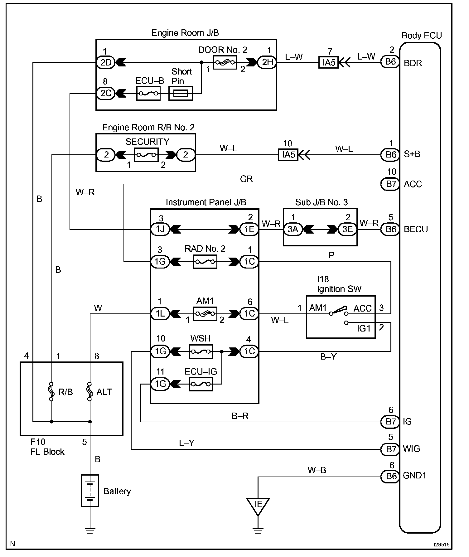
Power Source Circuit

POWER SOURCE CIRCUIT

CIRCUIT DESCRIPTION

This circuit provides power to operate the body ECU.
BDR terminal: Power source for door lock motor
S+B terminal: Power source for security horn
ACC terminal: Power source for accessory
BECU terminal: Power source for backing up body ECU
IG terminal: Power source for starting body ECU
WIG terminal: Power source for washer motor

Wiring Diagram:






Step 1 - 2:




Step 3:




INSPECTION PROCEDURE