Operation CHARM: Car repair manuals for everyone.
Manuals through 2025 now available!

Our trusted friends have launched a new website named LEMON, which has newer manuals. It also contains all the CHARM manuals.

LEMON is the spiritual successor to CHARM, I recommend you try it!

Link: lemon-manuals.la or lemon-manuals.org.ua

(Some people have issue connecting. LEMON is investigating. For now, use Firefox or change your DNS server)

Or, hide this message: temporarily or permanently

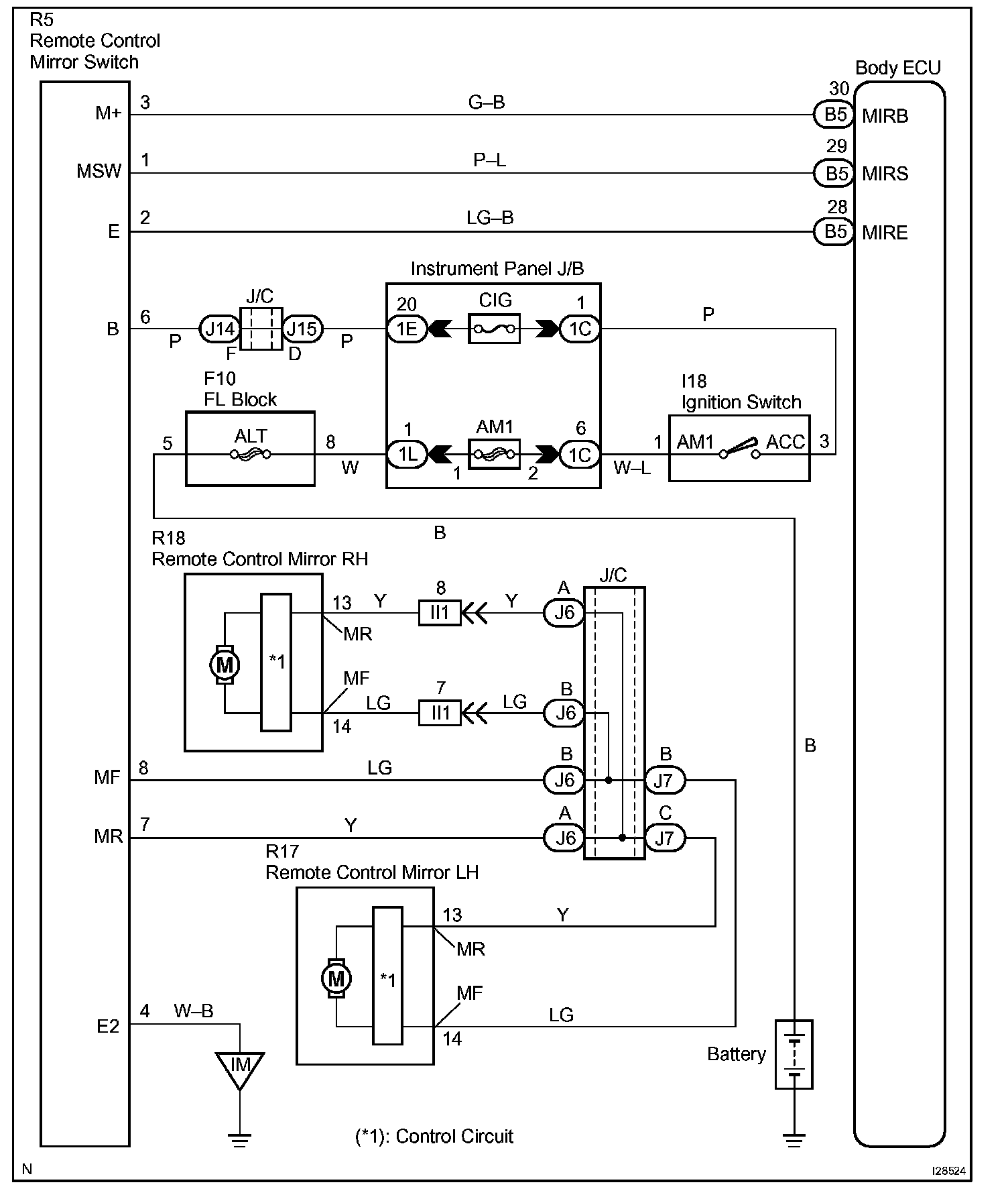
Remote Control Mirror Switch Circuit (W/ Driving Position Memory)

REMOTE CONTROL MIRROR SWITCH CIRCUIT (W/ DRIVING POSITION MEMORY)

CIRCUIT DESCRIPTION

The remote control mirror switch has different levels of resistance depending on the switch position.

The body ECU senses the switch position through the resistance of the remote control mirror switch.

The body ECU sends an up/down/right/left signal to the driver door ECU and the passenger door ECU via BEAN.

The mirror's driving position and retract position are directly controlled by the remote control mirror switch.

Wiring Diagram:






Step 1:




Step 2 - 5:




Step 6:




INSPECTION PROCEDURE

HINT: When using the hand-held tester, start the inspection from step 1 and when not using the hand-held tester, start from step 2.