Operation CHARM: Car repair manuals for everyone.
Manuals through 2025 now available!

Our trusted friends have launched a new website named LEMON, which has newer manuals. It also contains all the CHARM manuals.

LEMON is the spiritual successor to CHARM, I recommend you try it!

Link: lemon-manuals.la or lemon-manuals.org.ua

(Some people have issue connecting. LEMON is investigating. For now, use Firefox or change your DNS server)

Or, hide this message: temporarily or permanently

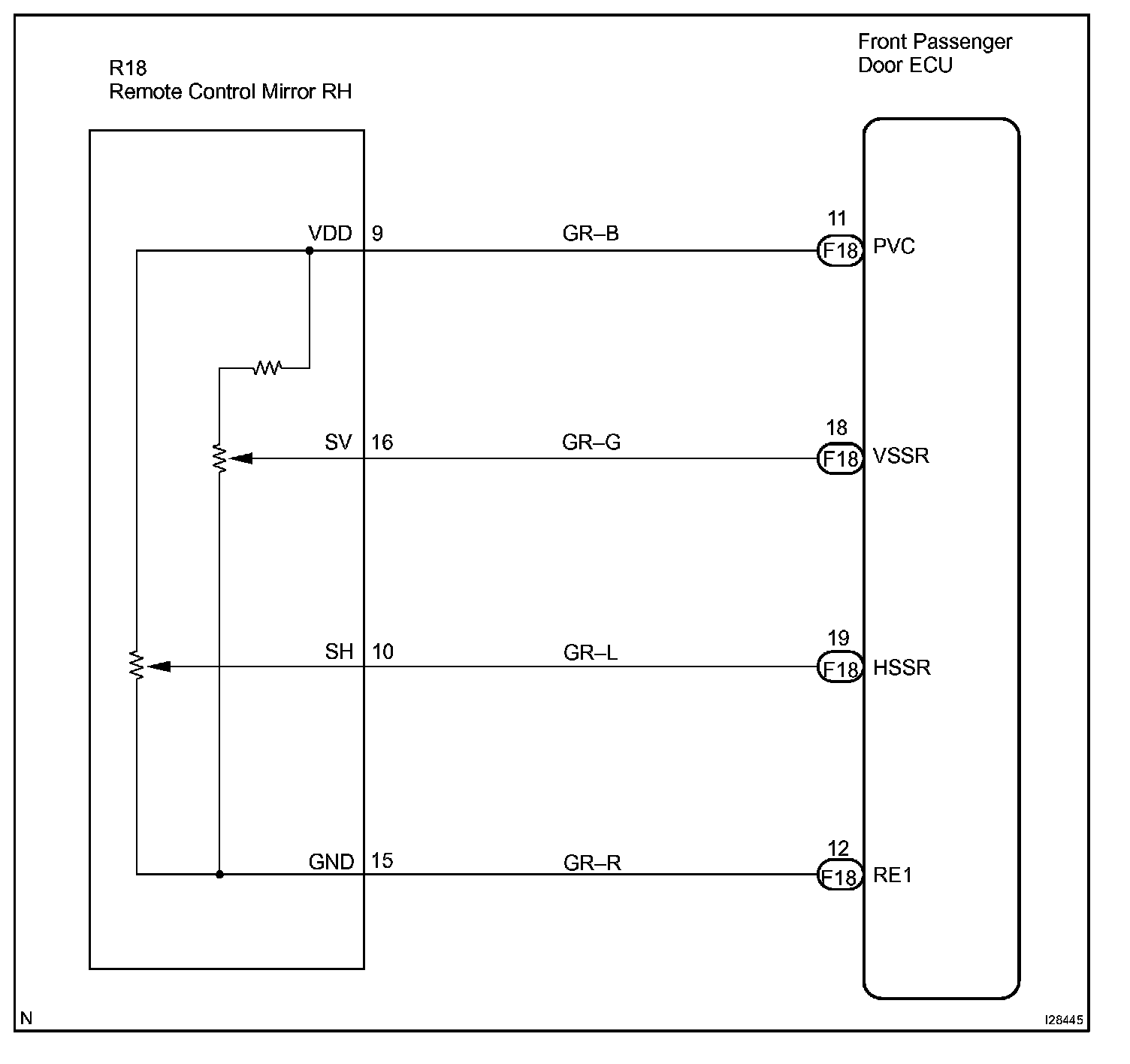
Remote Control Mirror Position Sensor RH Circuit (W/ Driving Position Memory)

REMOTE CONTROL MIRROR POSITION SENSOR RH CIRCUIT (W/ DRIVING POSITION MEMORY)

CIRCUIT DESCRIPTION

SEQUOIA features a driving position memory function, and up to 2 driver positions can be memorized.

The passenger door ECU operates 2 motors built into the remote control mirror. The motors move the mirror to the memorized positions based on information from the position sensor.

Wiring Diagram:






Step 1 - 2:




INSPECTION PROCEDURE