Operation CHARM: Car repair manuals for everyone.
Manuals through 2025 now available!

Our trusted friends have launched a new website named LEMON, which has newer manuals. It also contains all the CHARM manuals.

LEMON is the spiritual successor to CHARM, I recommend you try it!

Link: lemon-manuals.la or lemon-manuals.org.ua

(Some people have issue connecting. LEMON is investigating. For now, use Firefox or change your DNS server)

Or, hide this message: temporarily or permanently

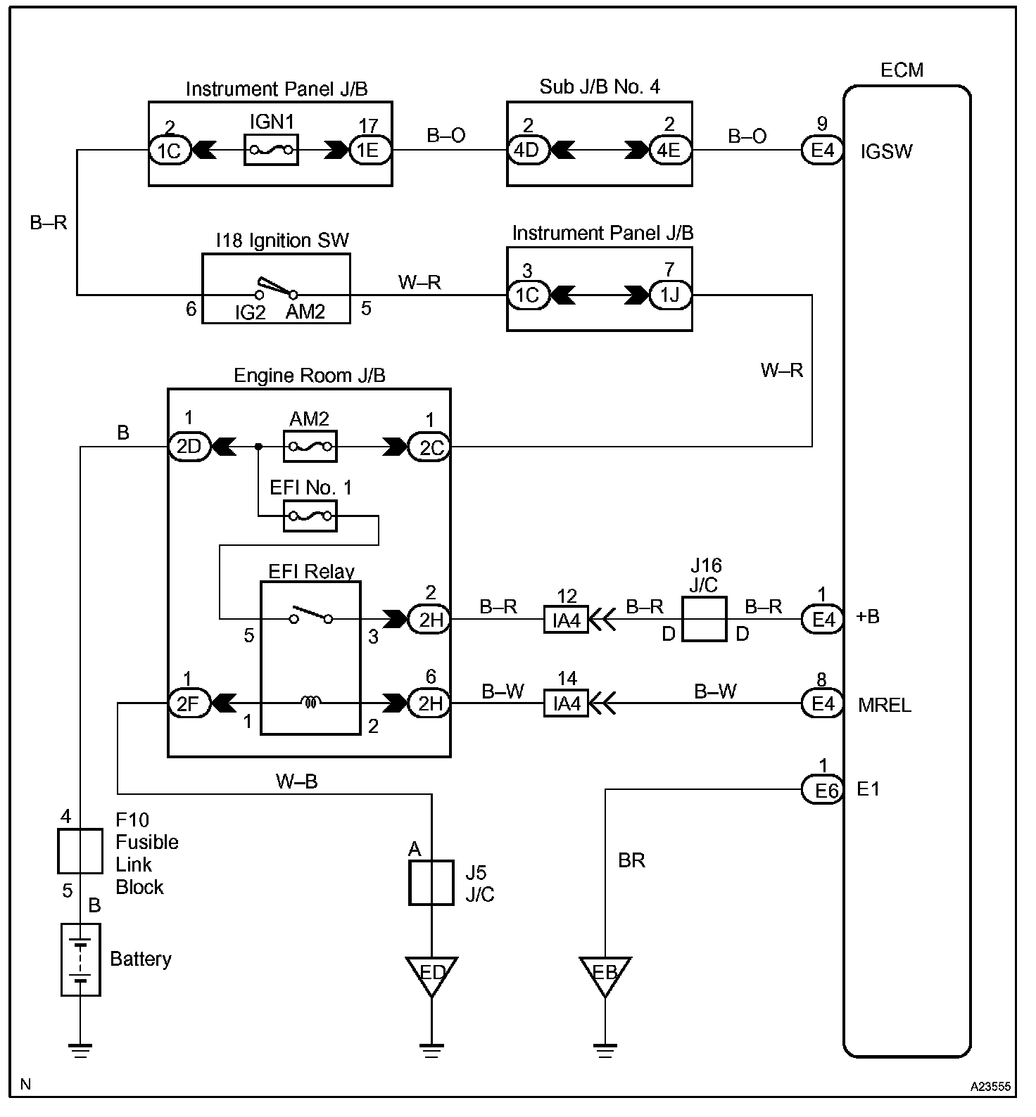
ECM Power Source Circuit

ECM POWER SOURCE CIRCUIT

CIRCUIT DESCRIPTION

When the ignition switch is turned ON, battery positive voltage is applied to terminal IGSW of the ECM and the EFI relay control circuit in the ECM sends a signal to terminal MREL of the ECM switching on the EFI relay.

This signal causes current to flow to the coil, closing the contacts of the EFI relay and supplying power to terminal +B of the ECM.

Wiring Diagram:






Step 1 - 3:




Step 4 - 5:




Step 6 - 7:




Step 8 - 9:




INSPECTION PROCEDURE

CHECK FOR INTERMITTENT PROBLEMS

HINT: Hand-held tester only:
Inspect the vehicle's ECM using check mode. Intermittent problems are easier to detect with a hand-held tester when the ECM is in check mode. In check mode, the ECM uses 1trip detection logic, which is more sensitive to malfunctions than normal mode (default), which uses 2 trip detection logic.

a. Clear DTCs .
b. Switch the ECM from normal mode to check mode using a hand-held tester.
c. Perform a simulation test.
d. Check and wiggle the harness(es), connector(s) and terminal(s).