Operation CHARM: Car repair manuals for everyone.
Manuals through 2025 now available!

Our trusted friends have launched a new website named LEMON, which has newer manuals. It also contains all the CHARM manuals.

LEMON is the spiritual successor to CHARM, I recommend you try it!

Link: lemon-manuals.la or lemon-manuals.org.ua

(Some people have issue connecting. LEMON is investigating. For now, use Firefox or change your DNS server)

Or, hide this message: temporarily or permanently

Heater Core: Service and Repair

Air Conditioning Radiator Assy - Part 1:




Air Conditioning Radiator Assy - Part 2:






A/C RADIATOR ASSEMBLY

OVERHAUL

1. DISCHARGE REFRIGERANT FROM REFRIGERATION SYSTEM
SST 07110-58060 (07117-58080, 07117-58090, 07117-78050, 07117-88060, 07117-88070, 07117-88080)

2. REMOVE FRONT WIPER ARM HEAD CAP
3. REMOVE FR WIPER ARM RH
4. REMOVE FR WIPER ARM LH
5. REMOVE COWL TOP VENTILATOR LOUVER SUB-ASSEMBLY
6. REMOVE WINDSHIELD WIPER MOTOR & LINK ASSEMBLY




7. REMOVE COWL TOP PANEL SUB-ASSEMBLY OUTER FRONT
a. Remove the 7 bolts and disconnect the cowl top panel sub-assembly.

8. DISCONNECT COOLER REFRIGERANT LIQUID PIPE E (TO COOLER UNIT)
a. Install SST on the piping clamp.
SST 09870-00025

HINT: Make sure the direction of the piping clamp claw and SST by checking the illustration shown on the caution label.




b. Push down SST and release the clamp lock.

NOTE: Be careful not to deform the tube when pushing SST.

c. Pull SST slightly and push the release lever, and then remove the piping clamp with SST.




d. Disconnect the cooler refrigerant liquid pipe (to cooler unit).

NOTE:
- Do not use tools like a screwdriver to remove the tube.
- Seal the opening of the disconnected parts using vinyl tape to prevent moisture and foreign matters from entering.

9. DISCONNECT SUCTION HOSE SUB-ASSEMBLY
SST 09870-00015

HINT: Disconnection of the pipe cooler refrigerant suction hose sub-assembly is the same way as the cooler refrigerant liquid pipe E (to cooler unit).

10. REMOVE AIR CLEANER CAP SUB-ASSEMBLY




11. DISCONNECT HEATER WATER OUTLET HOSE A(FROM HEATER UNIT)
a. Using pliers, grip the claws of the clip and slide the clip to disconnect the heater water outlet hose A (from heater unit).

12. DISCONNECT HEATER WATER INLET HOSE A

HINT: Disconnection of the heater water inlet hose A is the same way as the heater water outlet hose A (from heater unit).

13. REMOVE INSTRUMENT PANEL SUB-ASSEMBLY W/PASSENGER AIRBAG ASSEMBLY

HINT: Refer to the instructions for removal of the instrument panel sub-assembly W/ passenger airbag assembly.




14. REMOVE HEATER TO FOOT DUCT NO.3
a. Remove the clip and the heater to foot duct No.3.




15. REMOVE HEATER TO FOOT DUCT NO.1
a. Remove the clip and the heater to foot duct No.1.

16. DISCONNECT TRANSMISSION CONTROL CABLE ASSEMBLY
17. REMOVE SHIFT LOCK CONTROL UNIT ASSEMBLY




18. REMOVE INSTRUMENT PANEL BRACKET NO.5
a. Release the 2 clamps and disconnect the connector.




b. Remove the 4 nuts and the instrument panel bracket No.5.




19. REMOVE INSTRUMENT PANEL BRACE SUB-ASSEMBLY NO.1
a. Release the 4 clamps and remove the bolt and disconnect the connector.




b. Remove the 3 bolts, the 2 nuts and the instrument panel brace sub-assembly No.1.




20. REMOVE INSTRUMENT PANEL BRACE SUB-ASSEMBLY NO.2
a. Release the 2 clamps and disconnect the connector.




b. Remove the 3 bolts, the 2 nuts and the instrument panel brace sub-assembly No.2.

21. REMOVE STEERING COLUMN ASSEMBLY
22. REMOVE ECM
23. REMOVE STEREO COMPONENT AMPLIFIER ASSEMBLY (W/ STEREO COMPONENT AMPLIFIER)
24. REMOVE FRONT FENDER GARNISH RH




25. REMOVE INSTRUMENT PANEL REINFORCEMENT
a. Remove the 6 nuts.
b. Release the 13 clamps.
c. Disconnect the connectors.




d. Remove the 11 bolts, 2 nuts and the instrument panel reinforcement.




26. REMOVE DEFROSTER NOZZLE ASSEMBLY LOWER
a. Release the 4 claw fittings and remove the defroster nozzle assembly lower.




27. REMOVE AIR CONDITIONING UNIT ASSEMBLY
a. Release the 2 claw fittings and remove the nut and the air conditioning unit assembly.




28. REMOVE BLOWER ASSEMBLY
a. Remove the 2 screws and the blower assembly.




29. REMOVE MODE DAMPER SERVO SUB-ASSEMBLY
a. Remove the 3 screws and the mode damper servo sub-assembly.




30. REMOVE AIRMIX DAMPER SERVO SUB-ASSEMBLY
a. Remove the 3 screws and the airmix damper servo sub-assembly.




31. REMOVE AIRMIX NO.2 DAMPER SERVO SUB-ASSEMBLY (AUTO AIR CONDITIONING)
a. Remove the 3 screws and the airmix No.2 damper servo sub-assembly.




32. REMOVE HEATER CLAMP NO.1
a. Release the 4 claw fittings and remove the heater clamp No.1.




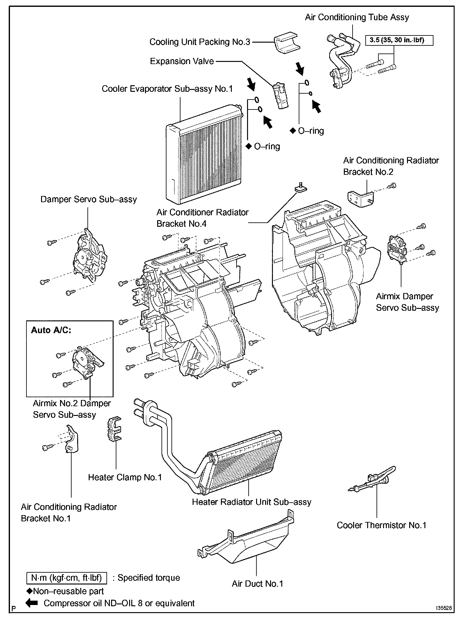
33. REMOVE AIR CONDITIONING RADIATOR BRACKET NO.3
a. Remove the screw and the air conditioning radiator bracket No.3.




34. REMOVE HEATER RADIATOR UNIT SUB-ASSEMBLY
a. Remove the heater radiator unit sub-assembly from the air conditioning radiator assembly.

35. REMOVE COOLER THERMISTOR NO.1




36. REMOVE COOLING UNIT PACKING NO.3
a. Remove the cooling unit packing No.3.




37. REMOVE AIR CONDITIONING TUBE ASSEMBLY
a. Using a hexagon wrench 4.0 mm (0.15 in.), remove the 2 hexagon bolts and the air conditioning tube assembly.b.Remove the 2 O-rings from the air conditioning tube assembly.




38. REMOVE COOLER EXPANSION VALVE
a. Remove the cooler expansion valve from the cooler evaporator sub-assembly No.1.




b. Remove the 2 O-rings from the cooler evaporator Sub-assembly No.1.




39. REMOVE AIR CONDITIONING RADIATOR BRACKET NO.2
a. Remove the 2 screws and the air conditioning radiator bracket No.2.




40. REMOVE AIR CONDITIONING RADIATOR BRACKET NO.1
a. Remove the 3 screws and the air conditioning radiator bracket No.1.




41. REMOVE AIR CONDITIONING RADIATOR BRACKET NO.4
a. Remove the the air conditioning radiator bracket No.4.




42. REMOVE AIR DUCT NO.1
a. Release the 4 claw fittings and remove air duct No.1.




43. INSTALL COOLER EXPANSION VALVE
a. Sufficiently apply compressor oil to 2 new O-rings and the fitting surface of the cooler evaporator sub-assembly No.1.
Compressor oil: ND-OIL 8 or equivalent




b. Install the cooler expansion valve to the cooler evaporator sub-assembly No.1.




44. INSTALL AIR CONDITIONING TUBE ASSEMBLY
a. Sufficiently apply compressor oil to 2 new O-rings and the fitting surface of the air conditioning tube assembly.
Compressor oil: ND-OIL 8 or equivalent
b. Install the 2 O-rings on the air conditioning tube assembly.
c. Using a hexagon wrench 4.0 mm (0.15 in.), install the air conditioning tube assembly with the 2 hexagon bolts.

Torque: 3.5 Nm (35 kgf.cm, 30 in.lbf)




45. TEMPORARILY TIGHTEN AIR CONDITIONING UNIT ASSEMBLY
a. Temporarily tighten the air conditioning unit assembly with the nut.

Torque: 9.8 Nm (100 kgf.cm, 87 in.lbf)

b. Install the 2 clamps.




46. INSTALL INSTRUMENT PANEL REINFORCEMENT
a. Install the instrument panel reinforcement with the 10 bolts.




b. Install the 13 clamps.
c. Connect the connectors.
d. Install the 4 nuts.

Torque: 7.3 Nm (74 kgf.cm, 65 in.lbf)




47. INSTALL AIR CONDITIONING UNIT ASSEMBLY
a. Install the air conditioner unit assembly withe the 3 bolts and 2 nuts.

48. INSTALL SHIFT LOCK CONTROL UNIT ASSEMBLY
49. CONNECT TRANSMISSION CONTROL CABLE ASSEMBLY
50. INSTALL STEERING COLUMN ASSEMBLY
51. INSTALL INSTRUMENT PANEL SUB-ASSEMBLY W/PASSENGER AIRBAG ASSEMBLY




52. INSTALL SUCTION HOSE SUB-ASSEMBLY
a. Lubricate a new O-ring with compressor oil and install it on the hose.
Compressor oil: ND-OIL 8 or equivalent
b. Install the suction hose sub-assembly and the piping clamp.

HINT: After the connection, check the claw fitting of the piping clamp.

53. INSTALL COOLER REFRIGERANT LIQUID PIPE E (TO COOLER UNIT)
a. Lubricate a new O-ring with compressor oil and install it to the pipe.
Compressor oil: ND-OIL 8 or equivalent
b. Install the cooler refrigerant liquid pipe E and the piping clamp.

HINT: After the connection, check the claw fitting of the piping clamp.
54. ADJUST SHIFT LEVER POSITION
55. INSPECT SHIFT LEVER POSITION
56. INSPECT CHECK KEY INTERLOCK OPERATION
57. INSPECT CHECK SHIFT LOCK OPERATION
58. INSPECT CHECK SHIFT LOCK RELEASE BUTTON OPERATION
59. ADD COOLANT
60. CHARGE REFRIGERANT
SST 07110-58060 (07117-58060, 07117-58070, 07117-58080, 07117-58090, 07117-78050, 07117-88060, 07117-88070, 07117-88080)
Specified amount: 780 ± 30 g (27.5 ± 1.06 oz.)

61. WARM UP ENGINE
62. CHECK FOR ENGINE COOLANT LEAKS
63. INSPECT LEAKAGE OF REFRIGERANT