Operation CHARM: Car repair manuals for everyone.
Manuals through 2025 now available!

Our trusted friends have launched a new website named LEMON, which has newer manuals. It also contains all the CHARM manuals.

LEMON is the spiritual successor to CHARM, I recommend you try it!

Link: lemon-manuals.la or lemon-manuals.org.ua

(Some people have issue connecting. LEMON is investigating. For now, use Firefox or change your DNS server)

Or, hide this message: temporarily or permanently

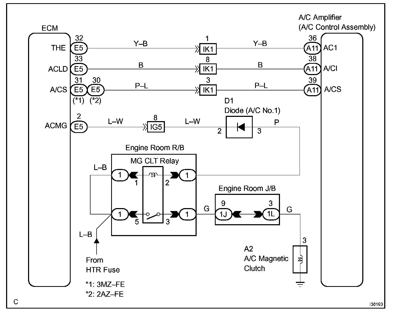
Compressor Clutch: Testing and Inspection

COMPRESSOR CIRCUIT

CIRCUIT DESCRIPTION
The A/C amplifier outputs the A/C switch ON signal from terminal A/CS and the magnetic clutch ON signal from terminal AC 1 to the ECM. Upon receiving these signals, the ECM sends a signal from terminal ACLD to the A/C amplifier, and switches the magnetic clutch relay on, thus turning the magnetic clutch on.

Wiring Diagram:






Step 1 - 2:




Step 3 - 5:




Step 6 - 7:




Step 8:




Step 9 - 10:




INSPECTION PROCEDURE

HINT: When using the hand-held tester, start inspection from step 1 and when not using the hand-held tester, start from step 3.