Operation CHARM: Car repair manuals for everyone.
Manuals through 2025 now available!

Our trusted friends have launched a new website named LEMON, which has newer manuals. It also contains all the CHARM manuals.

LEMON is the spiritual successor to CHARM, I recommend you try it!

Link: lemon-manuals.la or lemon-manuals.org.ua

(Some people have issue connecting. LEMON is investigating. For now, use Firefox or change your DNS server)

Or, hide this message: temporarily or permanently

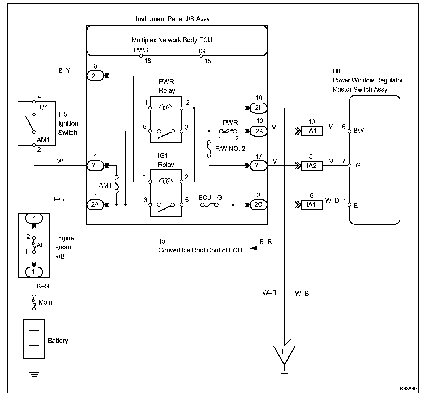
Power Windows Do Not Operate Using Master Switch

POWER WINDOWS DO NOT OPERATE USING MASTER SWITCH

CIRCUIT DESCRIPTION
If all of the door windows do not operate, the power window regulator master switch may not have power or may be malfunctioning.

Wiring Diagram:






Step 1 - 2:




Step 3:




Step 4 - 5:




INSPECTION PROCEDURE