Operation CHARM: Car repair manuals for everyone.
Manuals through 2025 now available!

Our trusted friends have launched a new website named LEMON, which has newer manuals. It also contains all the CHARM manuals.

LEMON is the spiritual successor to CHARM, I recommend you try it!

Link: lemon-manuals.la or lemon-manuals.org.ua

(Some people have issue connecting. LEMON is investigating. For now, use Firefox or change your DNS server)

Or, hide this message: temporarily or permanently

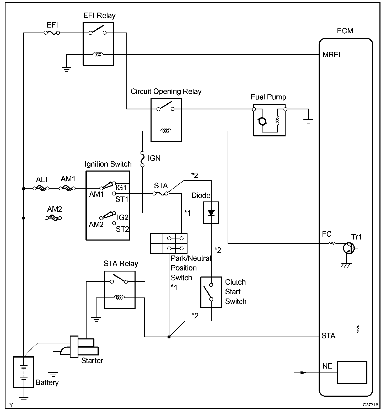
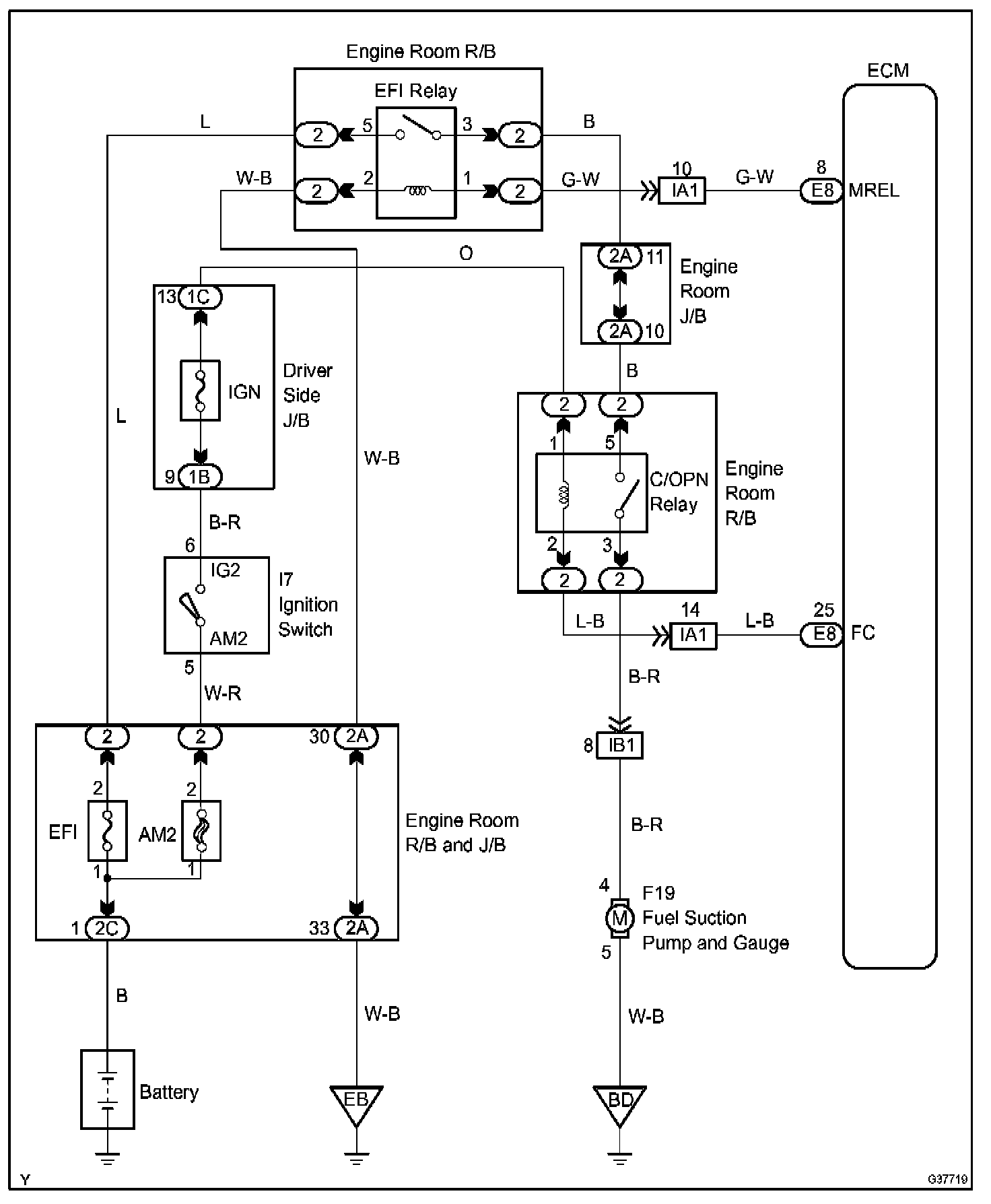
Fuel Pump Control Circuit

FUEL PUMP CONTROL CIRCUIT

CIRCUIT DESCRIPTION




When the engine is cranked, a current flows from terminal ST2 of the ignition switch into the STA (starter) relay coil and a current also flows into terminal STA of the ECM (STA signal).

When the STA and NE signals are received by the ECM, Tr (power transistor) is switched on, allowing a current to flow into the circuit opening relay coil. The circuit opening relay switches on, power is supplied to the fuel pump and the fuel pump operates.

While the NE signal is being generated (engine running), the ECM keeps Tr ON, therefore keeping the circuit opening relay ON, so that the fuel pump continues to operate.

Wiring Diagram:






Step 1 - 3:




Step 4 - 5:




Step 6 - 7:




Step 8:




INSPECTION PROCEDURE