Operation CHARM: Car repair manuals for everyone.
Manuals through 2025 now available!

Our trusted friends have launched a new website named LEMON, which has newer manuals. It also contains all the CHARM manuals.

LEMON is the spiritual successor to CHARM, I recommend you try it!

Link: lemon-manuals.la or lemon-manuals.org.ua

(Some people have issue connecting. LEMON is investigating. For now, use Firefox or change your DNS server)

Or, hide this message: temporarily or permanently

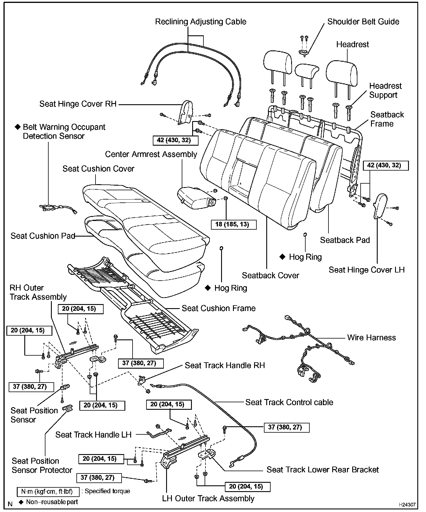
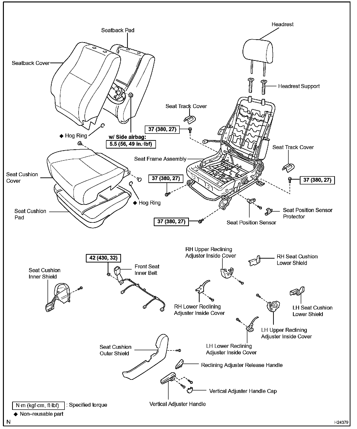
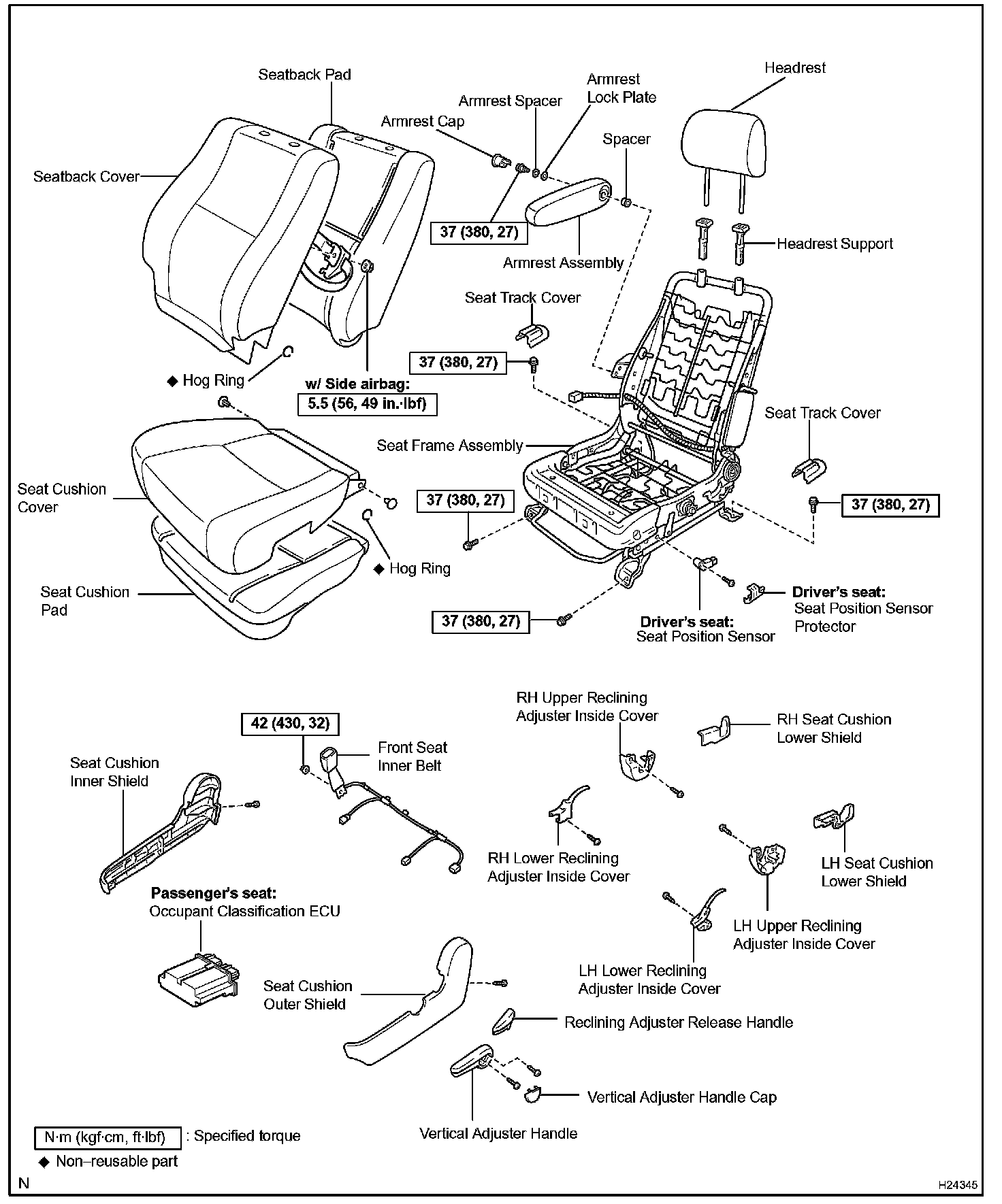
Seats

Front Seat (Separate Type - Power Adjuster):



Front Seat (Separate Type - Manual Adjuster):



Front Seat (Bench Type):



Front Seat (Split Type - Driver's Side):



Front Seat (Split Type - Passenger's Side):



Rear Seat (Bench Type):



Rear Seat (LH):



Rear Seat (RH):