Operation CHARM: Car repair manuals for everyone.
Manuals through 2025 now available!

Our trusted friends have launched a new website named LEMON, which has newer manuals. It also contains all the CHARM manuals.

LEMON is the spiritual successor to CHARM, I recommend you try it!

Link: lemon-manuals.la or lemon-manuals.org.ua

(Some people have issue connecting. LEMON is investigating. For now, use Firefox or change your DNS server)

Or, hide this message: temporarily or permanently

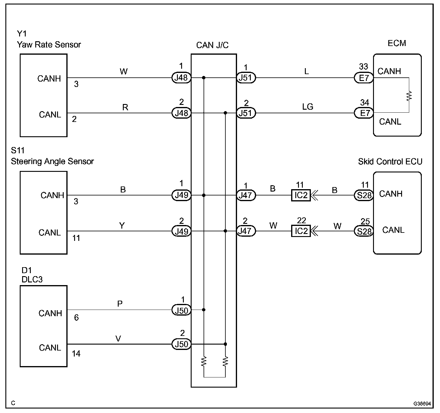
Check For an Open In One Side of CAN Sub Bus Line

CHECK FOR AN OPEN IN ONE SIDE OF CAN SUB BUS LINE

CIRCUIT DESCRIPTION




If 2 or more ECUs and/or sensors do not appear on the hand-held tester's "BUS CHECK" screen via the CAN VIM, one side of the CAN sub-bus line may be open. (One side of the CAN-H [sub-bus line]/CAN-L [sub-bus line] of the ECU and/or sensor is open.)

Wiring Diagram:






Step 1-3:




Step 4-7:




Step 8-11:




Step 12:




INSPECTION PROCEDURE