Operation CHARM: Car repair manuals for everyone.
Manuals through 2025 now available!

Our trusted friends have launched a new website named LEMON, which has newer manuals. It also contains all the CHARM manuals.

LEMON is the spiritual successor to CHARM, I recommend you try it!

Link: lemon-manuals.la or lemon-manuals.org.ua

(Some people have issue connecting. LEMON is investigating. For now, use Firefox or change your DNS server)

Or, hide this message: temporarily or permanently

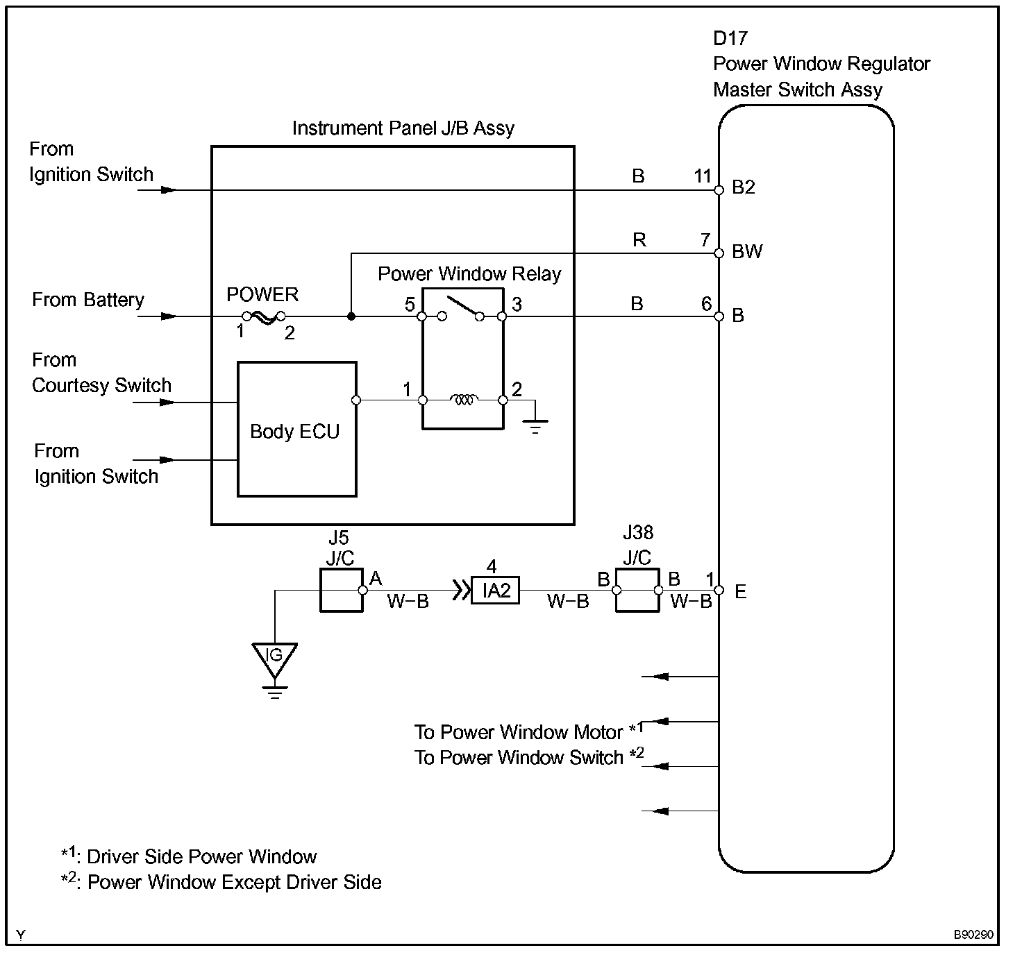
Power Windows Do Not Operate At All

POWER WINDOWS DO NOT OPERATE AT ALL

CIRCUIT DESCRIPTION

If all the door glasses do not operate or if the operation function after the ignition switch is turned OFF does not operate, no power may be supplied to the power window master switch or the power window master switch itself may malfunction.

Wiring Diagram:






Step 1-3:




Step 4-5:




INSPECTION PROCEDURE