Operation CHARM: Car repair manuals for everyone.
Manuals through 2025 now available!

Our trusted friends have launched a new website named LEMON, which has newer manuals. It also contains all the CHARM manuals.

LEMON is the spiritual successor to CHARM, I recommend you try it!

Link: lemon-manuals.la or lemon-manuals.org.ua

(Some people have issue connecting. LEMON is investigating. For now, use Firefox or change your DNS server)

Or, hide this message: temporarily or permanently

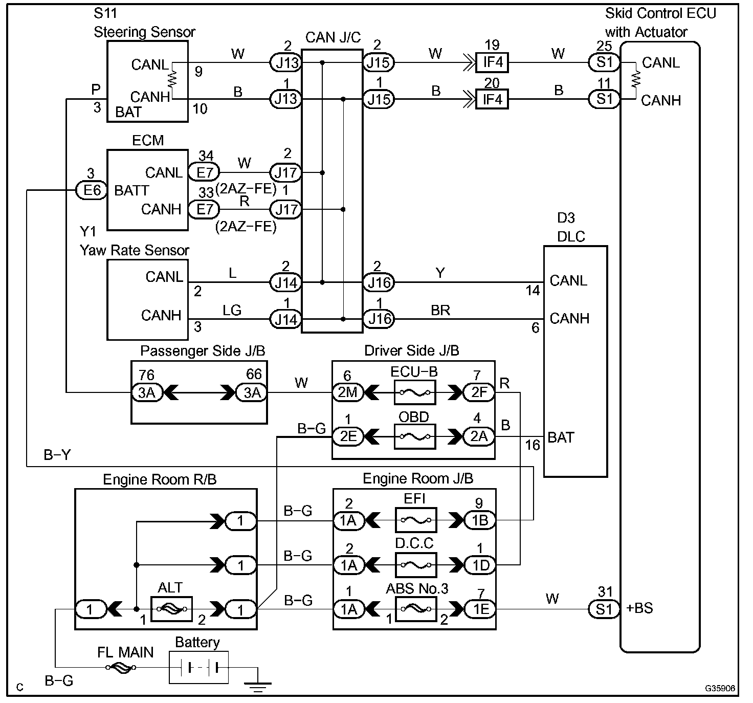
Check CAN Bus Line For Short to +B

CHECK CAN BUS LINE FOR SHORT TO +B

CIRCUIT DESCRIPTION




A short to +B is suspected in the CAN bus line when there is continuity between terminals 16 (BAT) and 6 (CANH) or terminals 16 (BAT) and 14 (CANL) of the DLC3.

Wiring Diagram:






Step 1-2:




Step 3-4:




Step 5-6:




Step 7-9:




Step 10-13:




INSPECTION PROCEDURE