Operation CHARM: Car repair manuals for everyone.
Manuals through 2025 now available!

Our trusted friends have launched a new website named LEMON, which has newer manuals. It also contains all the CHARM manuals.

LEMON is the spiritual successor to CHARM, I recommend you try it!

Link: lemon-manuals.la or lemon-manuals.org.ua

(Some people have issue connecting. LEMON is investigating. For now, use Firefox or change your DNS server)

Or, hide this message: temporarily or permanently

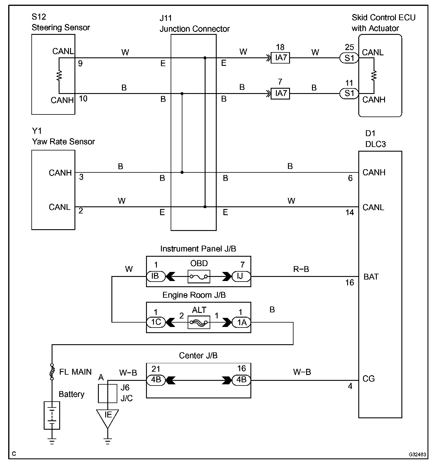
Check CAN Bus Line

CHECK CAN BUS LINE

CIRCUIT DESCRIPTION

When any DTC for the CAN communication is output, first measure the resistance between the terminals of the DLC3 to specify the trouble area.

Wiring Diagram:






Step 1-2:




Step 3-5:




INSPECTION PROCEDURE