Operation CHARM: Car repair manuals for everyone.
Manuals through 2025 now available!

Our trusted friends have launched a new website named LEMON, which has newer manuals. It also contains all the CHARM manuals.

LEMON is the spiritual successor to CHARM, I recommend you try it!

Link: lemon-manuals.la or lemon-manuals.org.ua

(Some people have issue connecting. LEMON is investigating. For now, use Firefox or change your DNS server)

Or, hide this message: temporarily or permanently

EVAP System

EVAP INSPECTION PROCEDURE

EVAP INSPECTION PROCEDURE:




EVAP INSPECTION PROCEDURE:




DTCS RELATING TO EVAP SYSTEM

If any EVAP system DTCs are set, the malfunctioning area can be determined using the table

CIRCUIT DESCRIPTION







While the engine is running, if a predetermined condition (closed loop, etc.) is met, the purge VSV is opened by the ECM and stored fuel vapors in the canister are purged to the intake manifold. The ECM changes the duty cycle ratio of the purge VSV to control purge flow volume.

The purge flow volume is also determined by the intake manifold pressure. Atmospheric pressure is allowed into the canister through the vent valve to ensure that the purge flow is maintained when the negative pressure (vacuum) is applied to the canister.

The following two monitors run to confirm appropriate EVAP system operation.

Key-off monitor
This monitor checks for EVAP (Evaporative Emission) system leaks and pump module malfunctions. The monitor starts 5 hours (±15 minutes) after the ignition switch is turned to OFF. 5 hours are required to allow enough time for the fuel to cool down to stabilize the Fuel Tank Pressure (FTP), thus making the EVAP system monitor more accurate.

The electric vacuum pump creates negative pressure (vacuum) in the EVAP system and the pressure is measured. Finally, the ECM monitors for leaks from the EVAP system, and malfunctions in both the pump module and purge VSV, based on the EVAP pressure.

Purge flow monitor
The purge flow monitor consists of the two monitors. The 1st monitor is always conducted every time and the 2nd monitor is activated if necessary.

- The 1st monitor
While the engine is running and the purge VSV (Vacuum Switching Valve) is ON (open), the ECM monitors the purge flow by measuring the EVAP pressure change. If negative pressure is not created, the ECM begins the 2nd monitor.
- The 2nd monitor
The vent valve is turned OFF (open) and the EVAP pressure is then measured. If the variation in the pressure is less than 0.5 kPa (3.75 mmHg), the ECM interprets this as the purge VSV being stuck closed, and illuminates the MIL and sets DTC P0441 (2 trip detection logic).













Atmospheric pressure check: In order to ensure reliable malfunction detection, the variation between the atmospheric pressures, before and after conduction of the purge flow monitor, is measured by the ECM.

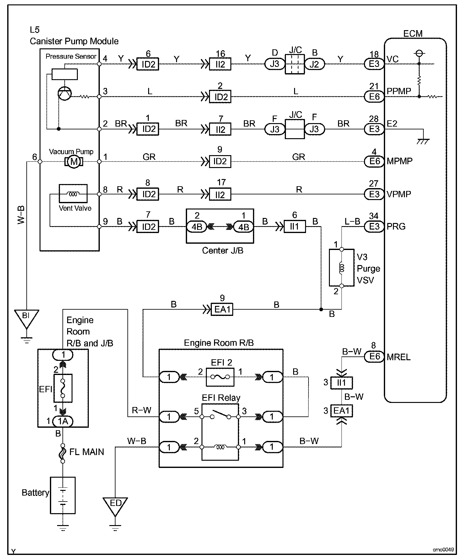
Wiring Diagram:






Step 1:




Step 2:




Step 3:




Step 4:




Step 5:




Step 6:




Step 7:




Step 8:




Step 9:




Step 10:




Step 11:




Step 12-13:




Step 14-15:




Step 16-17:




Step 18-19:




Step 20:




Step 21-22:




Step 23:




Step 24-26:




Step 27-29:




Step 30-35:




Step 36:




INSPECTION PROCEDURE

NOTE: A hand-held tester is required to conduct the following diagnostic troubleshooting procedure.

HINT:
- Using hand-held tester monitor results enables the EVAP (Evaporative Emission) system to be confirmed.
- Read freeze frame data using a hand-held tester or OBD II scan tool. The ECM records vehicle and driving condition information as freeze frame data the moment a DTC is stored. When troubleshooting, freeze frame data can help determine if the vehicle was moving or stationary, if the engine was warmed up or not, if the air fuel ratio was lean or rich, and other data, from the time the malfunction occurred.

MONITOR RESULT

The monitor result (mode 6) allows the OBD scan tool to display the monitor status, test value and test limit. A problem in the EVAP system can be found by comparing the test value and test limit. This procedure is described in "CHECKING MONITOR STATUS". Mode 6 Data

Check the monitor result after running the vehicle with the monitor drive pattern (Refer to "MONITOR CONFIRMATION DRIVE PATTERN").




- TID (Test Identification) is assigned to each emission related component.
- TLT (Test Limit Type):
If TLT is 0, the component is malfunctioning when the test value is higher than the test limit.
If TLT is 1, the component is malfunctioning when the test value is lower than the test limit.
- CID (Component Identification) is assigned to each test value.
- Unit Conversion is used to calculate the test value indicated on generic OBD scan tools.

MONITOR CONFIRMATION DRIVE PATTERN

Check the monitor result after driving with this drive pattern.

1. KEY-OFF MONITOR DRIVE PATTERN




a. Connect the hand-held tester to the DLC3.
b. Confirm the following conditions are satisfied:
- The fuel level is less than 90 %.
- The altitude is less than 8,000 ft. (2,400 m).
- The vehicle is stopped (the vehicle speed is less than 2 mph).
- The engine coolant temperature is 4.4 to 35 degree C (40 to 95 degree F)
- The intake air temperature is 4.4 to 35 degree C (40 to 95 degree F)

c. Perform the drive pattern:
1. Allow the engine to idle for 5 minutes or more.
2. Turn the ignition switch OFF and wait 6 hours.

d. Check the monitor result with the hand-held tester.

2. PURGE FLOW MONITOR DRIVE PATTERN (P0441)




a. Connect the hand-held tester to the DLC3.
b. Confirm that the following conditions are satisfied:
- The engine coolant temperature is more than 4.4 degree C (40 degree F).
- The intake air temperature is more than 4.4 degree C (40 degree F).

c. Perform the drive pattern:
1. Remove and reinstall the fuel cap to release the fuel tank pressure.
2. Warm the engine until the ECT reaches 75 degree C (167 degree F) or more.
3. Run the engine at 3,000 rpm once.
4. Allow the engine to idle and turn the air conditioning ON for 1 minute.

d. Check the monitor result with the hand-held tester.