Operation CHARM: Car repair manuals for everyone.
Manuals through 2025 now available!

Our trusted friends have launched a new website named LEMON, which has newer manuals. It also contains all the CHARM manuals.

LEMON is the spiritual successor to CHARM, I recommend you try it!

Link: lemon-manuals.la or lemon-manuals.org.ua

(Some people have issue connecting. LEMON is investigating. For now, use Firefox or change your DNS server)

Or, hide this message: temporarily or permanently

Transmission Position Sensor/Switch: Service and Repair

PARK / NEUTRAL POSITION SWITCH

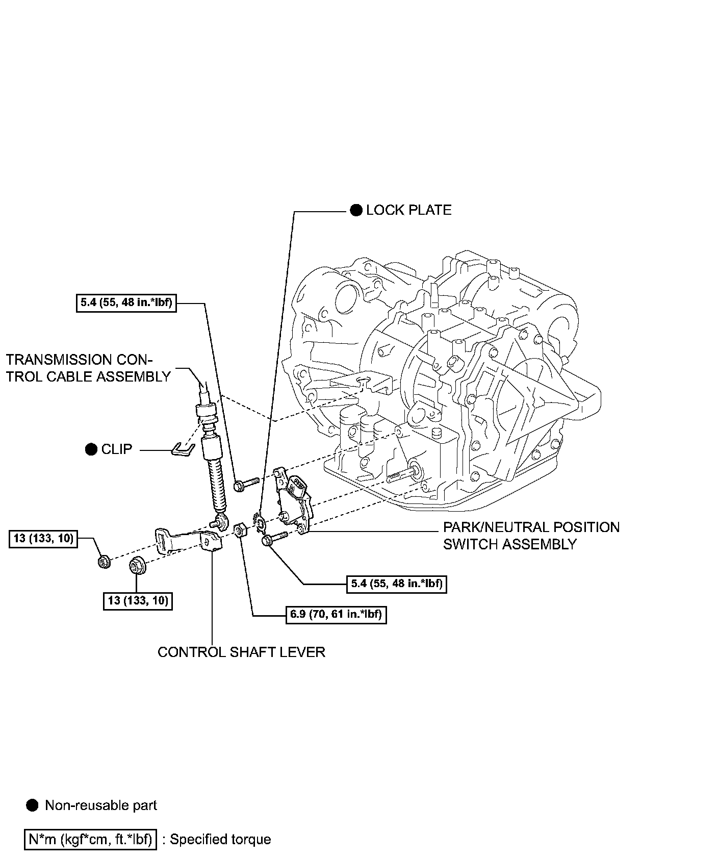
Components:






REMOVAL
1. REMOVE BATTERY
2. REMOVE ENGINE UNDER COVER NO.1
3. REMOVE AIR CLEANER ASSEMBLY





4. SEPARATE TRANSMISSION CONTROL CABLE ASSEMBLY
a. Remove the nut from the control shaft lever.
b. Disconnect the control cable from the control shaft lever.





c. Remove the clip and disconnect the control cable from the control cable bracket.

NOTICE: Do not hold the resin guide pipe.





5. REMOVE PARK/NEUTRAL POSITION SWITCH ASSEMBLY
a. Disconnect the park/neutral position switch connector.





b. Remove the nut, washer and control shaft lever.





c. Using a screwdriver, pry up the lock plate.





d. Remove the lock nut and the lock plate.





e. Remove the 2 bolts and pull out the park/neutral position switch.

INSPECTION
1. INSPECT PARK/NEUTRAL POSITION SWITCH ASSEMBLY OPERATION
a. Apply the parking brake and turn the ignition switch to the ON position.
b. Depress the brake pedal and check that the engine starts only when the shift lever is in the N or P position and the engine does not start when the shift lever is in other positions.
c. Check that the back up light comes on and the reverse warning buzzer sounds only when the shift lever is in the R position and the light and buzzer do not operate when the shift lever is in other positions.
d. If a failure is found, check the park/neutral position switch for continuity.





2. INSPECT PARK/NEUTRAL POSITION SWITCH ASSEMBLY
a. Jack up the vehicle.
b. Disconnect the park/neutral position switch connector.
c. Measure the resistance according to the value(s) in the table when the shift lever is moved to each position.

Resistance:





ADJUSTMENT





1. ADJUST PARK/NEUTRAL POSITION SWITCH ASSEMBLY
a. Loosen the 2 bolts of the park/neutral position switch and move the shift lever to the N position.
b. Align the groove with the neutral basic line.
c. Hold the switch in position and tighten the 2 bolts.
Torque: 5.4 Nm (55 kgf-cm, 48 inch lbs.)
d. After adjustment, perform the inspection described in park/neutral position switch assembly operation.

INSTALLATION





1. INSTALL PARK/NEUTRAL POSITION SWITCH ASSEMBLY
a. Install the park/neutral position switch to the manual valve shaft.
b. Temporarily install the 2 bolts.





c. Place a new lock plate and tighten the nut.
Torque: 6.9 Nm (70 kgf-cm, 61 inch lbs.)
d. Temporarily install the control shaft lever.





e. Turn the lever counterclockwise until it stops, then turn it clockwise 2 notches.
f. Remove the control shaft lever.





g. Align the groove with the neutral basic line.
h. Hold the switch in position and tighten the 2 bolts.
Torque: 5.4 Nm (55 kgf-cm, 48 inch lbs.)





i. Using a screwdriver, bend the tabs of the lock plate.





j. Install the control shaft lever, washer and the nut.
Torque: 13 Nm (130 kgf-cm, 9 ft. lbs.)





k. Connect the park/neutral position switch connector.





2. CONNECT TRANSMISSION CONTROL CABLE ASSEMBLY
a. Connect the control cable to the control shaft lever with the nut.
Torque: 13 Nm (133 kgf-cm, 10 ft. lbs.)





b. Install the control cable with a new clip to the bracket.
3. ADJUST PARK/NEUTRAL POSITION SWITCH ASSEMBLY
4. INSPECT PARK/NEUTRAL POSITION SWITCH ASSEMBLY OPERATION
5. INSPECT SHIFT LEVER POSITION
6. ADJUST SHIFT LEVER POSITION
7. INSTALL AIR CLEANER ASSEMBLY
8. INSTALL ENGINE UNDER COVER NO.1
9. INSTALL BATTERY