Manuals through 2025 now available!
Our trusted friends have launched a new website named LEMON, which has newer manuals. It also contains all the CHARM manuals.
LEMON is the spiritual successor to CHARM, I recommend you try it!
Link:
lemon-manuals.la or
lemon-manuals.org.ua
(Some people have issue connecting. LEMON is investigating. For now, use Firefox or change your DNS server)
Or, hide this message:
temporarily or
permanently
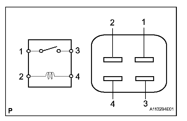
EFI Relay
ON-VEHICLE INSPECTION 1.
REMOVE EFI RELAY (Marking: EFI)
a.
Remove the engine room relay block cover.
b.
Remove the relay from the engine room relay block.
2.
CHECK EFI RELAY
a.
Measure the resistance of the relay.
If the result is not as specified, replace the relay.
3.
INSTALL EFI RELAY