Operation CHARM: Car repair manuals for everyone.
Manuals through 2025 now available!

Our trusted friends have launched a new website named LEMON, which has newer manuals. It also contains all the CHARM manuals.

LEMON is the spiritual successor to CHARM, I recommend you try it!

Link: lemon-manuals.la or lemon-manuals.org.ua

(Some people have issue connecting. LEMON is investigating. For now, use Firefox or change your DNS server)

Or, hide this message: temporarily or permanently

EVAP System

EVAP SYSTEM

Related DTCS







If any EVAP system DTCs are set, the malfunctioning area can be determined using the table.

NOTE: If the 0.02 inch reference pressure difference between the first and second checks is greater than the specification, the DTCs corresponding to the reference pressure (P043E, P043F, P0441, P0455, P0456, P2401 and P2420) will all be stored.

DESCRIPTION







While the engine is running, if a predetermined condition (closed-loop etc.) is met, the purge VSV is opened by the ECM and stored fuel vapors in the canister are purged to the intake manifold. The ECM changes the duty cycle ratio of the purge VSV to control purge flow volume.

The purge flow volume is also determined by the intake manifold pressure. Atmospheric pressure is allowed into the canister through the vent valve to ensure that the purge flow is maintained when the negative pressure (vacuum) is applied to the canister.

The following two monitors run to confirm appropriate EVAP system operation.
1. Key-off monitor
This monitor checks for Evaporative Emission (EVAP) system leaks and canister pump module malfunctions. The monitor starts 5 hours* after the ignition switch is turned OFF. More than 5 hours are required to allow the fuel to cool down to stabilize the Fuel Tank Pressure (FTP), thus making the EVAP system monitor more accurate.

The leak detection pump creates negative pressure (vacuum) in the EVAP system and the pressure is measured. Finally, the ECM monitors for leaks from the EVAP system and malfunctions in both the canister pump module and purge VSV, based on the EVAP pressure.

HINT: *: If the engine coolant temperature is not below 35 degree C (95 degree F) 5 hours after the ignition switch is turned OFF, the monitor check starts 2 hours later. If it is still not below 35 degree C (95 degree F) 7 hours after the ignition switch is turned OFF, the monitor check starts 2.5 hours later.

2. Purge flow monitor
The purge flow monitor consists of the two monitors. The 1st monitor is conducted every time and the 2nd monitor is conducted if necessary.

- The 1st monitor
While the engine is running and the purge Vacuum Switching Valve (VSV) is ON (open), the ECM monitors the purge flow by measuring the EVAP pressure change. If negative pressure is not created, the ECM begins the 2nd monitor.

- The 2nd monitor
The vent valve turned OFF (open) and the EVAP pressure is then measured. If the variation in the pressure is less than 0.5 kPa (3.75 mmHg), the ECM interprets this as the purge VSV being stuck closed, and illuminates the MIL and sets DTC P0441 (2 trip detection logic).

Atmospheric pressure check:



















In order to ensure reliable malfunction detection, the variation between the atmospheric pressures, before and after conduction of the purge flow monitor, is measured by the ECM.

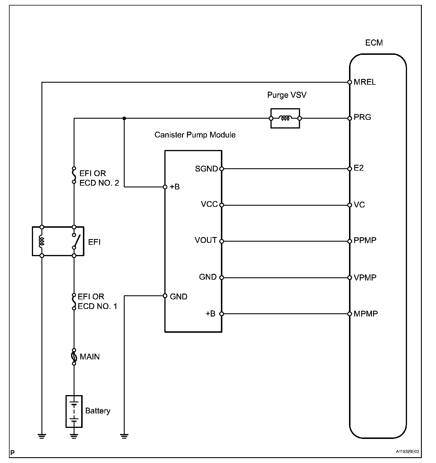
Wiring Diagram:






Step 1:




Step 1(continued)-2:




Step 2(continued)-3:




Step 3(continued)-4:




Step 4(continued)-5:




Step 6:




Step 6(continued)-7:




Step 7(continued)-8:




Step 9:




Step 9(continued)-10:




Step 11:




Step 12-13:




Step 13(continued)-15:




Step 15(continued)-17:




Step 18-19:




Step 20-21:




Step 21(continued)-23:




Step 23(continued)-25:




Step 25(continued)-29:




Step 29(continued)-32:




Step 33-37:




Step 37(continued):




INSPECTION PROCEDURE

NOTE: The intelligent tester is required to conduct the following diagnostic troubleshooting procedure.

HINT:
- Using the intelligent tester monitor results enable the EVAP system to be confirmed.
- Read freeze frame data using the intelligent tester. Freeze frame data records the engine conditions when malfunctions are detected. When troubleshooting, freeze frame data can help determine if the vehicle was moving or stationary, if the engine was warmed up or not, if the air fuel ratio was lean or rich, and other data from the time the malfunction occurred.

CONFIRMATION DRIVING PATTERN

HINT: After a repair, check Monitor Status by performing the key-off monitor confirmation and purge flow monitor confirmation described below.

1. Key-off monitor confirmation
a. Preconditions
The monitor will not run unless:
- The vehicle has been driven for 10 minutes or more (in a city area or on a freeway)
- The fuel tank is less than 90% full
- The altitude is less than 8,000 ft (2,400 m)
- The Engine Coolant Temperature (ECT) is between 4.4 to 35 degree C (40 to 95 degree F)
- The Intake Air Temperature (IAT) is between 4.4 to 35 degree C (40 to 95 degree F)
- The vehicle remains stationary (the vehicle speed is 0 km/h (0 mph))

b. Monitor Conditions
1. Allow the engine to idle for at least 5 minutes.
2. Turn the ignition switch OFF and wait for 10 hours.

HINT: Do not turn the ignition switch ON until checking MONITOR STATUS. If the engine is started, the steps described above must be repeated.

c. Monitor Status
1. Connect the intelligent tester to the CAN VIM. Then connect the CAN VIM to the DLC3.
2. Turn the ignition switch ON.
3. Enter the following menus: DIAGNOSIS / ENHANCED OBD II / MONITOR STATUS.
4. Check the Monitor Status displayed on the tester.

HINT: If INCMP is displayed, the monitor is not completed. Make sure that the preconditions have been met, and perform the Monitor Conditions again.

2. Purge flow monitor confirmation (P0441)

HINT: Perform this monitor confirmation after the key-off monitor confirmation shows COMPL (complete).

a. Preconditions
The monitor will not run unless:
- The vehicle has been driven for 10 minutes or more (in a city area or on a freeway)
- The ECT is between 4.4 to 35 degree C (40 to 95 degree F)
- The IAT is between 4.4 to 35 degree C (40 to 95 degree F)

b. Monitor Conditions
1. Release the pressure from the fuel tank by removing and reinstalling the fuel cap.
2. Warm the engine up until the ECT reaches more than 75 degree C (167 degree F).
3. Increase the engine speed to 3,000 rpm once.
4. Allow the engine to idle and turn the A/C ON for 1 minute.

C. Monitor Status
1. Turn the ignition switch OFF (where ON or the engine is running).
2. Connect the intelligent tester to the CAN VIM. Then connect the CAN VIM to the DLC3.
3. Turn the ignition switch ON.
4. Enter the following menus: DIAGNOSIS / ENHANCED OBD II / MONITOR STATUS.
5. Check the Monitor Status displayed on the tester.

HINT: If INCMP is displayed, the monitor is not completed. Make sure that the preconditions have been met, and perform the "Monitor Conditions" procedures again.

MONITOR RESULT







Refer to Checking Monitor Status for detailed information. Mode 6 Data

The test value and test limit information are described in the table. This information is included under MONITOR RESULT in the emissions-related DTC sections:
- Monitor Identification Data (MID) is assigned to each emissions-related component.
- Test Identification Data (TID) is assigned to each test value.
- Scaling is used to calculate the test value indicated on generic OBD II scan tools.