Operation CHARM: Car repair manuals for everyone.
Manuals through 2025 now available!

Our trusted friends have launched a new website named LEMON, which has newer manuals. It also contains all the CHARM manuals.

LEMON is the spiritual successor to CHARM, I recommend you try it!

Link: lemon-manuals.la or lemon-manuals.org.ua

(Some people have issue connecting. LEMON is investigating. For now, use Firefox or change your DNS server)

Or, hide this message: temporarily or permanently

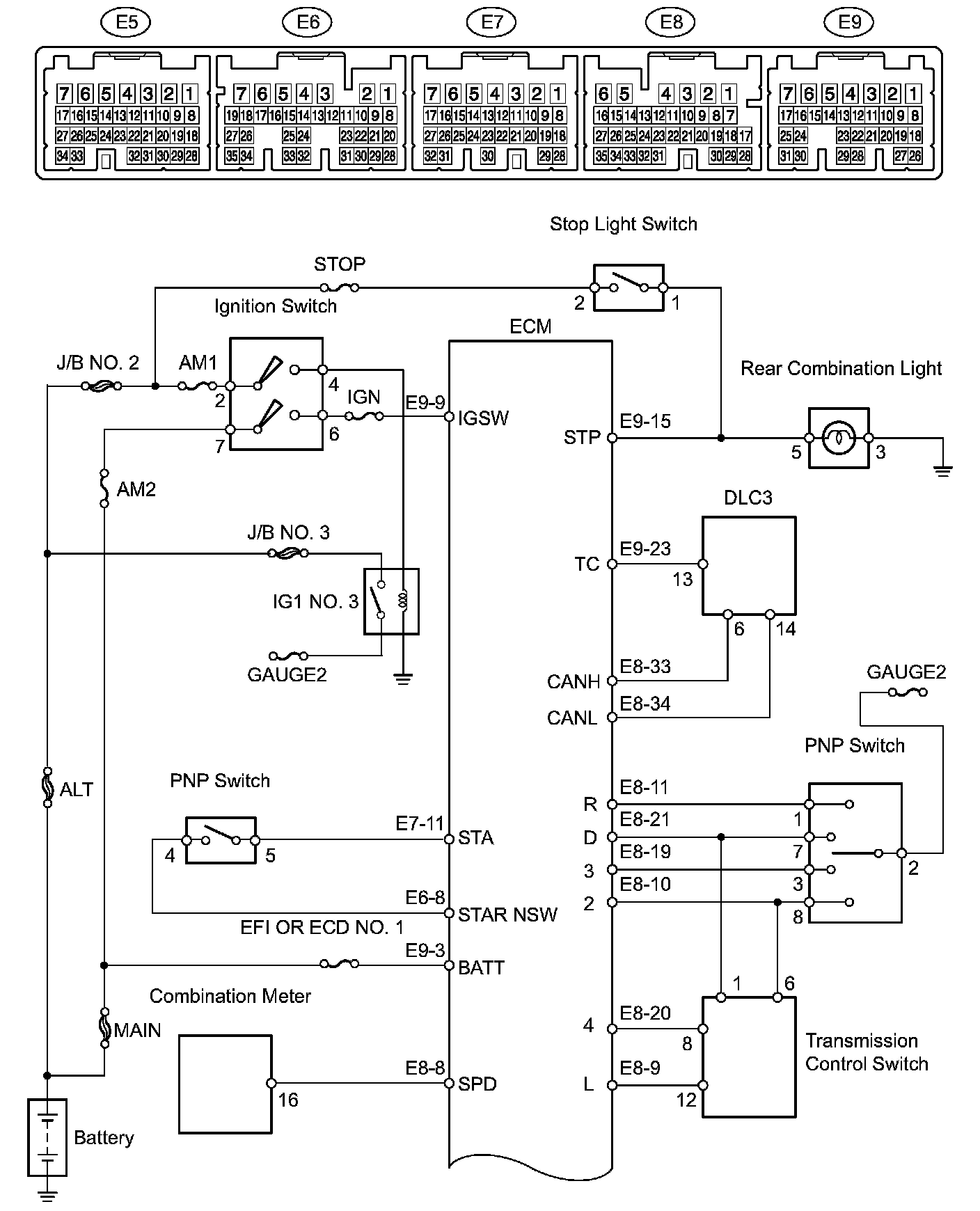
System Description

SYSTEM DIAGRAM














The configuration of the electronic control system in the A750F automatic transmission is as shown in the following chart.

SYSTEM DESCRIPTION
1. SYSTEM DESCRIPTION
a) The Electronic Controlled Automatic Transmission (ECT) is an automatic transmission that electronically controls shift timing using the Engine Control Module (ECM). The ECM detects electrical signals that indicate engine and driving conditions, and controls the shift point, based on driver habits and road conditions. As a result, fuel efficiency and power transmission performance are improved. Shift shock has been reduced by controlling the engine and transmission simultaneously.
In addition, the ECT has the following features:
- Diagnostic function.
- Fail-safe function when a malfunction occurs.