Manuals through 2025 now available!
Our trusted friends have launched a new website named LEMON, which has newer manuals. It also contains all the CHARM manuals.
LEMON is the spiritual successor to CHARM, I recommend you try it!
Link:
lemon-manuals.la or
lemon-manuals.org.ua
(Some people have issue connecting. LEMON is investigating. For now, use Firefox or change your DNS server)
Or, hide this message:
temporarily or
permanently
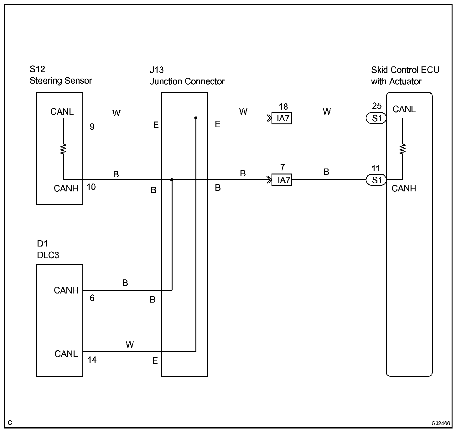
Check CAN Main Bus Line For Disconnection
CHECK CAN MAIN BUS LINE FOR DISCONNECTIONCIRCUIT DESCRIPTIONThe CAN main bus line and
DLC3 sub bus line may have a disconnection when the resistance between terminals 6 (CANH) and 14 (CANL) of the DLC3 is more than
69 Ohms.
Wiring Diagram:
Step 1-2:
Step 3-4:
INSPECTION PROCEDURE