Operation CHARM: Car repair manuals for everyone.
Manuals through 2025 now available!

Our trusted friends have launched a new website named LEMON, which has newer manuals. It also contains all the CHARM manuals.

LEMON is the spiritual successor to CHARM, I recommend you try it!

Link: lemon-manuals.la or lemon-manuals.org.ua

(Some people have issue connecting. LEMON is investigating. For now, use Firefox or change your DNS server)

Or, hide this message: temporarily or permanently

Inspection

INSPECTION

1. INSPECT SPARK PLUG

NOTE:
- Never use a wire brush for cleaning.
- Never attempt to adjust the electrode gap on used spark plug.
- Spark plug should be replaced every 192,000 km (120,000 miles).




a. Clean the spark plugs.
Air pressure: Below 588 kPa (6.0 kgf/cm2, 85 psi)
Duration: 20 seconds or less




b. Check the spark plug for any damage on its thread and insulator.

HINT: If damaged, replace the spark plug.
Recommended spark plug:
SK20R11 (DENSO made)
IFR6A11 (NGK made)




c. Check the spark plug electrode gap.
Electrode gap: 1.0 to 1.3 mm (0.039 to 0.051 in.)

2. INSPECT CAMSHAFT POSITION SENSOR
a. Using an ohmmeter, measure the resistance between terminals.
RESISTANCE:
835 to 1400Ohms at cold
1060 to 1645Ohms at hot

NOTE: Cold and Hot mean the temperature of the coils themselves. Cold is from -10°C (14°F) to 50°C (122°F) and Hot is from 50°C (122°F) to 100°C (212°F).

HINT: If the resistance is not as specified, replace the camshaft position sensor.

3. INSPECT CRANKSHAFT POSITION SENSOR
a. Using an ohmmeter, measure the resistance between the terminals.
RESISTANCE:
1630 to 2740Ohms at cold
2065 to 3225Ohms at hot

HINT: If the resistance is not as specified, replace the crankshaft position sensor.

NOTE: Cold and Hot mean the temperature of the coils themselves. Cold is from -10°C (14°F) to 50°C (122°F) and Hot is from 50°C (122°F) to 100°C (212°F).

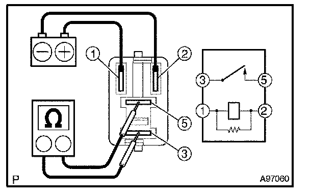
4. INSPECT IGNITION RELAY NO.1




a. Check the resistance.
1. Using an ohmmeter, measure the resistance between the terminals.




Standard:

If the result is not as specified, replace the ignition relay.