Manuals through 2025 now available!
Our trusted friends have launched a new website named LEMON, which has newer manuals. It also contains all the CHARM manuals.
LEMON is the spiritual successor to CHARM, I recommend you try it!
Link:
lemon-manuals.la or
lemon-manuals.org.ua
(Some people have issue connecting. LEMON is investigating. For now, use Firefox or change your DNS server)
Or, hide this message:
temporarily or
permanently
How to Read Power Source
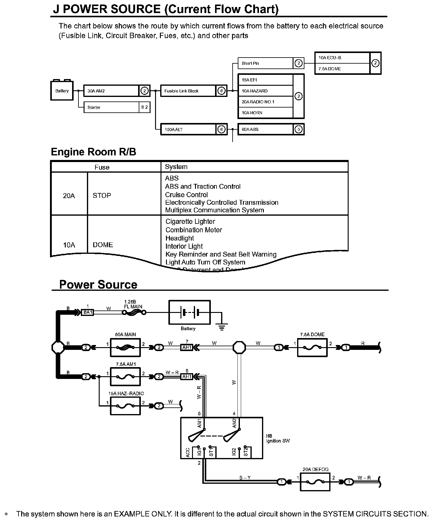
HOW TO READ POWER SOURCEThe "Current Flow Chart", describes which parts each power source (fuses, fusible links, and circuit breakers) transmits current to. In the Power Source circuit diagram, the conditions when battery power is supplied to each system are explained. Since all System Circuit diagrams start from the power source, the power source system must be fully understood.