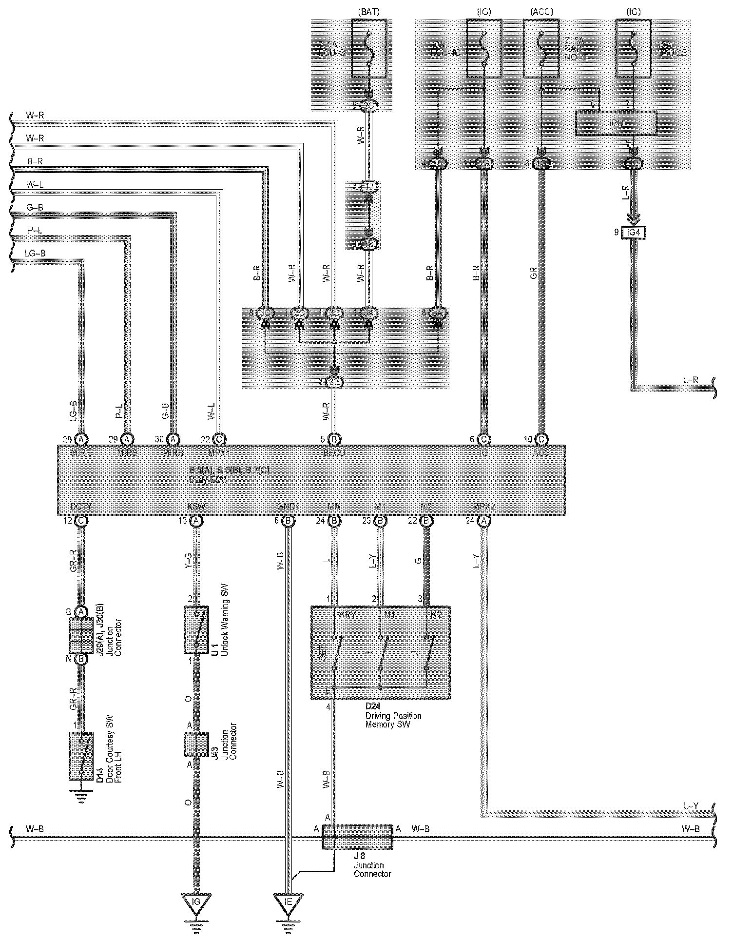
Remote Control Mirror With Driving Position Memory
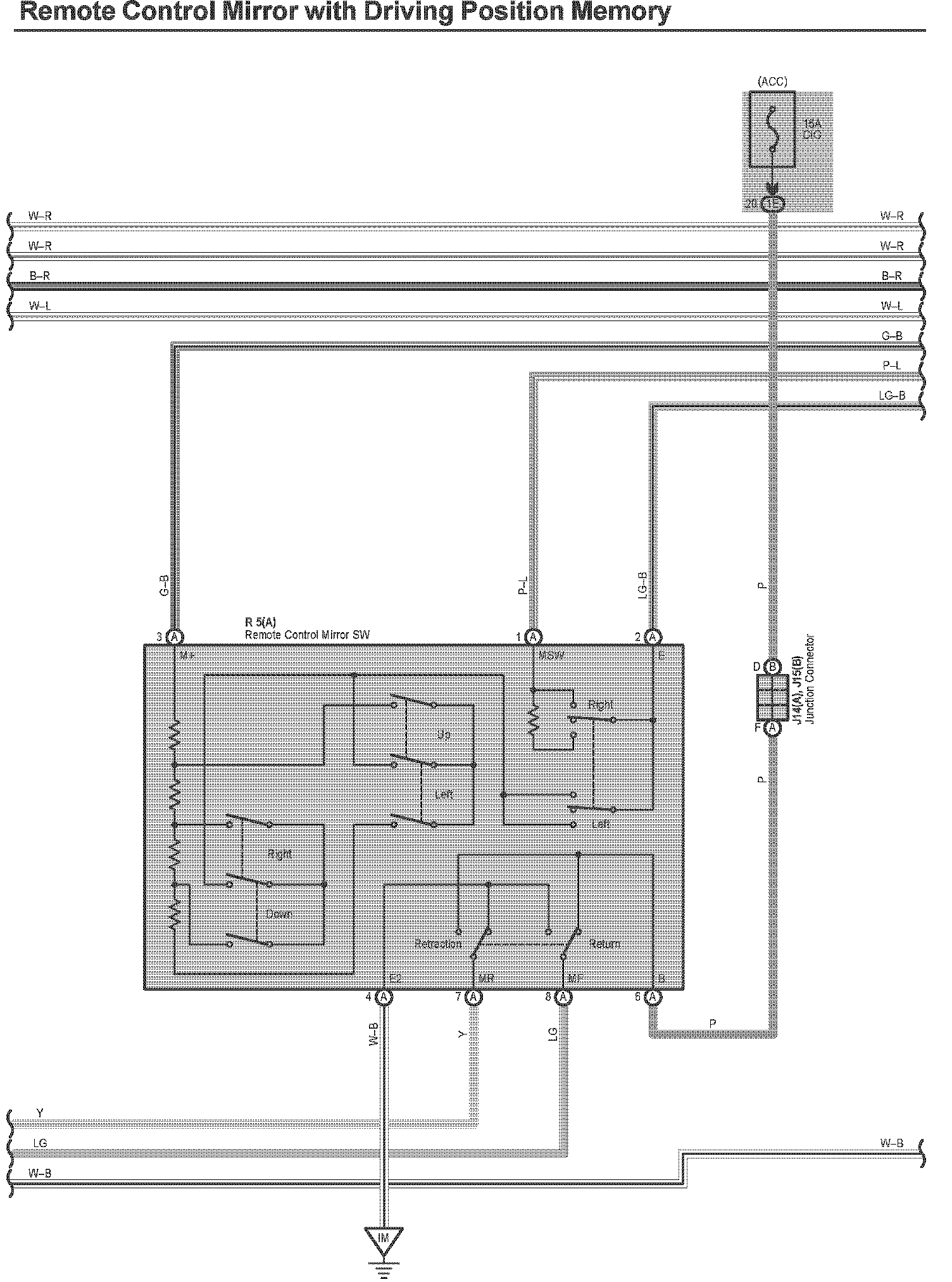
Remote Control Mirror With Driving Position Memory Part 1:
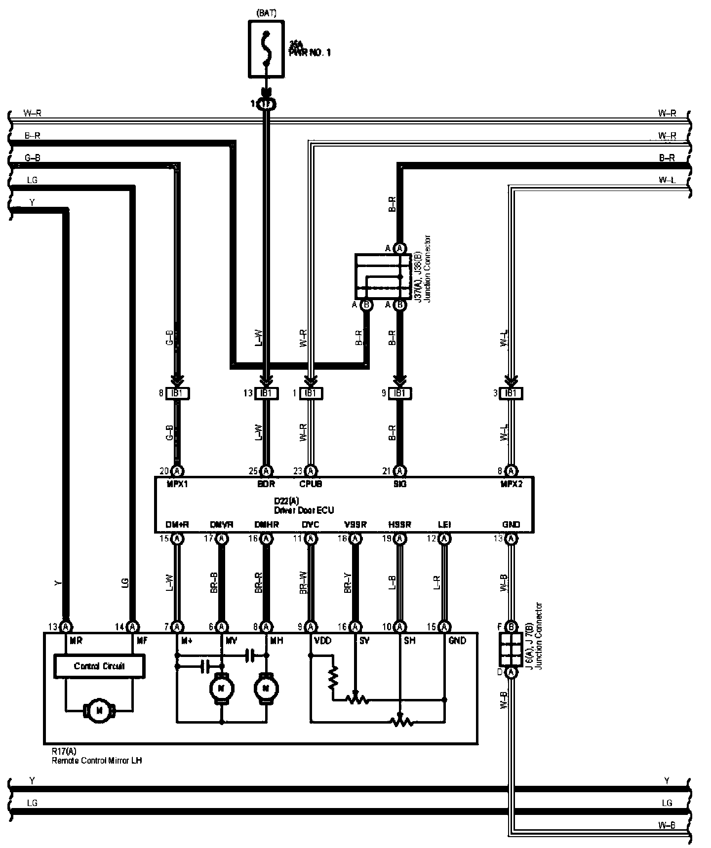
Remote Control Mirror With Driving Position Memory Part 2:
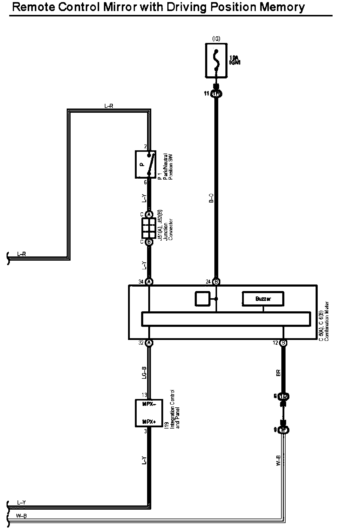
Remote Control Mirror With Driving Position Memory Part 3:
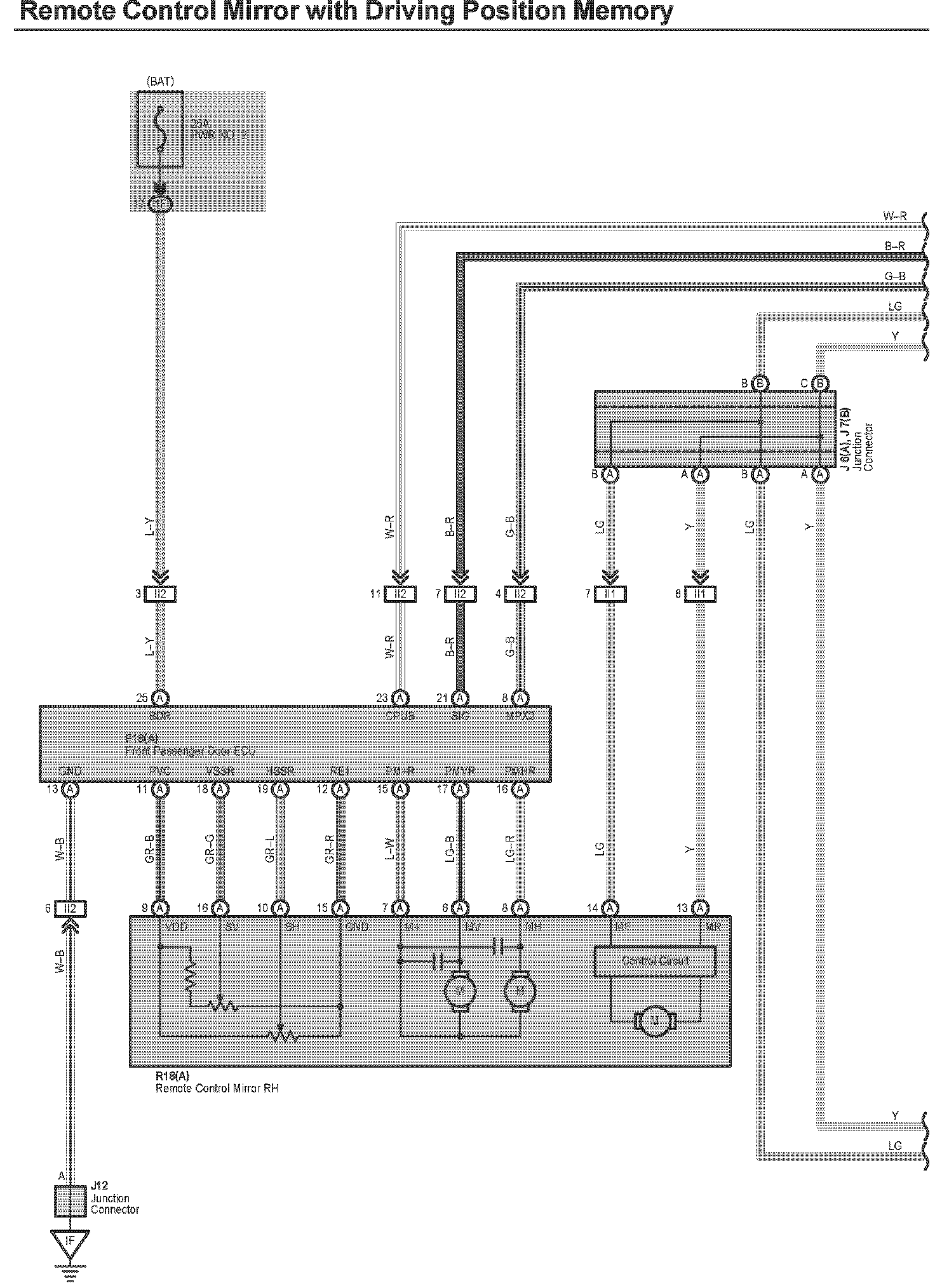
Remote Control Mirror With Driving Position Memory Part 4:
Remote Control Mirror With Driving Position Memory Part 5:
Diagram Legend:
Locations: The locations of components, connectors, ground points, and splices referred to within these diagrams can be found at Vehicle Locations. Locations
Connector Views: The connector views for connectors referred to within these diagrams can be found at the Vehicle level Connector Views. Connector Views